循環式管調整大小範例
以下影像展示各種循環式管尺寸設定方法的結果。
僅限摩擦力
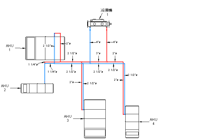
在調整大小之前
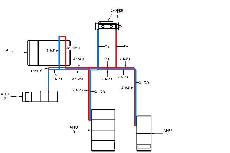
在調整大小之後
僅限速度
在調整大小之前
在調整大小之後
摩擦力和速度
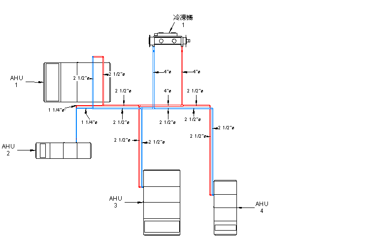
在調整大小之前
在調整大小之後
較大的接點或計算
在調整大小之前
在調整大小之後
使接點符合管大小
在調整大小之前
在調整大小之後
上層主題:
循環式配管調整大小和計算方法