管尺寸設定範例

下列影像展示各種管調整大小方法的結果。

摩擦力和速度

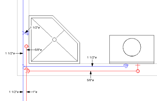
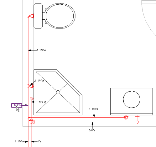
在調整大小之前

在調整大小之後

僅限摩擦力

在調整大小之前

在調整大小之後

摩擦力和速度 - 較大分支

在調整大小之前

在調整大小之後

摩擦力和速度 - 相符接點大小

在調整大小之前

在調整大小之後

僅限速度

在調整大小之前

在調整大小之後

系統檢查程式

單管

流程圖