Zkontrolujte a upravte hodnoty parametrů kót tvarů řezů rámových konstrukčních prvků.
Tyto vlastnosti jsou vytvořeny z parametru kategorie rodiny tvarů řezů prvku.
| Tvar řezu | Dostupné parametry kót tvarů |
|---|---|
Standardní trubka (za tepla válcovaná ocel) ![]() |
D. Průměr: vnější průměr kulatého tvaru řezu T. Tloušťka návrhu stěny: tloušťka kolmého návrhu mezi vnitřním a vnějším povrchem tvaru řezu t. Jmenovitá tloušťka stěny: průměrná kolmá vzdálenost mezi vnitřním a vnějším povrchem tvaru řezu y. Horizontální těžiště: vzdálenost od těžiště tvaru řezu k levé mezní oblasti podél horizontální osy z. Horizontální těžiště: vzdálenost od těžiště tvaru řezu k levé mezní oblasti podél vertikální osy alpha. Úhel hlavních os: rotační úhel mezi hlavními osami a referenčními rovinami příčných řezů. Tato možnost je uvedena jako parametr rodiny konstrukčních analýz. |
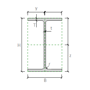
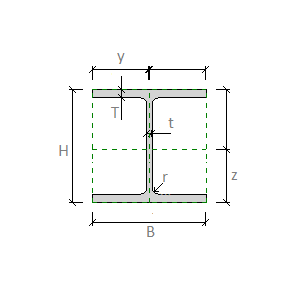
I profil rovnoběžné příruby (za tepla válcovaná ocel) ![]() |
B . Šířka: vnější šířka tvaru řezu H. Výška: vnější výška tvaru řezu T. Tloušťka příruby: vzdálenost mezi vnějšími povrchy příruby ve tvaru řezu t. Tloušťka stojiny: vzdálenost mezi vnějšími povrchy stojiny ve tvaru řezu r. Zaoblení stojiny: poloměr zaoblení mezi stojinou a přírubou y. Horizontální těžiště: vzdálenost od těžiště tvaru řezu k levé mezní oblasti podél horizontální osy z. Horizontální těžiště: vzdálenost od těžiště tvaru řezu k levé mezní oblasti podél vertikální osy alpha. Úhel hlavních os: rotační úhel mezi hlavními osami a referenčními rovinami příčných řezů. Tato možnost je uvedena jako parametr rodiny konstrukčních analýz. |
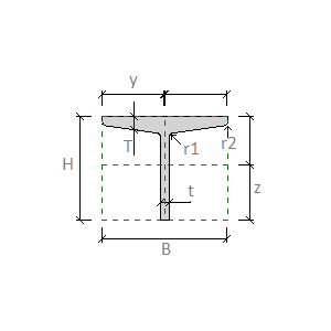
I profil skloněné příruby (za tepla válcovaná ocel) ![]() |
B . Šířka: vnější šířka tvaru řezu H. Výška: vnější výška tvaru řezu T. Tloušťka příruby: vzdálenost mezi vnějšími povrchy příruby ve tvaru řezu t. Tloušťka stojiny: vzdálenost mezi vnějšími povrchy stojiny ve tvaru řezu r1. Zaoblení stojiny: poloměr zaoblení mezi stojinou a přírubou r2. Zaoblení příruby: poloměr zaoblení na konci příruby ve tvaru řezu y. Horizontální těžiště: vzdálenost od těžiště tvaru řezu k levé mezní oblasti podél horizontální osy z. Horizontální těžiště: vzdálenost od těžiště tvaru řezu k levé mezní oblasti podél vertikální osy alpha. Úhel hlavních os: rotační úhel mezi hlavními osami a referenčními rovinami příčných řezů. Tato možnost je uvedena jako parametr rodiny konstrukčních analýz. |
I profil široké příruby (za tepla válcovaná ocel) ![]() |
B . Šířka: vnější šířka tvaru řezu H. Výška: vnější výška tvaru řezu T. Tloušťka příruby: vzdálenost mezi vnějšími povrchy příruby ve tvaru řezu t. Tloušťka stojiny: vzdálenost mezi vnějšími povrchy stojiny ve tvaru řezu r. Zaoblení stojiny: poloměr zaoblení mezi stojinou a přírubou y. Horizontální těžiště: vzdálenost od těžiště tvaru řezu k levé mezní oblasti podél horizontální osy z. Horizontální těžiště: vzdálenost od těžiště tvaru řezu k levé mezní oblasti podél vertikální osy alpha. Úhel hlavních os: rotační úhel mezi hlavními osami a referenčními rovinami příčných řezů. Tato možnost je uvedena jako parametr rodiny konstrukčních analýz. |
C profil rovnoběžné příruby (za tepla válcovaná ocel) ![]() |
B . Šířka: vnější šířka tvaru řezu H. Výška: vnější výška tvaru řezu T. Tloušťka příruby: vzdálenost mezi vnějšími povrchy příruby ve tvaru řezu t. Tloušťka stojiny: vzdálenost mezi vnějšími povrchy stojiny ve tvaru řezu r. Zaoblení stojiny: poloměr zaoblení mezi stojinou a přírubou y. Horizontální těžiště: vzdálenost od těžiště tvaru řezu k levé mezní oblasti podél horizontální osy z. Horizontální těžiště: vzdálenost od těžiště tvaru řezu k levé mezní oblasti podél vertikální osy alpha. Úhel hlavních os: rotační úhel mezi hlavními osami a referenčními rovinami příčných řezů. Tato možnost je uvedena jako parametr rodiny konstrukčních analýz. |
C profil skloněné příruby (za tepla válcovaná ocel) ![]() |
B . Šířka: vnější šířka tvaru řezu H. Výška: vnější výška tvaru řezu T. Tloušťka příruby: vzdálenost mezi vnějšími povrchy příruby ve tvaru řezu t. Tloušťka stojiny: vzdálenost mezi vnějšími povrchy stojiny ve tvaru řezu r1. Zaoblení stojiny: poloměr zaoblení mezi stojinou a přírubou r2. Zaoblení příruby: poloměr zaoblení na konci příruby ve tvaru řezu y. Horizontální těžiště: vzdálenost od těžiště tvaru řezu k levé mezní oblasti podél horizontální osy z. Horizontální těžiště: vzdálenost od těžiště tvaru řezu k levé mezní oblasti podél vertikální osy alpha. Úhel hlavních os: rotační úhel mezi hlavními osami a referenčními rovinami příčných řezů. Tato možnost je uvedena jako parametr rodiny konstrukčních analýz. |
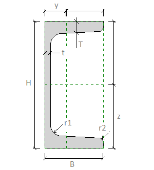
L úhlový profil (za tepla válcovaná ocel) ![]() |
B . Šířka: vnější šířka tvaru řezu H. Výška: vnější výška tvaru řezu T. Tloušťka příruby: vzdálenost mezi vnějšími povrchy příruby ve tvaru řezu t. Tloušťka stojiny: vzdálenost mezi vnějšími povrchy stojiny ve tvaru řezu r1. Zaoblení stojiny: poloměr zaoblení mezi stojinou a přírubou r2. Zaoblení příruby: poloměr zaoblení na konci příruby ve tvaru řezu y. Horizontální těžiště: vzdálenost od těžiště tvaru řezu k levé mezní oblasti podél horizontální osy z. Horizontální těžiště: vzdálenost od těžiště tvaru řezu k levé mezní oblasti podél vertikální osy alpha. Úhel hlavních os: rotační úhel mezi hlavními osami a referenčními rovinami příčných řezů. Tato možnost je uvedena jako parametr rodiny konstrukčních analýz. |
Obdélníková tyč ![]() |
B . Šířka: vnější šířka tvaru řezu H. Výška: vnější výška tvaru řezu y. Horizontální těžiště: vzdálenost od těžiště tvaru řezu k levé mezní oblasti podél horizontální osy z. Horizontální těžiště: vzdálenost od těžiště tvaru řezu k levé mezní oblasti podél vertikální osy alpha. Úhel hlavních os: rotační úhel mezi hlavními osami a referenčními rovinami příčných řezů. Tato možnost je uvedena jako parametr rodiny konstrukčních analýz. |
Kulatá tyč ![]() |
D. Průměr: vnější průměr kulatého tvaru řezu y. Horizontální těžiště: vzdálenost od těžiště tvaru řezu k levé mezní oblasti podél horizontální osy z. Horizontální těžiště: vzdálenost od těžiště tvaru řezu k levé mezní oblasti podél vertikální osy alpha. Úhel hlavních os: rotační úhel mezi hlavními osami a referenčními rovinami příčných řezů. Tato možnost je uvedena jako parametr rodiny konstrukčních analýz. |
Obdélníková ocel HSS (ocel tvarovaná za studena) ![]() |
B . Šířka: vnější šířka tvaru řezu H. Výška: vnější výška tvaru řezu T. Tloušťka návrhu stěny: tloušťka kolmého návrhu mezi vnitřním a vnějším povrchem tvaru řezu t. Jmenovitá tloušťka stěny: průměrná kolmá vzdálenost mezi vnitřním a vnějším povrchem tvaru řezu r1. Vnitřní zaoblení: poloměr vnitřního zaoblení rohu pravoúhlého dutého konstrukčního tvaru řezu r2. Vnější zaoblení: poloměr vnějšího zaoblení rohu pravoúhlého dutého konstrukčního tvaru řezu y. Horizontální těžiště: vzdálenost od těžiště tvaru řezu k levé mezní oblasti podél horizontální osy z. Horizontální těžiště: vzdálenost od těžiště tvaru řezu k levé mezní oblasti podél vertikální osy alpha. Úhel hlavních os: rotační úhel mezi hlavními osami a referenčními rovinami příčných řezů. Tato možnost je uvedena jako parametr rodiny konstrukčních analýz. |
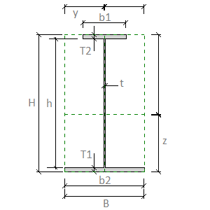
I profil svařované oceli (prolamovaná a svařovaná ocel) ![]() |
B . Šířka: vnější šířka tvaru řezu H. Výška: vnější výška tvaru řezu T2. Tloušťka vrchní příruby: vzdálenost mezi vnějšími povrchy horní příruby ve tvaru řezu prolamovaného nebo svařovaného prvku b1. Šířka vrchní příruby: vnější šířka horní příruby ve tvaru řezu prolamovaného nebo svařovaného prvku T1. Tloušťka spodní příruby: vzdálenost mezi vnějšími povrchy dolní příruby ve tvaru řezu prolamovaného nebo svařovaného prvku b2. Šířka spodní příruby: vnější šířka dolní příruby ve tvaru řezu prolamovaného nebo svařovaného prvku t. Tloušťka stojiny: vzdálenost mezi vnějšími povrchy stojiny ve tvaru řezu h. Výška stojiny: vzdálenost podél stojiny mezi přírubami ve tvaru řezu y. Horizontální těžiště: vzdálenost od těžiště tvaru řezu k levé mezní oblasti podél horizontální osy z. Horizontální těžiště: vzdálenost od těžiště tvaru řezu k levé mezní oblasti podél vertikální osy alpha. Úhel hlavních os: rotační úhel mezi hlavními osami a referenčními rovinami příčných řezů. Tato možnost je uvedena jako parametr rodiny konstrukčních analýz. |
Kulatá ocel HSS (ocel tvarovaná za studena) ![]() |
D. Průměr: vnější průměr kulatého tvaru řezu T. Tloušťka návrhu stěny: tloušťka kolmého návrhu mezi vnitřním a vnějším povrchem tvaru řezu t. Jmenovitá tloušťka stěny: průměrná kolmá vzdálenost mezi vnitřním a vnějším povrchem tvaru řezu y. Horizontální těžiště: vzdálenost od těžiště tvaru řezu k levé mezní oblasti podél horizontální osy z. Horizontální těžiště: vzdálenost od těžiště tvaru řezu k levé mezní oblasti podél vertikální osy alpha. Úhel hlavních os: rotační úhel mezi hlavními osami a referenčními rovinami příčných řezů. Tato možnost je uvedena jako parametr rodiny konstrukčních analýz. |
I profil (rozdělený) rovnoběžné příruby (za tepla válcovaná ocel) ![]() |
B . Šířka: vnější šířka tvaru řezu H. Výška: vnější výška tvaru řezu T. Tloušťka příruby: vzdálenost mezi vnějšími povrchy příruby ve tvaru řezu t. Tloušťka stojiny: vzdálenost mezi vnějšími povrchy stojiny ve tvaru řezu r. Zaoblení stojiny: poloměr zaoblení mezi stojinou a přírubou y. Horizontální těžiště: vzdálenost od těžiště tvaru řezu k levé mezní oblasti podél horizontální osy z. Horizontální těžiště: vzdálenost od těžiště tvaru řezu k levé mezní oblasti podél vertikální osy alpha. Úhel hlavních os: rotační úhel mezi hlavními osami a referenčními rovinami příčných řezů. Tato možnost je uvedena jako parametr rodiny konstrukčních analýz. |
I profil (rozdělený) skloněné příruby (za tepla válcovaná ocel) ![]() |
B . Šířka: vnější šířka tvaru řezu H. Výška: vnější výška tvaru řezu T. Tloušťka příruby: vzdálenost mezi vnějšími povrchy příruby ve tvaru řezu t. Tloušťka stojiny: vzdálenost mezi vnějšími povrchy stojiny ve tvaru řezu r1. Zaoblení stojiny: poloměr zaoblení mezi stojinou a přírubou r2. Zaoblení příruby: poloměr zaoblení na konci příruby ve tvaru řezu y. Horizontální těžiště: vzdálenost od těžiště tvaru řezu k levé mezní oblasti podél horizontální osy z. Horizontální těžiště: vzdálenost od těžiště tvaru řezu k levé mezní oblasti podél vertikální osy alpha. Úhel hlavních os: rotační úhel mezi hlavními osami a referenčními rovinami příčných řezů. Tato možnost je uvedena jako parametr rodiny konstrukčních analýz. |
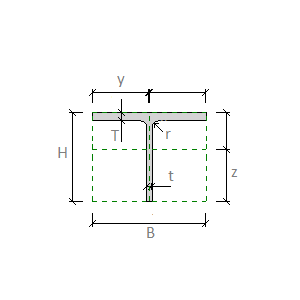
Konstrukční spoje T (za tepla válcovaná ocel) ![]() |
B . Šířka: vnější šířka tvaru řezu H. Výška: vnější výška tvaru řezu T. Tloušťka příruby: vzdálenost mezi vnějšími povrchy příruby ve tvaru řezu t. Tloušťka stojiny: vzdálenost mezi vnějšími povrchy stojiny ve tvaru řezu r1. Zaoblení stojiny: poloměr zaoblení mezi stojinou a přírubou r2. Zaoblení příruby: poloměr zaoblení na konci příruby ve tvaru řezu y. Horizontální těžiště: vzdálenost od těžiště tvaru řezu k levé mezní oblasti podél horizontální osy z. Horizontální těžiště: vzdálenost od těžiště tvaru řezu k levé mezní oblasti podél vertikální osy alpha. Úhel hlavních os: rotační úhel mezi hlavními osami a referenčními rovinami příčných řezů. Tato možnost je uvedena jako parametr rodiny konstrukčních analýz. |