Sie können ausgewählte Geometrie strecken. Die der ausgewählten Geometrie zugeordneten Abhängigkeiten wirken sich auf den Streckvorgang aus. 
- Klicken Sie auf Registerkarte Skizze 
 Gruppe Ändern 
 Dehnung 
. Das Dialogfeld Strecken wird beim Aktivieren des Befehls Auswahl geöffnet.  
- Wählen Sie im Grafikfenster die Geometrie aus, oder wählen Sie Geometriegruppen im Auswahlfenster aus. Klicken Sie mit der rechten Maustaste, und wählen Sie Weiter, um den Auswahlbefehl zu beenden und den Basispunkt im Dialogfeld Strecken zu aktivieren. 
Tipp: Verwenden Sie Für Einzelauswahl optimieren, wenn vor der Auswahl des Mittelpunkts nur eine Geometrieauswahl erforderlich ist. Der Befehl Basispunkt ist dann nach der Auswahl der ersten Geometrie automatisch aktiv. 
  
- Wählen Sie eine Methode zum Definieren des Basis- und des Endpunkts der Streckung: 
Strecken mit dem Mauszeiger
- Zum Festlegen des Basispunkts der Streckung klicken Sie in das Grafikfenster. In einer dynamischen Vorschau wird die ursprüngliche Geometrie mit gestrichelten Linien und die gedrehte Geometrie mit durchgezogenen Linien dargestellt. Die ausgewählte Geometrie folgt dem Mauszeiger mit einem konstanten Versatz, der durch die Auswahl des Basispunkts festgelegt wurde. 
 
- Ziehen Sie den Mauszeiger im Grafikfenster. Sie müssen die Maustaste nicht gedrückt halten. Während Sie den Mauszeiger bewegen, werden in der Statusleiste seine absoluten Skizzenkoordinaten angezeigt. Die neue Position und Form werden dynamisch aktualisiert. 
Tipp: Wenn Sie den Zeiger in die Nähe der gewünschten Position ziehen, wird der Endpunkt an der nächstliegenden vertikalen oder horizontalen Achse gefangen. Um dieses Fangelement zu überschreiben, ziehen Sie bei gedrückter 
STRG-Taste, oder deaktivieren Sie in den Anwendungsoptionen 

 Registerkarte Skizze die Option Raster fangen. 
 
  
- Falls das Strecken aufgrund von Abhängigkeiten nicht möglich ist, klicken Sie auf Weitere 
, und lockern bzw. lösen Sie die Bemaßungs- und geometrischen Abhängigkeiten durch entsprechende Überschreibungen.  
- Klicken Sie, um den Endpunkt festzulegen. 
Tipp: Drücken Sie die RÜCKTASTE, um den Endpunkt zurückzusetzen. 
  
 
 Strecken durch präzise Eingabe
- Die Werkzeugleiste Präzise Eingabe wird geöffnet, wenn das Kontrollkästchen Präzise Eingabe aktiviert ist. 
 
- Geben Sie die Koordinaten für den Basispunkt ein, und drücken Sie die Eingabetaste. In einer dynamischen Vorschau wird die ursprüngliche Geometrie mit gestrichelten Linien und die gedrehte Geometrie mit durchgezogenen Linien dargestellt. Die ausgewählte Geometrie folgt dem Mauszeiger mit einem konstanten Versatz, der durch die Auswahl des Basispunkts festgelegt wurde. In der Statusleiste werden die absoluten Skizzenkoordinaten des Zeigers eingeblendet. 
 
- Falls das Strecken aufgrund von Abhängigkeiten nicht möglich ist, klicken Sie auf Weitere 
, und lockern bzw. lösen Sie die Bemaßungs- und geometrischen Abhängigkeiten durch entsprechende Überschreibungen.  
- Geben Sie in der Werkzeugleiste Präzise Eingabe die Koordinaten des Endpunkts ein, und drücken Sie die EINGABETASTE. 
Tipp: Sie können über die Werkzeugleiste Präzise Eingabe die Bewegung des Zeigers auf einen bestimmten X- oder Y-Wert einschränken. Beispiel: Wenn Sie in das Feld X die Koordinate 6.5 eingeben, können Sie den Zeiger in die Y-Richtung verschieben, wobei X von 6.5 abhängig ist. Dann geben Sie entweder einen Wert in das Feld Y ein oder klicken in das Grafikfenster, um den Punkt festzulegen. 
 Tipp: Drücken Sie die RÜCKTASTE, um den Endpunkt zurückzusetzen. 
  
 
  
- Klicken Sie mit der rechten Maustaste, und wählen Sie Fertig, klicken Sie im Dialogfeld auf Fertig, oder drücken Sie die ESC-Taste. 
 
Beispiel für eine Streckung
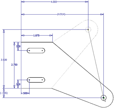
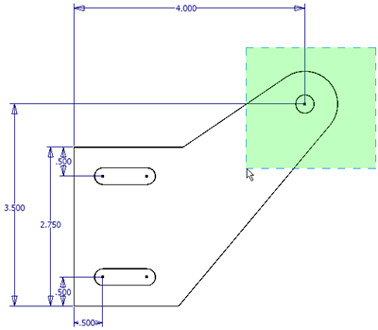
Der Befehl Strecken ist aktiv, und die beiden Linien und der verbindende Bogen wurden im Auswahlfenster gewählt. 
  
Die Geometrie wurde im Grafikfenster und der Basispunkt im Dialogfeld Strecken gewählt. Die Geometrie wurde an die neue Position gestreckt. Alle erforderlichen Bemaßungen wurden gelockert. Die ursprünglichen Bemaßungen werden normal, die neuen Bemaßungen in Klammern angezeigt. Es wurden nur zwei Bemaßungen geändert. Die gestrichelte Linie zeigt die ursprüngliche Position der Geometrie.