Bemaßungsparameter für Querschnittsformen

Sie können die Werte der Bemaßungsparameter für Querschnittsformen bei Tragwerkselementen überprüfen und ändern.

Diese Eigenschaften werden unter Verwendung des Familienkategorieparameters Querschnittsform für das Element erstellt.

Querschnittsform Verfügbare Bemaßungsparameter für die Form
Rohrnorm (warmgewalzter Stahl)

D. Durchmesser: der Außendurchmesser der runden Querschnittsform.

T. Wandstärke: die lotrechte Konstruktionsdicke zwischen der inneren und äußeren Oberfläche einer Querschnittsform.

t. Nominelle Wandstärke: der durchschnittliche lotrechte Abstand zwischen der inneren und äußeren Oberfläche der Querschnittsform.

y. Schwerpunkt horizontal: die Entfernung vom Schwerpunkt der Querschnittsform zum linken Ende entlang der horizontalen Achse.

z. Schwerpunkt vertikal: die Entfernung vom Schwerpunkt der Querschnittsform zum unteren Ende entlang der vertikalen Achse.

alpha. Winkel der Hauptachsen: der Drehwinkel zwischen den Hauptachsen und den Referenzebenen des Querschnitts. Dies wird als Familienparameter für die Tragwerksbemessung aufgelistet.

I-Profil mit parallelen Flanschflächen (warmgewalzter Stahl)

BBreite: die äußere Breite der Querschnittsform.

H Höhe: die äußere Höhe der Querschnittsform.

T Flanschdicke: der Abstand zwischen den Außenflächen des Flanschs in der Querschnittsform.

t. Stegdicke: der Abstand zwischen den Außenflächen des Stegs in der Querschnittsform.

r. Stegabrundung: der Radius der Abrundung zwischen dem Steg und dem Flansch.

y. Schwerpunkt horizontal: die Entfernung vom Schwerpunkt der Querschnittsform zum linken Ende entlang der horizontalen Achse.

z. Schwerpunkt vertikal: die Entfernung vom Schwerpunkt der Querschnittsform zum unteren Ende entlang der vertikalen Achse.

alpha. Winkel der Hauptachsen: der Drehwinkel zwischen den Hauptachsen und den Referenzebenen des Querschnitts. Dies wird als Familienparameter für die Tragwerksbemessung aufgelistet.

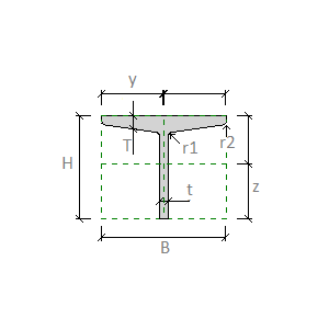
I-Profil mit geneigten Flanschflächen (warmgewalzter Stahl)

BBreite: die äußere Breite der Querschnittsform.

H Höhe: die äußere Höhe der Querschnittsform.

T Flanschdicke: der Abstand zwischen den Außenflächen des Flanschs in der Querschnittsform.

t. Stegdicke: der Abstand zwischen den Außenflächen des Stegs in der Querschnittsform.

r1. Stegabrundung: der Radius der Abrundung zwischen dem Steg und dem Flansch.

r2. Flanschabrundung: der Radius der Abrundung am Ende eines Flanschs in der Querschnittsform.

y. Schwerpunkt horizontal: die Entfernung vom Schwerpunkt der Querschnittsform zum linken Ende entlang der horizontalen Achse.

z. Schwerpunkt vertikal: die Entfernung vom Schwerpunkt der Querschnittsform zum unteren Ende entlang der vertikalen Achse.

alpha. Winkel der Hauptachsen: der Drehwinkel zwischen den Hauptachsen und den Referenzebenen des Querschnitts. Dies wird als Familienparameter für die Tragwerksbemessung aufgelistet.

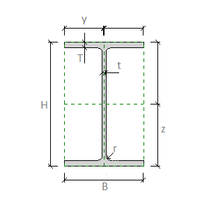
I-Profil Breitflansch (warmgewalzter Stahl)

BBreite: die äußere Breite der Querschnittsform.

H Höhe: die äußere Höhe der Querschnittsform.

T Flanschdicke: der Abstand zwischen den Außenflächen des Flanschs in der Querschnittsform.

t. Stegdicke: der Abstand zwischen den Außenflächen des Stegs in der Querschnittsform.

r. Stegabrundung: der Radius der Abrundung zwischen dem Steg und dem Flansch.

y. Schwerpunkt horizontal: die Entfernung vom Schwerpunkt der Querschnittsform zum linken Ende entlang der horizontalen Achse.

z. Schwerpunkt vertikal: die Entfernung vom Schwerpunkt der Querschnittsform zum unteren Ende entlang der vertikalen Achse.

alpha. Winkel der Hauptachsen: der Drehwinkel zwischen den Hauptachsen und den Referenzebenen des Querschnitts. Dies wird als Familienparameter für die Tragwerksbemessung aufgelistet.

C-Profil mit parallelen Flanschflächen (warmgewalzter Stahl)

BBreite: die äußere Breite der Querschnittsform.

H Höhe: die äußere Höhe der Querschnittsform.

T Flanschdicke: der Abstand zwischen den Außenflächen des Flanschs in der Querschnittsform.

t. Stegdicke: der Abstand zwischen den Außenflächen des Stegs in der Querschnittsform.

r. Stegabrundung: der Radius der Abrundung zwischen dem Steg und dem Flansch.

y. Schwerpunkt horizontal: die Entfernung vom Schwerpunkt der Querschnittsform zum linken Ende entlang der horizontalen Achse.

z. Schwerpunkt vertikal: die Entfernung vom Schwerpunkt der Querschnittsform zum unteren Ende entlang der vertikalen Achse.

alpha. Winkel der Hauptachsen: der Drehwinkel zwischen den Hauptachsen und den Referenzebenen des Querschnitts. Dies wird als Familienparameter für die Tragwerksbemessung aufgelistet.

C-Profil mit geneigten Flanschflächen (warmgewalzter Stahl)

BBreite: die äußere Breite der Querschnittsform.

H Höhe: die äußere Höhe der Querschnittsform.

T Flanschdicke: der Abstand zwischen den Außenflächen des Flanschs in der Querschnittsform.

t. Stegdicke: der Abstand zwischen den Außenflächen des Stegs in der Querschnittsform.

r1. Stegabrundung: der Radius der Abrundung zwischen dem Steg und dem Flansch.

r2. Flanschabrundung: der Radius der Abrundung am Ende eines Flanschs in der Querschnittsform.

y. Schwerpunkt horizontal: die Entfernung vom Schwerpunkt der Querschnittsform zum linken Ende entlang der horizontalen Achse.

z. Schwerpunkt vertikal: die Entfernung vom Schwerpunkt der Querschnittsform zum unteren Ende entlang der vertikalen Achse.

alpha. Winkel der Hauptachsen: der Drehwinkel zwischen den Hauptachsen und den Referenzebenen des Querschnitts. Dies wird als Familienparameter für die Tragwerksbemessung aufgelistet.

L-Winkel (warmgewalzter Stahl)

BBreite: die äußere Breite der Querschnittsform.

H Höhe: die äußere Höhe der Querschnittsform.

T Flanschdicke: der Abstand zwischen den Außenflächen des Flanschs in der Querschnittsform.

t. Stegdicke: der Abstand zwischen den Außenflächen des Stegs in der Querschnittsform.

r1. Stegabrundung: der Radius der Abrundung zwischen dem Steg und dem Flansch.

r2. Flanschabrundung: der Radius der Abrundung am Ende eines Flanschs in der Querschnittsform.

y. Schwerpunkt horizontal: die Entfernung vom Schwerpunkt der Querschnittsform zum linken Ende entlang der horizontalen Achse.

z. Schwerpunkt vertikal: die Entfernung vom Schwerpunkt der Querschnittsform zum unteren Ende entlang der vertikalen Achse.

alpha. Winkel der Hauptachsen: der Drehwinkel zwischen den Hauptachsen und den Referenzebenen des Querschnitts. Dies wird als Familienparameter für die Tragwerksbemessung aufgelistet.

Rechteckiger Stab

BBreite: die äußere Breite der Querschnittsform.

H Höhe: die äußere Höhe der Querschnittsform.

y. Schwerpunkt horizontal: die Entfernung vom Schwerpunkt der Querschnittsform zum linken Ende entlang der horizontalen Achse.

z. Schwerpunkt vertikal: die Entfernung vom Schwerpunkt der Querschnittsform zum unteren Ende entlang der vertikalen Achse.

alpha. Winkel der Hauptachsen: der Drehwinkel zwischen den Hauptachsen und den Referenzebenen des Querschnitts. Dies wird als Familienparameter für die Tragwerksbemessung aufgelistet.

Runder Stab

D. Durchmesser: der Außendurchmesser der runden Querschnittsform.

y. Schwerpunkt horizontal: die Entfernung vom Schwerpunkt der Querschnittsform zum linken Ende entlang der horizontalen Achse.

z. Schwerpunkt vertikal: die Entfernung vom Schwerpunkt der Querschnittsform zum unteren Ende entlang der vertikalen Achse.

alpha. Winkel der Hauptachsen: der Drehwinkel zwischen den Hauptachsen und den Referenzebenen des Querschnitts. Dies wird als Familienparameter für die Tragwerksbemessung aufgelistet.

Hohlprofile rechteckig (kaltgeformter Stahl)

BBreite: die äußere Breite der Querschnittsform.

H Höhe: die äußere Höhe der Querschnittsform.

T. Wandstärke: die lotrechte Konstruktionsdicke zwischen der inneren und äußeren Oberfläche einer Querschnittsform.

t. Nominelle Wandstärke: der durchschnittliche lotrechte Abstand zwischen der inneren und äußeren Oberfläche der Querschnittsform.

r1. Abrundung innen: der Radius der inneren Eckenabrundung der Querschnittsform für ein rechteckiges hohles Tragwerkselement.

r2. Abrundung außen: der Radius der äußeren Eckenabrundung der Querschnittsform für ein rechteckiges hohles Tragwerkselement.

y. Schwerpunkt horizontal: die Entfernung vom Schwerpunkt der Querschnittsform zum linken Ende entlang der horizontalen Achse.

z. Schwerpunkt vertikal: die Entfernung vom Schwerpunkt der Querschnittsform zum unteren Ende entlang der vertikalen Achse.

alpha. Winkel der Hauptachsen: der Drehwinkel zwischen den Hauptachsen und den Referenzebenen des Querschnitts. Dies wird als Familienparameter für die Tragwerksbemessung aufgelistet.

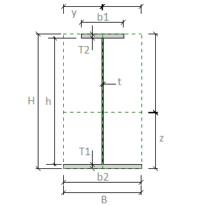
I-Profil geschweißt (Stahl durchbrochen und geschweißt)

BBreite: die äußere Breite der Querschnittsform.

H Höhe: die äußere Höhe der Querschnittsform.

T2. Dicke oberer Flansch: der Abstand zwischen den Außenflächen des oberen Flanschs in der Querschnittsform eines durchbrochenen oder geschweißten Elements.

b1. Breite oberer Flansch: die äußere Breite des oberen Flanschs in der Querschnittsform eines durchbrochenen oder geschweißten Elements.

T1. Dicke unterer Flansch: der Abstand zwischen den Außenflächen des unteren Flanschs in der Querschnittsform eines durchbrochenen oder geschweißten Elements.

b2. Breite unterer Flansch: die äußere Breite des unteren Flanschs in der Querschnittsform eines durchbrochenen oder geschweißten Elements.

t. Stegdicke: der Abstand zwischen den Außenflächen des Stegs in der Querschnittsform.

H Steghöhe: der am Steg entlang gemessene Abstand zwischen den Flanschen in der Querschnittsform.

y. Schwerpunkt horizontal: die Entfernung vom Schwerpunkt der Querschnittsform zum linken Ende entlang der horizontalen Achse.

z. Schwerpunkt vertikal: die Entfernung vom Schwerpunkt der Querschnittsform zum unteren Ende entlang der vertikalen Achse.

alpha. Winkel der Hauptachsen: der Drehwinkel zwischen den Hauptachsen und den Referenzebenen des Querschnitts. Dies wird als Familienparameter für die Tragwerksbemessung aufgelistet.

Hohlprofile rund (kaltgeformter Stahl)

D. Durchmesser: der Außendurchmesser der runden Querschnittsform.

T. Wandstärke: die lotrechte Konstruktionsdicke zwischen der inneren und äußeren Oberfläche einer Querschnittsform.

t. Nominelle Wandstärke: der durchschnittliche lotrechte Abstand zwischen der inneren und äußeren Oberfläche der Querschnittsform.

y. Schwerpunkt horizontal: die Entfernung vom Schwerpunkt der Querschnittsform zum linken Ende entlang der horizontalen Achse.

z. Schwerpunkt vertikal: die Entfernung vom Schwerpunkt der Querschnittsform zum unteren Ende entlang der vertikalen Achse.

alpha. Winkel der Hauptachsen: der Drehwinkel zwischen den Hauptachsen und den Referenzebenen des Querschnitts. Dies wird als Familienparameter für die Tragwerksbemessung aufgelistet.

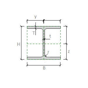
I-Profil geteilt mit parallelen Flanschflächen (warmgewalzter Stahl)

BBreite: die äußere Breite der Querschnittsform.

H Höhe: die äußere Höhe der Querschnittsform.

T Flanschdicke: der Abstand zwischen den Außenflächen des Flanschs in der Querschnittsform.

t. Stegdicke: der Abstand zwischen den Außenflächen des Stegs in der Querschnittsform.

r. Stegabrundung: der Radius der Abrundung zwischen dem Steg und dem Flansch.

y. Schwerpunkt horizontal: die Entfernung vom Schwerpunkt der Querschnittsform zum linken Ende entlang der horizontalen Achse.

z. Schwerpunkt vertikal: die Entfernung vom Schwerpunkt der Querschnittsform zum unteren Ende entlang der vertikalen Achse.

alpha. Winkel der Hauptachsen: der Drehwinkel zwischen den Hauptachsen und den Referenzebenen des Querschnitts. Dies wird als Familienparameter für die Tragwerksbemessung aufgelistet.

I-Profil geteilt mit geneigten Flanschflächen (warmgewalzter Stahl)

BBreite: die äußere Breite der Querschnittsform.

H Höhe: die äußere Höhe der Querschnittsform.

T Flanschdicke: der Abstand zwischen den Außenflächen des Flanschs in der Querschnittsform.

t. Stegdicke: der Abstand zwischen den Außenflächen des Stegs in der Querschnittsform.

r1. Stegabrundung: der Radius der Abrundung zwischen dem Steg und dem Flansch.

r2. Flanschabrundung: der Radius der Abrundung am Ende eines Flanschs in der Querschnittsform.

y. Schwerpunkt horizontal: die Entfernung vom Schwerpunkt der Querschnittsform zum linken Ende entlang der horizontalen Achse.

z. Schwerpunkt vertikal: die Entfernung vom Schwerpunkt der Querschnittsform zum unteren Ende entlang der vertikalen Achse.

alpha. Winkel der Hauptachsen: der Drehwinkel zwischen den Hauptachsen und den Referenzebenen des Querschnitts. Dies wird als Familienparameter für die Tragwerksbemessung aufgelistet.

T-Profile (warmgewalzter Stahl)

BBreite: die äußere Breite der Querschnittsform.

H Höhe: die äußere Höhe der Querschnittsform.

T Flanschdicke: der Abstand zwischen den Außenflächen des Flanschs in der Querschnittsform.

t. Stegdicke: der Abstand zwischen den Außenflächen des Stegs in der Querschnittsform.

r1. Stegabrundung: der Radius der Abrundung zwischen dem Steg und dem Flansch.

r2. Flanschabrundung: der Radius der Abrundung am Ende eines Flanschs in der Querschnittsform.

y. Schwerpunkt horizontal: die Entfernung vom Schwerpunkt der Querschnittsform zum linken Ende entlang der horizontalen Achse.

z. Schwerpunkt vertikal: die Entfernung vom Schwerpunkt der Querschnittsform zum unteren Ende entlang der vertikalen Achse.

alpha. Winkel der Hauptachsen: der Drehwinkel zwischen den Hauptachsen und den Referenzebenen des Querschnitts. Dies wird als Familienparameter für die Tragwerksbemessung aufgelistet.