Die folgenden Abbildungen zeigen die Ergebnisse der Größenbestimmung für Hydronic-Rohre mit unterschiedlichen Methoden.

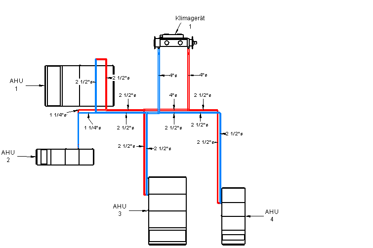
Vor der Größenänderung

Nach der Größenänderung

Vor der Größenänderung

Nach der Größenänderung

Vor der Größenänderung

Nach der Größenänderung

Vor der Größenänderung

Nach der Größenänderung

Vor der Größenänderung

Nach der Größenänderung