Using the Autodesk AutoCAD Structural Detailing - Formwork Drawings module, you can define and modify the following predefined types of spread footings:
|
1. Rectangular footing |
|
|
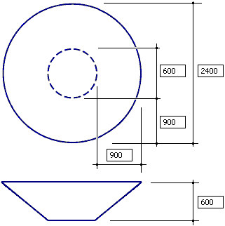
2. Circular footing |
|
|
|
|
3. Footing of arbitrary shape |
|
|
|
|
4. Rectangular footing with a pier |
|
|
|
|
5. Trapezoidal footing |
|
|
|
|
6. Trapezoidal footing with a pier |
|
|
|
|
7. Trapezoidal head type1 |
|
|
|
|
8. Trapezoidal head type2 |
|
|
|
|
9. Conical head type1 |
|
|
|
|
10. Conical head type2 |
|
|
|
|
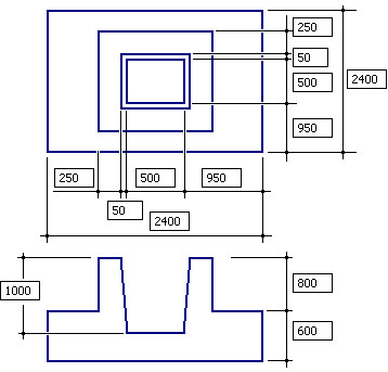
11. Sleeve footing (rectangular) |
|
|
|
|
12. Sleeve footing (trapezoidal) |
|
|