Adding connector descriptors

Add description values to the plug and receptacle sides of a connector.

AutoCAD Electrical supports two lines of description text on each connector: one for the plug and one for the receptacle side of the connector.

Add descriptions

  1. Right-click connector PJ1 and select Edit Component.
  2. On the Insert/Edit Component dialog box, Pins section, click List.
  3. On the Connector Pin Numbers In Use dialog box, connector pin grid, click in the Description column for Pin 1.
  4. On the Pin Descriptions section, enter POWER B2 for the Receptacle.
  5. On the connector pin grid, click in the Description column for Pin 2.
  6. On the Pin Descriptions section, enter POWER B3 for the Receptacle.
  7. On the connector pin grid, click in the Description column for Pin 3.
  8. On the Pin Descriptions section, enter POWER B4 for the Receptacle.
  9. Click OK.
  10. On the Insert/Edit Component dialog box, click OK.
  11. Repeat to add the description POWER IN for Pins A on Black Box 2, Black Box 3 and Black Box 4.

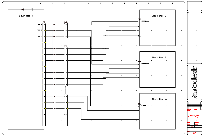
    Your finished point-to-point diagram looks like the following image.