Move a circuit to a new location and update all related components.
When you move a circuit, most of the parent components contained in the circuit automatically retag since the drawing is set up for reference-based component tagging. In the process of moving the circuit, you change the reference locations of the moved components. Related child components update to match the new parent tags, including references on other drawings in the project.
Move the location of a circuit

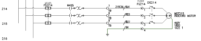
This circuit has component tags


. Find
Select Objects:
Window select the circuit on line reference 215 to capture the connection wire and dots that tie in to the vertical bus, right-click

Press F9 to turn on SNAP .
Specify base point or displacement:
Select a base point and then select a point on line reference 214
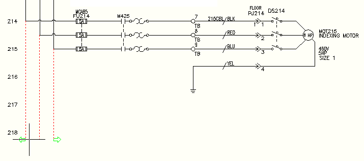
The circuitry is moved, the affected components are retagged, and cross-references are updated based on the new line reference. Each of the listed parent component tags decrement by one. For example, fuse FU215 became FU214.


Related child references on the active drawing update to match the newly retagged parent components.
Related child components and panel layout references on other drawings update to match the parent components on the moved circuit.


. Find
The Surf dialog box displays three references on sheet 2 and one reference on sheet 9.
Surfer goes to the panel layout drawing and zooms in on the physical representation of this 3-pole fuse. Notice that the physical representation of the fuse block tag updated because the circuit was moved.
Moving the motor circuit up one line reference spacing opened up a bit more room to add a new circuit below it. The next step is to extend the 3‑phase bus down to line reference 218 and over to the right to begin building a new motor circuit.
Extending the 3-phase bus

. Find
Fence/Crossing/Zext/<Select wire to TRIM>:
Click the bottom ends of the three dangling wires, right-click

You can insert vertical or horizontal 3-phase wiring. Three-phase wiring automatically breaks and reconnects to any underlying components that it finds in its path. If it crosses any existing wiring, wire-crossing gaps are inserted.

. Find
Horizontal Spacing: 0.5
Vertical Spacing: 0.5
Starting at: Another Bus (Multiple Wires)
Number of Wires: 3

Select existing wire to begin multi-phase bus connection:
Select the bottom corner of the left-most vertical bus on line reference 214 as shown

Select existing wire to begin multi-phase bus connection: to
Pull the cursor down to line reference 218.
Temporary graphics show the proposed routing of the extended bus.

The 3-phase bus and wire connection dot symbols are inserted on the drawing.
