Creating a Multiple Service Frame Layout
- Open the required model for co-ordination.
- Click
Frame Layout.

- Click

Properties, Fill the appropriate fields as required, Select Ok to finalise the command.
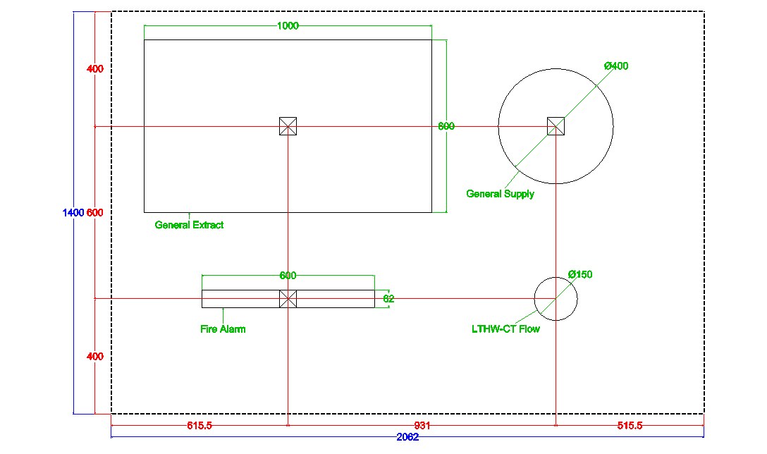
Name : Service Corridor
Service Frame Width : 2062.00 mm
Service Frame Depth : 1400.00 mm
Module Length : 3000.00 mm
- The Service frame layout will reflect the previously inputted information.
Applying an Object to a Frame Layout
- Click

Add Object, Select within the Service frame layout an appropriate datum point location for the Service run. Note:
This requires a two click procedure.
- An alternative method of applying objects into the Frame layout, Click

Add Object, then accordingly move the mouse cursor, then type the relative co-ordinate to insert the Object. For example 615.5,100. This will locate the object in the latter (X,Y) co-ordinates, relative to (0,0) situated in the lower left hand corner of the frame layout.
Customising / Configurating an Object
An object can be configured with various functionality, the available options stated below :
- Reference Point
- Service
- Zone
- Proxy Graphic
All the above object points reference from a common datum point X,Y (0,0) situated in the lower left hand corner of the service frame layout. Individual objects can be, manually moved or customised with the "Option / Value" dialog. Options will vary dependent on the Type set in the dialog.
- Configure the Option / Value dialog to reflect the below settings.
Service Point
- Select
Save, the pre-configured Frame layout will be automatically added in to the Edit drop down menu.
Applying additional Service Points
- By repeating the "Applying Reference Point / Service Frame Layout method. Apply the following Service runs into the existing Frame Layout "Service Corridor".
HVAC : General Supply - Round Spiral
Electrical Containment : Fire Alarm
Space & Heating : LTHW-CT - Flow
- Select
Save, this will update the "Service Corridor" layout. "Service Corridor"
- Select "OK" to finalise and close the Frame layout command. Utilise the created Frame Layout with the Multi Service Line command.