Pipe Sizing Examples

The following images show the results of the various pipe sizing methods.

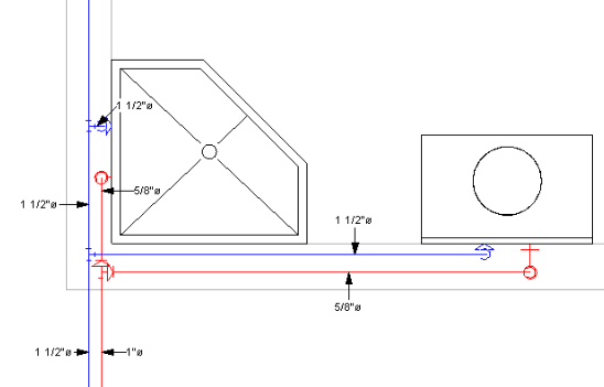
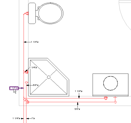
Friction and Velocity

Before Sizing

After Sizing

Friction Only

Before Sizing

After Sizing

Friction and Velocity - Larger Branch

Before Sizing

After Sizing

Friction and Velocity - Match Connector Size

Before Sizing

After Sizing

Velocity Only

Before Sizing

After Sizing

System Inspector

Single Pipe

Flow Diagram