Section Shape Dimension Parameters

Review and modify the values of section shape dimension parameters of structural framing elements.

These properties are created from the Section Shape family category parameter of the element.

Section shape Available shape dimension parameters
Pipe Standard (hot rolled steel)

D. Diameter: the external diameter of the round section shape.

T. Wall Design Thickness: the perpendicular design thickness between the inner and outer surface of a section shape.

t. Wall Nominal Thickness: the average perpendicular distance between the inner and outer surface of the section shape.

y. Centroid Horizontal: the distance from the centroid of the section shape to the left extremities along the horizontal axis.

z. Centroid Vertical: the distance from the centroid of the section shape to the lower extremities along the vertical axis.

alpha. Principle Axes Angle: the rotational angle between the principle axes and cross section reference planes. This is listed as a Structural Analysis family parameter.

I-shape Parallel Flange (hot rolled steel)

B. Width: the external width of the section shape.

H. Height: the external height of the section shape.

T. Flange Thickness: the distance between the exterior surfaces of the flange in the section shape.

t. Web Thickness: the distance between the exterior surfaces of the web in the section shape.

r. Web Fillet: the radius of the fillet between the web and flange.

y. Centroid Horizontal: the distance from the centroid of the section shape to the left extremities along the horizontal axis.

z. Centroid Vertical: the distance from the centroid of the section shape to the lower extremities along the vertical axis.

alpha. Principle Axes Angle: the rotational angle between the principle axes and cross section reference planes. This is listed as a Structural Analysis family parameter.

I-shape Sloped Flange (hot rolled steel)

B. Width: the external width of the section shape.

H. Height: the external height of the section shape.

T. Flange Thickness: the distance between the exterior surfaces of the flange in the section shape.

t. Web Thickness: the distance between the exterior surfaces of the web in the section shape.

r1. Web Fillet: the radius of the fillet between the web and flange.

r2. Flange Fillet: the radius of the fillet at the end of a flange in the section shape.

y. Centroid Horizontal: the distance from the centroid of the section shape to the left extremities along the horizontal axis.

z. Centroid Vertical: the distance from the centroid of the section shape to the lower extremities along the vertical axis.

alpha. Principle Axes Angle: the rotational angle between the principle axes and cross section reference planes. This is listed as a Structural Analysis family parameter.

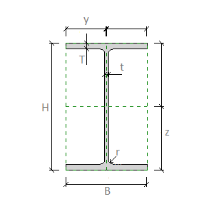
I-shape Wide Flange (hot rolled steel)

B. Width: the external width of the section shape.

H. Height: the external height of the section shape.

T. Flange Thickness: the distance between the exterior surfaces of the flange in the section shape.

t. Web Thickness: the distance between the exterior surfaces of the web in the section shape.

r. Web Fillet: the radius of the fillet between the web and flange.

y. Centroid Horizontal: the distance from the centroid of the section shape to the left extremities along the horizontal axis.

z. Centroid Vertical: the distance from the centroid of the section shape to the lower extremities along the vertical axis.

alpha. Principle Axes Angle: the rotational angle between the principle axes and cross section reference planes. This is listed as a Structural Analysis family parameter.

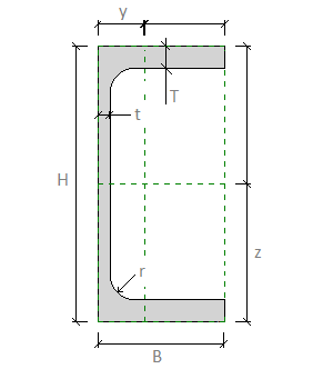
C-channel Parallel Flange (hot rolled steel)

B. Width: the external width of the section shape.

H. Height: the external height of the section shape.

T. Flange Thickness: the distance between the exterior surfaces of the flange in the section shape.

t. Web Thickness: the distance between the exterior surfaces of the web in the section shape.

r. Web Fillet: the radius of the fillet between the web and flange.

y. Centroid Horizontal: the distance from the centroid of the section shape to the left extremities along the horizontal axis.

z. Centroid Vertical: the distance from the centroid of the section shape to the lower extremities along the vertical axis.

alpha. Principle Axes Angle: the rotational angle between the principle axes and cross section reference planes. This is listed as a Structural Analysis family parameter.

C-channel Sloped Flange (hot rolled steel)

B. Width: the external width of the section shape.

H. Height: the external height of the section shape.

T. Flange Thickness: the distance between the exterior surfaces of the flange in the section shape.

t. Web Thickness: the distance between the exterior surfaces of the web in the section shape.

r1. Web Fillet: the radius of the fillet between the web and flange.

r2. Flange Fillet: the radius of the fillet at the end of a flange in the section shape.

y. Centroid Horizontal: the distance from the centroid of the section shape to the left extremities along the horizontal axis.

z. Centroid Vertical: the distance from the centroid of the section shape to the lower extremities along the vertical axis.

alpha. Principle Axes Angle: the rotational angle between the principle axes and cross section reference planes. This is listed as a Structural Analysis family parameter.

L-Angle (hot rolled steel)

B. Width: the external width of the section shape.

H. Height: the external height of the section shape.

T. Flange Thickness: the distance between the exterior surfaces of the flange in the section shape.

t. Web Thickness: the distance between the exterior surfaces of the web in the section shape.

r1. Web Fillet: the radius of the fillet between the web and flange.

r2. Flange Fillet: the radius of the fillet at the end of a flange in the section shape.

y. Centroid Horizontal: the distance from the centroid of the section shape to the left extremities along the horizontal axis.

z. Centroid Vertical: the distance from the centroid of the section shape to the lower extremities along the vertical axis.

alpha. Principle Axes Angle: the rotational angle between the principle axes and cross section reference planes. This is listed as a Structural Analysis family parameter.

Rectangular Bar

B. Width: the external width of the section shape.

H. Height: the external height of the section shape.

y. Centroid Horizontal: the distance from the centroid of the section shape to the left extremities along the horizontal axis.

z. Centroid Vertical: the distance from the centroid of the section shape to the lower extremities along the vertical axis.

alpha. Principle Axes Angle: the rotational angle between the principle axes and cross section reference planes. This is listed as a Structural Analysis family parameter.

Round Bar

D. Diameter: the external diameter of the round section shape.

y. Centroid Horizontal: the distance from the centroid of the section shape to the left extremities along the horizontal axis.

z. Centroid Vertical: the distance from the centroid of the section shape to the lower extremities along the vertical axis.

alpha. Principle Axes Angle: the rotational angle between the principle axes and cross section reference planes. This is listed as a Structural Analysis family parameter.

Rectangular HSS (cold-formed steel)

B. Width: the external width of the section shape.

H. Height: the external height of the section shape.

T. Wall Design Thickness: the perpendicular design thickness between the inner and outer surface of a section shape.

t. Wall Nominal Thickness: the average perpendicular distance between the inner and outer surface of the section shape.

r1. Inner Fillet: the radius of the inner corner fillet of a rectangular hollow structural section shape.

r2. Outer Fillet: the radius of the outer corner fillet of a rectangular hollow structural section shape.

y. Centroid Horizontal: the distance from the centroid of the section shape to the left extremities along the horizontal axis.

z. Centroid Vertical: the distance from the centroid of the section shape to the lower extremities along the vertical axis.

alpha. Principle Axes Angle: the rotational angle between the principle axes and cross section reference planes. This is listed as a Structural Analysis family parameter.

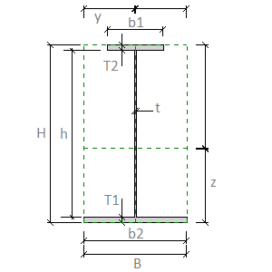
I-shape Welded (castellated and welded steel)

B. Width: the external width of the section shape.

H. Height: the external height of the section shape.

T2. Top Flange Thickness: the distance between the exterior surfaces of the top flange in the section shape of a castellated or welded element.

b1. Top Flange Width: the external width of the top flange in the section shape of a castellated or welded element.

T1. Bottom Flange Thickness: the distance between the exterior surfaces of the bottom flange in the section shape of a castellated or welded element.

b2. Bottom Flange Width: the external width of the bottom flange in the section shape of a castellated or welded element.

t. Web Thickness: the distance between the exterior surfaces of the web in the section shape.

h. Web Height: the distance along the web between the flanges in the section shape.

y. Centroid Horizontal: the distance from the centroid of the section shape to the left extremities along the horizontal axis.

z. Centroid Vertical: the distance from the centroid of the section shape to the lower extremities along the vertical axis.

alpha. Principle Axes Angle: the rotational angle between the principle axes and cross section reference planes. This is listed as a Structural Analysis family parameter.

Round HSS (cold-formed steel)

D. Diameter: the external diameter of the round section shape.

T. Wall Design Thickness: the perpendicular design thickness between the inner and outer surface of a section shape.

t. Wall Nominal Thickness: the average perpendicular distance between the inner and outer surface of the section shape.

y. Centroid Horizontal: the distance from the centroid of the section shape to the left extremities along the horizontal axis.

z. Centroid Vertical: the distance from the centroid of the section shape to the lower extremities along the vertical axis.

alpha. Principle Axes Angle: the rotational angle between the principle axes and cross section reference planes. This is listed as a Structural Analysis family parameter.

I-split Parallel Flange (hot rolled steel)

B. Width: the external width of the section shape.

H. Height: the external height of the section shape.

T. Flange Thickness: the distance between the exterior surfaces of the flange in the section shape.

t. Web Thickness: the distance between the exterior surfaces of the web in the section shape.

r. Web Fillet: the radius of the fillet between the web and flange.

y. Centroid Horizontal: the distance from the centroid of the section shape to the left extremities along the horizontal axis.

z. Centroid Vertical: the distance from the centroid of the section shape to the lower extremities along the vertical axis.

alpha. Principle Axes Angle: the rotational angle between the principle axes and cross section reference planes. This is listed as a Structural Analysis family parameter.

I-split Sloped Flange (hot rolled steel)

B. Width: the external width of the section shape.

H. Height: the external height of the section shape.

T. Flange Thickness: the distance between the exterior surfaces of the flange in the section shape.

t. Web Thickness: the distance between the exterior surfaces of the web in the section shape.

r1. Web Fillet: the radius of the fillet between the web and flange.

r2. Flange Fillet: the radius of the fillet at the end of a flange in the section shape.

y. Centroid Horizontal: the distance from the centroid of the section shape to the left extremities along the horizontal axis.

z. Centroid Vertical: the distance from the centroid of the section shape to the lower extremities along the vertical axis.

alpha. Principle Axes Angle: the rotational angle between the principle axes and cross section reference planes. This is listed as a Structural Analysis family parameter.

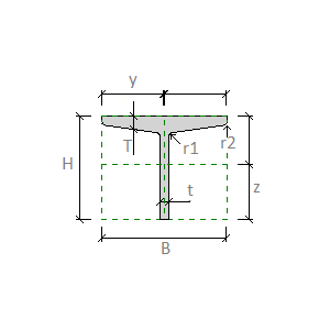
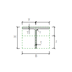
Structural Tees (hot rolled steel)

B. Width: the external width of the section shape.

H. Height: the external height of the section shape.

T. Flange Thickness: the distance between the exterior surfaces of the flange in the section shape.

t. Web Thickness: the distance between the exterior surfaces of the web in the section shape.

r1. Web Fillet: the radius of the fillet between the web and flange.

r2. Flange Fillet: the radius of the fillet at the end of a flange in the section shape.

y. Centroid Horizontal: the distance from the centroid of the section shape to the left extremities along the horizontal axis.

z. Centroid Vertical: the distance from the centroid of the section shape to the lower extremities along the vertical axis.

alpha. Principle Axes Angle: the rotational angle between the principle axes and cross section reference planes. This is listed as a Structural Analysis family parameter.