Procedimiento para basar la distancia de referencia en un objeto distinto del establecido por defecto

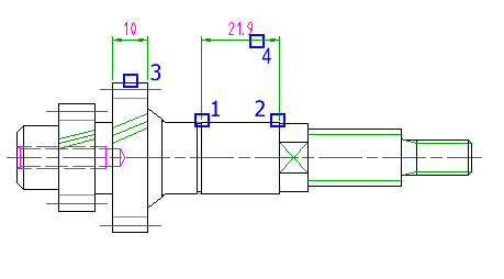
  1. Haga clic en la ficha Iniciogrupo CotaAcotación inteligente. Find
  2. Precise el origen de la primera (1) y de la segunda (2) líneas de referencia.
  3. Cuando se le pida la ubicación de la línea de cota, indique P.
  4. Designe el objeto (3) en el que desea basar la distancia de referencia.
  5. Mueva el puntero a la posición y orientación deseadas de la cota. Haga clic para colocar la línea de cota (4).
    Nota:

    La línea de cota se vuelve roja cuando se ajusta a una distancia predefinida del objeto.

  6. Edite la cota según sea necesario mediante los parámetros de la ficha contextual de la cinta de opciones Acotación inteligente, o bien haga clic en la ficha Acotación inteligenteelemento desplegable Predefinido. y seleccione una plantilla de texto de cota predefinida.
  7. Haga clic en la ficha Acotación inteligentegrupo CerrarCerrar Editor.