Activar la visibilidad de las cotas de boceto automáticas

Las cotas de boceto automáticas están desactivadas por defecto. Aparecen si la familia tiene al menos una cota etiquetada.

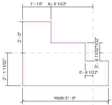
En la imagen siguiente observará que hay una cota añadida a la geometría; sin embargo, la cota carece de texto de etiqueta.

Las cotas de boceto automáticas no son visibles.

Para activar la visibilidad de las cotas de boceto automáticas

  1. En modo de boceto, haga clic en la ficha Vistagrupo Gráficos (Visibilidad/Gráficos) o escriba VG.
  2. En la ficha Categorías de anotación del cuadro de diálogo Modificaciones de visibilidad/gráficos, expanda la categoría Cotas y seleccione Cotas de boceto automáticas.
  3. Haga clic en Aceptar.
  4. Coloque y etiquete una cota.

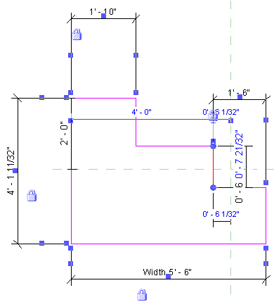
    Aparecen las cotas de boceto automáticas.

Revit sabe dónde está cada línea de esta geometría con relación a los planos de referencia u otras líneas de boceto.

Al añadir cotas bloqueadas, estas sustituyen a las cotas de boceto automáticas, como se muestra a continuación.