Parámetros de cota de forma de sección

Revise y modifique los valores de los parámetros de cota de forma de sección de elementos de armazón estructural.

Estas propiedades se crean a partir del parámetro de categoría de familia Forma de sección que corresponde al elemento.

Forma de sección Parámetros de cota de forma disponibles
Estándar de tubería (acero laminado en caliente)

D. Diámetro: el diámetro externo de la forma de sección redonda.

T. Grosor de diseño de muro: el grosor de diseño perpendicular entre la superficie interna y externa de una forma de sección.

t. Grosor nominal de muro: la distancia perpendicular media entre la superficie interna y externa de la forma de sección.

y. Centroide horizontal: la distancia desde el centroide de la forma de sección hasta las extremidades izquierdas del eje horizontal.

z. Centroide vertical: la distancia desde el centroide de la forma de sección hasta las extremidades inferiores del eje vertical.

alfa. Ángulo de ejes principales: el ángulo de rotación entre los planos de referencia de los ejes principales y la sección transversal. Se muestra como un parámetro de la familia Análisis estructural.

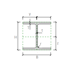
Ala paralela en I (acero laminado en caliente)

B. Anchura: la anchura externa de la forma de sección.

H. Altura: la altura externa de la forma de sección.

T. Grosor de ala: la distancia entre las superficies exteriores del ala en la forma de sección.

t. Grosor de celosía: la distancia entre las superficies exteriores de la celosía en la forma de sección.

r. Empalme de celosía: el radio del empalme entre la celosía y el ala.

y. Centroide horizontal: la distancia desde el centroide de la forma de sección hasta las extremidades izquierdas del eje horizontal.

z. Centroide vertical: la distancia desde el centroide de la forma de sección hasta las extremidades inferiores del eje vertical.

alfa. Ángulo de ejes principales: el ángulo de rotación entre los planos de referencia de los ejes principales y la sección transversal. Se muestra como un parámetro de la familia Análisis estructural.

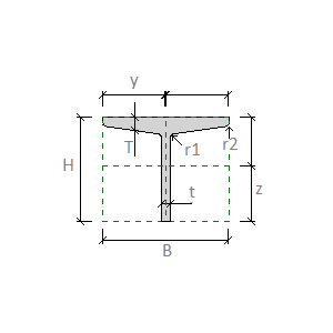
Ala inclinada en I (acero laminado en caliente)

B. Anchura: la anchura externa de la forma de sección.

H. Altura: la altura externa de la forma de sección.

T. Grosor de ala: la distancia entre las superficies exteriores del ala en la forma de sección.

t. Grosor de celosía: la distancia entre las superficies exteriores de la celosía en la forma de sección.

r1. Empalme de celosía: el radio del empalme entre la celosía y el ala.

r2. Empalme de ala: el radio del empalme al final de un ala en la forma de sección.

y. Centroide horizontal: la distancia desde el centroide de la forma de sección hasta las extremidades izquierdas del eje horizontal.

z. Centroide vertical: la distancia desde el centroide de la forma de sección hasta las extremidades inferiores del eje vertical.

alfa. Ángulo de ejes principales: el ángulo de rotación entre los planos de referencia de los ejes principales y la sección transversal. Se muestra como un parámetro de la familia Análisis estructural.

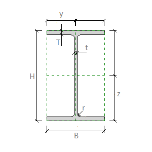
Ala ancha en I (acero laminado en caliente)

B. Anchura: la anchura externa de la forma de sección.

H. Altura: la altura externa de la forma de sección.

T. Grosor de ala: la distancia entre las superficies exteriores del ala en la forma de sección.

t. Grosor de celosía: la distancia entre las superficies exteriores de la celosía en la forma de sección.

r. Empalme de celosía: el radio del empalme entre la celosía y el ala.

y. Centroide horizontal: la distancia desde el centroide de la forma de sección hasta las extremidades izquierdas del eje horizontal.

z. Centroide vertical: la distancia desde el centroide de la forma de sección hasta las extremidades inferiores del eje vertical.

alfa. Ángulo de ejes principales: el ángulo de rotación entre los planos de referencia de los ejes principales y la sección transversal. Se muestra como un parámetro de la familia Análisis estructural.

Ala paralela de canal C (acero laminado en caliente)

B. Anchura: la anchura externa de la forma de sección.

H. Altura: la altura externa de la forma de sección.

T. Grosor de ala: la distancia entre las superficies exteriores del ala en la forma de sección.

t. Grosor de celosía: la distancia entre las superficies exteriores de la celosía en la forma de sección.

r. Empalme de celosía: el radio del empalme entre la celosía y el ala.

y. Centroide horizontal: la distancia desde el centroide de la forma de sección hasta las extremidades izquierdas del eje horizontal.

z. Centroide vertical: la distancia desde el centroide de la forma de sección hasta las extremidades inferiores del eje vertical.

alfa. Ángulo de ejes principales: el ángulo de rotación entre los planos de referencia de los ejes principales y la sección transversal. Se muestra como un parámetro de la familia Análisis estructural.

Ala inclinada de canal C (acero laminado en caliente)

B. Anchura: la anchura externa de la forma de sección.

H. Altura: la altura externa de la forma de sección.

T. Grosor de ala: la distancia entre las superficies exteriores del ala en la forma de sección.

t. Grosor de celosía: la distancia entre las superficies exteriores de la celosía en la forma de sección.

r1. Empalme de celosía: el radio del empalme entre la celosía y el ala.

r2. Empalme de ala: el radio del empalme al final de un ala en la forma de sección.

y. Centroide horizontal: la distancia desde el centroide de la forma de sección hasta las extremidades izquierdas del eje horizontal.

z. Centroide vertical: la distancia desde el centroide de la forma de sección hasta las extremidades inferiores del eje vertical.

alfa. Ángulo de ejes principales: el ángulo de rotación entre los planos de referencia de los ejes principales y la sección transversal. Se muestra como un parámetro de la familia Análisis estructural.

L-Ángulo (acero laminado en caliente)

B. Anchura: la anchura externa de la forma de sección.

H. Altura: la altura externa de la forma de sección.

T. Grosor de ala: la distancia entre las superficies exteriores del ala en la forma de sección.

t. Grosor de celosía: la distancia entre las superficies exteriores de la celosía en la forma de sección.

r1. Empalme de celosía: el radio del empalme entre la celosía y el ala.

r2. Empalme de ala: el radio del empalme al final de un ala en la forma de sección.

y. Centroide horizontal: la distancia desde el centroide de la forma de sección hasta las extremidades izquierdas del eje horizontal.

z. Centroide vertical: la distancia desde el centroide de la forma de sección hasta las extremidades inferiores del eje vertical.

alfa. Ángulo de ejes principales: el ángulo de rotación entre los planos de referencia de los ejes principales y la sección transversal. Se muestra como un parámetro de la familia Análisis estructural.

Barra rectangular

B. Anchura: la anchura externa de la forma de sección.

H. Altura: la altura externa de la forma de sección.

y. Centroide horizontal: la distancia desde el centroide de la forma de sección hasta las extremidades izquierdas del eje horizontal.

z. Centroide vertical: la distancia desde el centroide de la forma de sección hasta las extremidades inferiores del eje vertical.

alfa. Ángulo de ejes principales: el ángulo de rotación entre los planos de referencia de los ejes principales y la sección transversal. Se muestra como un parámetro de la familia Análisis estructural.

Barra redonda

D. Diámetro: el diámetro externo de la forma de sección redonda.

y. Centroide horizontal: la distancia desde el centroide de la forma de sección hasta las extremidades izquierdas del eje horizontal.

z. Centroide vertical: la distancia desde el centroide de la forma de sección hasta las extremidades inferiores del eje vertical.

alfa. Ángulo de ejes principales: el ángulo de rotación entre los planos de referencia de los ejes principales y la sección transversal. Se muestra como un parámetro de la familia Análisis estructural.

HSS rectangular (acero conformado en frío)

B. Anchura: la anchura externa de la forma de sección.

H. Altura: la altura externa de la forma de sección.

T. Grosor de diseño de muro: el grosor de diseño perpendicular entre la superficie interna y externa de una forma de sección.

t. Grosor nominal de muro: la distancia perpendicular media entre la superficie interna y externa de la forma de sección.

r1. Empalme interior: el radio del empalme de la esquina interior de una forma de sección estructural hueca rectangular.

r2. Empalme exterior: el radio del empalme de la esquina exterior de una forma de sección estructural hueca rectangular.

y. Centroide horizontal: la distancia desde el centroide de la forma de sección hasta las extremidades izquierdas del eje horizontal.

z. Centroide vertical: la distancia desde el centroide de la forma de sección hasta las extremidades inferiores del eje vertical.

alfa. Ángulo de ejes principales: el ángulo de rotación entre los planos de referencia de los ejes principales y la sección transversal. Se muestra como un parámetro de la familia Análisis estructural.

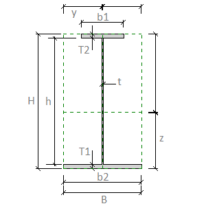
Soldada, en forma de I (acero almenado y soldado)

B. Anchura: la anchura externa de la forma de sección.

H. Altura: la altura externa de la forma de sección.

T2. Grosor de ala superior: la distancia entre las superficies exteriores del ala superior en la forma de sección de un elemento almenado o soldado.

b1. Anchura de ala superior: la anchura externa del ala superior en la forma de sección de un elemento almenado o soldado.

T1. Grosor de ala inferior: la distancia entre las superficies exteriores del ala inferior de la forma de sección de un elemento almenado o soldado.

b2. Anchura de ala inferior: la anchura externa del ala inferior en la forma de sección de un elemento almenado o soldado.

t. Grosor de celosía: la distancia entre las superficies exteriores de la celosía en la forma de sección.

h. Altura de celosía: la distancia a lo largo de la celosía entre las alas en la forma de sección.

y. Centroide horizontal: la distancia desde el centroide de la forma de sección hasta las extremidades izquierdas del eje horizontal.

z. Centroide vertical: la distancia desde el centroide de la forma de sección hasta las extremidades inferiores del eje vertical.

alfa. Ángulo de ejes principales: el ángulo de rotación entre los planos de referencia de los ejes principales y la sección transversal. Se muestra como un parámetro de la familia Análisis estructural.

HSS redondo (acero conformado en frío)

D. Diámetro: el diámetro externo de la forma de sección redonda.

T. Grosor de diseño de muro: el grosor de diseño perpendicular entre la superficie interna y externa de una forma de sección.

t. Grosor nominal de muro: la distancia perpendicular media entre la superficie interna y externa de la forma de sección.

y. Centroide horizontal: la distancia desde el centroide de la forma de sección hasta las extremidades izquierdas del eje horizontal.

z. Centroide vertical: la distancia desde el centroide de la forma de sección hasta las extremidades inferiores del eje vertical.

alfa. Ángulo de ejes principales: el ángulo de rotación entre los planos de referencia de los ejes principales y la sección transversal. Se muestra como un parámetro de la familia Análisis estructural.

Ala paralela en I dividida (acero laminado en caliente)

B. Anchura: la anchura externa de la forma de sección.

H. Altura: la altura externa de la forma de sección.

T. Grosor de ala: la distancia entre las superficies exteriores del ala en la forma de sección.

t. Grosor de celosía: la distancia entre las superficies exteriores de la celosía en la forma de sección.

r. Empalme de celosía: el radio del empalme entre la celosía y el ala.

y. Centroide horizontal: la distancia desde el centroide de la forma de sección hasta las extremidades izquierdas del eje horizontal.

z. Centroide vertical: la distancia desde el centroide de la forma de sección hasta las extremidades inferiores del eje vertical.

alfa. Ángulo de ejes principales: el ángulo de rotación entre los planos de referencia de los ejes principales y la sección transversal. Se muestra como un parámetro de la familia Análisis estructural.

Ala inclinada en I dividida (acero laminado en caliente)

B. Anchura: la anchura externa de la forma de sección.

H. Altura: la altura externa de la forma de sección.

T. Grosor de ala: la distancia entre las superficies exteriores del ala en la forma de sección.

t. Grosor de celosía: la distancia entre las superficies exteriores de la celosía en la forma de sección.

r1. Empalme de celosía: el radio del empalme entre la celosía y el ala.

r2. Empalme de ala: el radio del empalme al final de un ala en la forma de sección.

y. Centroide horizontal: la distancia desde el centroide de la forma de sección hasta las extremidades izquierdas del eje horizontal.

z. Centroide vertical: la distancia desde el centroide de la forma de sección hasta las extremidades inferiores del eje vertical.

alfa. Ángulo de ejes principales: el ángulo de rotación entre los planos de referencia de los ejes principales y la sección transversal. Se muestra como un parámetro de la familia Análisis estructural.

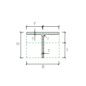
Tes estructurales (acero laminado en caliente)

B. Anchura: la anchura externa de la forma de sección.

H. Altura: la altura externa de la forma de sección.

T. Grosor de ala: la distancia entre las superficies exteriores del ala en la forma de sección.

t. Grosor de celosía: la distancia entre las superficies exteriores de la celosía en la forma de sección.

r1. Empalme de celosía: el radio del empalme entre la celosía y el ala.

r2. Empalme de ala: el radio del empalme al final de un ala en la forma de sección.

y. Centroide horizontal: la distancia desde el centroide de la forma de sección hasta las extremidades izquierdas del eje horizontal.

z. Centroide vertical: la distancia desde el centroide de la forma de sección hasta las extremidades inferiores del eje vertical.

alfa. Ángulo de ejes principales: el ángulo de rotación entre los planos de referencia de los ejes principales y la sección transversal. Se muestra como un parámetro de la familia Análisis estructural.