Dans le module Autodesk AutoCAD Structural Detailing - Formwork Drawings, vous pouvez définir et modifier les types prédéfinis suivants de semelles isolées :
|
1. Semelle rectangulaire |
|
|
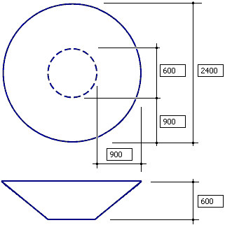
2. Semelle circulaire |
|
|
|
|
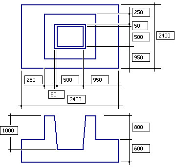
3. Semelle de forme arbitraire |
|
|
|
|
4. Semelle rectangulaire avec fût |
|
|
|
|
5. Semelle trapézoïdale |
|
|
|
|
6. Semelle trapézoïdale avec fût |
|
|
|
|
7. Chapiteau trapézoïdal type 1 |
|
|
|
|
8. Chapiteau trapézoïdal type 2 |
|
|
|
|
9. Chapiteau conique type 1 |
|
|
|
|
10. Chapiteau conique type 2 |
|
|
|
|
11. Semelle avec encuvement (rectangulaire) |
|
|
|
|
12. Semelle avec encuvement (trapézoïdale) |
|
|