Remarque : Une échelle a été définie dans l'image 3D présentée dans le dessin ci-dessous.
Pour définir une échelle, il faut :
- Définissez une image 3D comme indiqué dans le dessin ci-dessus.
- Cliquez sur l'option Echelle
.
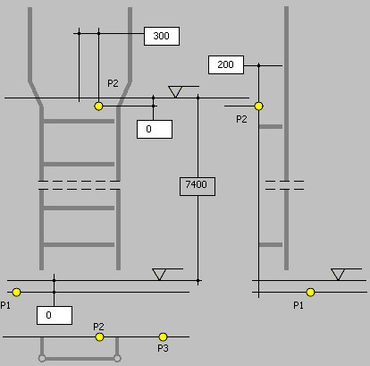
- indiquer trois points définissant la position de l’échelle : P1, P2 et P3 – voir la figure ci-dessous
- Dans la boîte de dialogue Echelles, onglet Position, définissez les cotes comme sur la figure ci-dessous :
- passer à l’onglet Barres verticales et sélectionner les options suivantes :
- Pour Type de débords des barres, sélectionnez Simple.
- Pour Profilés, sélectionnez LP 3.5x3.5x0.25.
- Pour Familles, sélectionnez Profilé.
- Pour Matériaux, sélectionnez Acier.
- Entrez les cotes comme indiqué ci-dessous :
- Dans l'onglet Barreaux, spécifiez les paramètres suivants :
- Pour Assemblages des barreaux, sélectionnez Simples.
- Pour Profilés, sélectionnez C 3x6.
- Pour Familles, sélectionnez Profilé.
- Pour Matériaux, sélectionnez Acier.
- Entrez les cotes comme indiqué ci-dessous :
- passer à l’onglet Assemblages et activer l’option Base de l’échelle au niveau inférieur (l’échelle sera assemblée au niveau de marche inférieur). A la liste des assemblages, la fixation supplémentaire au niveau inférieur sera ajoutée ; sélectionner cet assemblage (il est alors mis en surbrillance), cliquer sur le bouton Propriétés et valider les valeurs par défaut de l’assemblage dans la boîte de dialogue Propriétés de l’assemblage par un clic sur le bouton OK
- Dans la partie inférieure de la boîte de dialogue, spécifiez les paramètres des boulons :
- Diamètre du boulon = 0.625
- Classe = 4.8
- cliquer sur le bouton Enregistrer (une boîte de dialogue supplémentaire s’ouvre et vous pouvez saisir le nom du modèle, p. ex. Echelle 1 et l’enregistrer dans un fichier externe) – après la réouverture de la boîte de dialogue de définition de l’échelle, ce nom sera disponible dans le champ Utiliser modèle
- cliquer sur le bouton OK ; l’échelle définie sera générée dans le lieu voulu du portique spatial – le fragment du portique est montré sur la figure ci-dessous.
