Vous pouvez définir la géométrie d'une cage d'escalier.
Pour commencer à définir un escalier, ouvrez la boîte de dialogue Cage d'escalier comme suit :
- Menu : Acier > Structures paramétrées > Cage d'escalier
- Ruban : ASD - Modèle > Structures paramétrées > Cage d'escalier
- Barre d'outils : Structures paramétrées > Cage d'escalier
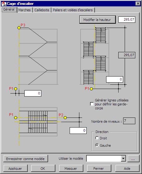
Dans la zone de dessin, cliquez pour spécifier les points caractéristiques d'une cage d'escalier (définition de points P1, P2, et P3, comme illustré dans le dessin ci-dessous).
Utilisez les options de la boîte de dialogue Cage d'escalier pour définir la géométrie :
- Modifiez la hauteur : cliquez sur ce bouton pour modifier la hauteur d'une cage d'escalier, entrez la nouvelle valeur dans le champ d'édition)
- Générer lignes utilisées pour définir les garde-corps : si vous sélectionnez cette option, le programme trace des lignes sont utilisés pour générer les garde-corps
- Nombre de niveaux : évalué à partir de la distance entre les points qui constituent la base de la définition de la géométrie de la cage d'escalier. Ce champ en lecture seule peut changer après l'ajout ou la suppression de niveaux dans les onglets Paliers et Volées.
- Définissez le point d'insertion P1 le long de trois directions (X, Y, Z).
- Pour la direction, sélectionnez le côté de l'axe longitudinal d'une cage d'escalier sur lequel la première volée d'escalier doit être placée.