Déplacez un circuit vers un nouvel emplacement et mettez à jour tous les composants qui lui sont associés.
Lorsque vous déplacez un circuit, la plupart des composants pères présents dans le circuit sont automatiquement réévalués puisque le dessin est configuré pour un repérage des composants basé sur les références. Lors du déplacement du circuit, vous modifiez les emplacements de référence des composants déplacés. Les composants fils associés sont mis à jour afin de correspondre aux nouveaux repères père, ce qui inclut les références sur les autres dessins du projet.
Déplacement de la localisation d'un circuit

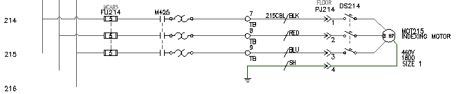
Ce circuit contient des repères de composant


. Trouver
Sélectionnez les objets :
Placez le circuit à la référence de ligne 215 dans une fenêtre pour capturer le fil et les points de connexion qui se connectent à la liaison verticale, puis cliquez dessus avec le bouton droit de la souris

Appuyez sur F9 pour activer l'accrochage.
Spécifiez le point de base ou déplacement :
Sélectionnez un point de base, puis sélectionnez un point à la référence de ligne 214
Les circuits sont déplacés, les composants affectés sont réévalués et les références croisées sont mises à jour sur la base de la nouvelle référence de ligne. Chaque repère de composant père répertorié est décrémenté d'une unité. Par exemple, le fusible FU215 est devenu FU 214.


Les références de fils associées sur le dessin actif sont mises à jour afin de correspondre aux composants père qui viennent d'être réévalués.
Il s'ensuit alors la mise à jour des références de présentation des panneaux et des composants fils associés sur les autres dessins qui doivent correspondre aux composants pères sur le circuit déplacé.


. Trouver
La boîte de dialogue Naviguer affiche trois références sur la feuille 2 et une référence sur la feuille 9.
Le Navigateur accède à la représentation du panneau de contrôle et effectue un zoom sur la représentation physique de ce fusible tripolaire. Notez que la représentation physique du repère de boîtier fusible a été mise à jour en raison du déplacement du circuit.
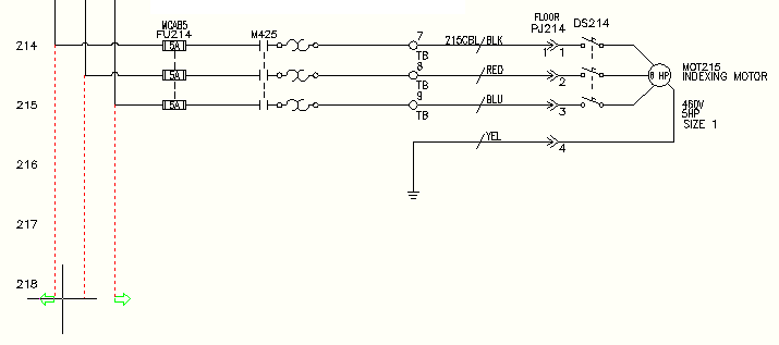
Le fait de déplacer le circuit moteur d'une référence de ligne vers le haut a libéré un peu plus d'espace pour l'ajout d'un nouveau circuit au-dessous. L'étape suivante consiste à étendre la liaison triphasée vers le bas, jusqu'à la référence de ligne 218 et sur la droite pour commencer la construction d'un nouveau circuit moteur.
Extension de la liaison triphasée

. Trouver
Trajet/Capture/Zext/<Sélectionner le fil à COUPER> :
Cliquez sur les extrémités inférieures des trois fils libres, puis cliquez avec le bouton droit de la souris

Vous pouvez insérer une liaison triphasée verticale ou horizontale. Une liaison triphasée se coupe automatiquement et se reconnecte à tout composant sous-jacent qu'elle trouve sur son chemin. Si elle croise un câblage existant, des jeux de croisement de fils sont insérés.

. Trouver
Espacement horizontal : 0.5
Espacement vertical : 0.5
Point de départ : Autre liaison (plusieurs fils)
Nombre de fils : 3 3

Sélectionnez un fil existant pour commencer une connexion à liaison multiphasée :
Sélectionnez le coin inférieur de la liaison verticale la plus à gauche sur la référence de ligne 214, comme illustré

Sélectionnez un fil existant pour commencer une connexion à liaison multiphasée : vers
Déplacez le curseur à la référence de ligne 218.
Des graphiques temporaires illustrent le routage proposé de la liaison étendue.

Les symboles de connexion des fils et de la liaison triphasée sont insérés sur le dessin.
