Pour baser l'accrochage à distance sur un objet autre que l'objet par défaut

  1. Cliquez sur l'onglet Débutle groupe de fonctions CoteCotation avancée. Trouver
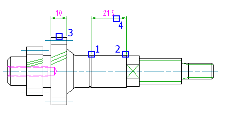
  2. Indiquez la première (1) et la deuxième (2) origines de la ligne d'attache.
  3. Lorsque vous devez préciser l'emplacement de la ligne de cote, entrez P.
  4. Sélectionnez l'objet (3) sur lequel l'accrochage à distance reposera.
  5. Déplacez le pointeur vers l'emplacement et l'orientation souhaités de la cote. Cliquez pour positionner la ligne de cote (4).
    Remarque :

    La ligne de cote devient rouge lorsqu'elle s'accroche à une distance prédéfinie de l'objet.

  6. Apportez les modifications nécessaires à la cote en utilisant les paramètres de l'onglet contextuel Cotation avancée du ruban ou en cliquant sur l'onglet Cotation avancéela liste déroulante Prédéfini. et sélectionnez un gabarit de texte de cote prédéfini.
  7. Cliquez sur l'onglet Cotation avancéele groupe de fonctions FermerFermer l'éditeur.