Etirez la géométrie sélectionnée. Les contraintes associées à la géométrie sélectionnée ont un impact sur l'opération d'étirement.
- Cliquez sur l'onglet Esquisse
le groupe de fonctions Modifier
Etirer
. La boîte de dialogue Etirer s'ouvre avec la commande de sélection activée.
- Dans la fenêtre graphique, sélectionnez la géométrie ou le groupe de géométrie à l'aide de la fenêtre de sélection. Cliquez avec le bouton droit de la souris et choisissez Continuer pour fermer la commande Sélectionner et activez Point de base dans la boîte de dialogue Etirer.
Conseil : Si une seule géométrie doit être sélectionnée avant la sélection du point de centre, utilisez l'option Optimiser pour une sélection unique. Ensuite, la commande Point de base est automatiquement activée après avoir sélectionné la première géométrie.
- Choisissez une méthode pour définir le point de base et l'extrémité de l'opération d'étirement :
Etirement à l'aide du pointeur
- Pour définir le point de base de l'opération d'étirement, cliquez dans la fenêtre graphique. L'aperçu dynamique affiche des lignes discontinues qui représentent la géométrie d'origine et des lignes pleines qui représentent la géométrie pivotée. La géométrie sélectionnée s'étire avec le pointeur jusqu'au décalage constant qui établit la sélection du point de base.
- Faites glisser le pointeur dans la fenêtre graphique. Vous n'avez pas besoin de maintenir le bouton de la souris enfoncé. Lorsque vous déplacez le pointeur, la barre d'état indique les coordonnées d'esquisse absolues. La nouvelle position et forme sont mises à jour de façon dynamique.
Conseil : Tandis que vous faites glisser le pointeur vers l'emplacement approximatif, l'extrémité s'accroche à l'axe horizontal ou vertical le plus proche. Pour remplacer cette fonction d'accrochage, maintenez la touche
Ctrl enfoncée pendant que vous faites glisser le curseur, ou dans les options d'application

sur l'onglet Esquisse, désactivez l'option Accrocher à la grille.
- Si des contraintes empêchent l'opération d'étirement, cliquez sur Autres
et définissez des remplacements pour relâcher les contraintes dimensionnelles ou rompre les contraintes géométriques.
- Cliquez pour définir l'extrémité.
Conseil : Cliquez sur Retour arrière pour rétablir l'extrémité d'origine.
Etirement à l'aide des coordonnées précises
- Pour afficher la barre d'outils Coordonnées précises, sélectionnez la case à cocher du même nom.
- Entrez les coordonnées du point de base et appuyez sur Entrée. L'aperçu dynamique affiche des lignes discontinues qui représentent la géométrie d'origine et des lignes pleines qui représentent la géométrie pivotée. La géométrie sélectionnée s'étire avec le pointeur jusqu'au décalage constant qui établit la sélection du point de base. La barre d'état indique les coordonnées d'esquisse absolues du pointeur.
- Si des contraintes empêchent l'opération d'étirement, cliquez sur Autres
et définissez des remplacements pour relâcher les contraintes dimensionnelles ou rompre les contraintes géométriques.
- Dans la barre d'outils Coordonnées précises, entrez les coordonnées de l'extrémité, puis appuyez sur la touche Entrée.
Conseil : Vous pouvez utiliser la barre d'outils Coordonnées précises pour contraindre le mouvement du pointeur vers une valeur X ou Y spécifique. Par exemple, si vous entrez 6.5 dans le champ X, vous pouvez faire glisser le pointeur sur l'axe Y, X étant contraint à 6.5. Vous pouvez ensuite soit entrer une valeur dans le champ Y, soit cliquer dans la fenêtre graphique pour définir le point.
Conseil : Cliquez sur Retour arrière pour rétablir l'extrémité d'origine.
- Cliquez avec le bouton droit de la souris et choisissez Terminer, puis cliquez sur Terminer dans la boîte de dialogue ou appuyez sur la touche ECHAP.
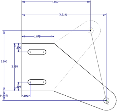
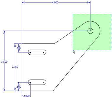
Exemple d'étirement
La commande Etirer est active, et les deux lignes et l'arc de connexion sont sélectionnés à l'aide de la méthode de sélection de la fenêtre.
La géométrie est sélectionnée dans la fenêtre graphique et le point de base est sélectionné dans la boîte de dialogue Etirer. La géométrie s'étend vers sa nouvelle position. Toutes les cotes nécessaires sont relâchées. Les cotes d'origine s'affichent normalement, et les nouvelles cotes apparaissent entre parenthèses. Seules deux des cotes ont changé. Les lignes pointillées représentent la position d'origine de la géométrie.