Paramètres de cote de forme de coupe

Passez en revue et modifiez les valeurs des paramètres de cote de forme de coupe des éléments d'ossature.

Ces propriétés sont créées à partir du paramètre de catégorie de famille Forme de coupe de l'élément.

Forme de coupe Paramètres de forme de cote disponibles
Canalisation standard (acier laminé à chaud)

D.. Diamètre : diamètre externe de la forme de coupe circulaire.

T. Epaisseur de conception du mur : épaisseur de conception perpendiculaire entre les surfaces extérieure et intérieure d'une forme de coupe.

t. Epaisseur nominale du mur : distance perpendiculaire moyenne entre les surfaces intérieure et extérieure de la forme de coupe.

y. Centre de gravité horizontal : distance entre le centre de gravité de la forme de coupe et les extrémités de gauche le long de l'axe horizontal.

z . Centre de gravité vertical : distance entre le centre de gravité de la forme de coupe et les extrémités inférieures le long de l'axe vertical.

alpha. Angle des axes principaux : angle de rotation entre les axes principaux et les plans de référence de la coupe. Cette option est répertoriée en tant que paramètre de famille Analyse structurelle.

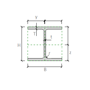
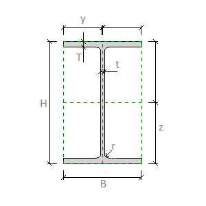
Eléments à ailes parallèles en I (acier laminé à chaud)

B. : Largeur : largeur externe de la forme de coupe.

H. Hauteur : hauteur externe de la forme de coupe.

T. Epaisseur de l'aile : distance entre les surfaces extérieures de l'aile dans la forme de la coupe.

t. Epaisseur de l'âme : distance entre les surfaces extérieures de l'âme dans la forme de coupe.

r. Congé de l'âme : rayon du congé entre l'âme et l'aile.

y. Centre de gravité horizontal : distance entre le centre de gravité de la forme de coupe et les extrémités de gauche le long de l'axe horizontal.

z . Centre de gravité vertical : distance entre le centre de gravité de la forme de coupe et les extrémités inférieures le long de l'axe vertical.

alpha. Angle des axes principaux : angle de rotation entre les axes principaux et les plans de référence de la coupe. Cette option est répertoriée en tant que paramètre de famille Analyse structurelle.

Eléments à ailes inclinées en I (acier laminé à chaud)

B. : Largeur : largeur externe de la forme de coupe.

H. Hauteur : hauteur externe de la forme de coupe.

T. Epaisseur de l'aile : distance entre les surfaces extérieures de l'aile dans la forme de la coupe.

t. Epaisseur de l'âme : distance entre les surfaces extérieures de l'âme dans la forme de coupe.

r1. Congé de l'âme : rayon du congé entre l'âme et l'aile.

r2. Congé de l'aile : rayon du congé à l'extrémité d'une aile dans la forme de coupe.

y. Centre de gravité horizontal : distance entre le centre de gravité de la forme de coupe et les extrémités de gauche le long de l'axe horizontal.

z . Centre de gravité vertical : distance entre le centre de gravité de la forme de coupe et les extrémités inférieures le long de l'axe vertical.

alpha. Angle des axes principaux : angle de rotation entre les axes principaux et les plans de référence de la coupe. Cette option est répertoriée en tant que paramètre de famille Analyse structurelle.

Eléments à ailes larges en I (acier laminé à chaud)

B. : Largeur : largeur externe de la forme de coupe.

H. Hauteur : hauteur externe de la forme de coupe.

T. Epaisseur de l'aile : distance entre les surfaces extérieures de l'aile dans la forme de la coupe.

t. Epaisseur de l'âme : distance entre les surfaces extérieures de l'âme dans la forme de coupe.

r. Congé de l'âme : rayon du congé entre l'âme et l'aile.

y. Centre de gravité horizontal : distance entre le centre de gravité de la forme de coupe et les extrémités de gauche le long de l'axe horizontal.

z . Centre de gravité vertical : distance entre le centre de gravité de la forme de coupe et les extrémités inférieures le long de l'axe vertical.

alpha. Angle des axes principaux : angle de rotation entre les axes principaux et les plans de référence de la coupe. Cette option est répertoriée en tant que paramètre de famille Analyse structurelle.

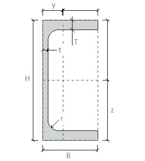
Profilé en C à ailes parallèles (acier laminé à chaud)

B. : Largeur : largeur externe de la forme de coupe.

H. Hauteur : hauteur externe de la forme de coupe.

T. Epaisseur de l'aile : distance entre les surfaces extérieures de l'aile dans la forme de la coupe.

t. Epaisseur de l'âme : distance entre les surfaces extérieures de l'âme dans la forme de coupe.

r. Congé de l'âme : rayon du congé entre l'âme et l'aile.

y. Centre de gravité horizontal : distance entre le centre de gravité de la forme de coupe et les extrémités de gauche le long de l'axe horizontal.

z . Centre de gravité vertical : distance entre le centre de gravité de la forme de coupe et les extrémités inférieures le long de l'axe vertical.

alpha. Angle des axes principaux : angle de rotation entre les axes principaux et les plans de référence de la coupe. Cette option est répertoriée en tant que paramètre de famille Analyse structurelle.

Profilé en C à ailes inclinées (acier laminé à chaud)

B. : Largeur : largeur externe de la forme de coupe.

H. Hauteur : hauteur externe de la forme de coupe.

T. Epaisseur de l'aile : distance entre les surfaces extérieures de l'aile dans la forme de la coupe.

t. Epaisseur de l'âme : distance entre les surfaces extérieures de l'âme dans la forme de coupe.

r1. Congé de l'âme : rayon du congé entre l'âme et l'aile.

r2. Congé de l'aile : rayon du congé à l'extrémité d'une aile dans la forme de coupe.

y. Centre de gravité horizontal : distance entre le centre de gravité de la forme de coupe et les extrémités de gauche le long de l'axe horizontal.

z . Centre de gravité vertical : distance entre le centre de gravité de la forme de coupe et les extrémités inférieures le long de l'axe vertical.

alpha. Angle des axes principaux : angle de rotation entre les axes principaux et les plans de référence de la coupe. Cette option est répertoriée en tant que paramètre de famille Analyse structurelle.

Angle en L (acier laminé à chaud)

B. : Largeur : largeur externe de la forme de coupe.

H. Hauteur : hauteur externe de la forme de coupe.

T. Epaisseur de l'aile : distance entre les surfaces extérieures de l'aile dans la forme de la coupe.

t. Epaisseur de l'âme : distance entre les surfaces extérieures de l'âme dans la forme de coupe.

r1. Congé de l'âme : rayon du congé entre l'âme et l'aile.

r2. Congé de l'aile : rayon du congé à l'extrémité d'une aile dans la forme de coupe.

y. Centre de gravité horizontal : distance entre le centre de gravité de la forme de coupe et les extrémités de gauche le long de l'axe horizontal.

z . Centre de gravité vertical : distance entre le centre de gravité de la forme de coupe et les extrémités inférieures le long de l'axe vertical.

alpha. Angle des axes principaux : angle de rotation entre les axes principaux et les plans de référence de la coupe. Cette option est répertoriée en tant que paramètre de famille Analyse structurelle.

Barre rectangulaire

B. : Largeur : largeur externe de la forme de coupe.

H. Hauteur : hauteur externe de la forme de coupe.

y. Centre de gravité horizontal : distance entre le centre de gravité de la forme de coupe et les extrémités de gauche le long de l'axe horizontal.

z . Centre de gravité vertical : distance entre le centre de gravité de la forme de coupe et les extrémités inférieures le long de l'axe vertical.

alpha. Angle des axes principaux : angle de rotation entre les axes principaux et les plans de référence de la coupe. Cette option est répertoriée en tant que paramètre de famille Analyse structurelle.

Barre ronde

D.. Diamètre : diamètre externe de la forme de coupe circulaire.

y. Centre de gravité horizontal : distance entre le centre de gravité de la forme de coupe et les extrémités de gauche le long de l'axe horizontal.

z . Centre de gravité vertical : distance entre le centre de gravité de la forme de coupe et les extrémités inférieures le long de l'axe vertical.

alpha. Angle des axes principaux : angle de rotation entre les axes principaux et les plans de référence de la coupe. Cette option est répertoriée en tant que paramètre de famille Analyse structurelle.

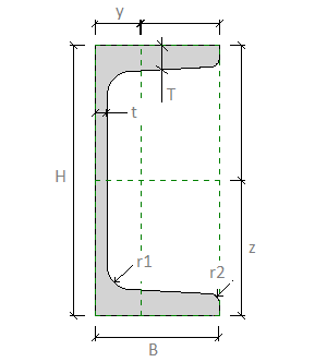
Eléments de structure creux rectangulaires (acier plié à froid)

B. : Largeur : largeur externe de la forme de coupe.

H. Hauteur : hauteur externe de la forme de coupe.

T. Epaisseur de conception du mur : épaisseur de conception perpendiculaire entre les surfaces extérieure et intérieure d'une forme de coupe.

t. Epaisseur nominale du mur : distance perpendiculaire moyenne entre les surfaces intérieure et extérieure de la forme de coupe.

r1. Congé interne : rayon du congé d'angle interne d'une forme de tube de construction rectangulaire.

r2. Congé externe : rayon du congé d'angle externe d'une forme de tube de construction rectangulaire.

y. Centre de gravité horizontal : distance entre le centre de gravité de la forme de coupe et les extrémités de gauche le long de l'axe horizontal.

z . Centre de gravité vertical : distance entre le centre de gravité de la forme de coupe et les extrémités inférieures le long de l'axe vertical.

alpha. Angle des axes principaux : angle de rotation entre les axes principaux et les plans de référence de la coupe. Cette option est répertoriée en tant que paramètre de famille Analyse structurelle.

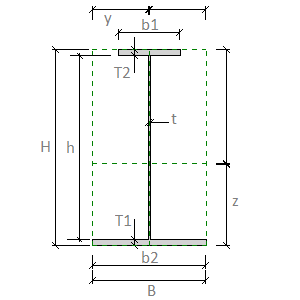
Eléments soudés en I (acier ajouré et soudé)

B. : Largeur : largeur externe de la forme de coupe.

H. Hauteur : hauteur externe de la forme de coupe.

T2. Epaisseur de l'aile supérieure : distance entre les surfaces extérieures de l'aile supérieure dans la forme de coupe d'un élément ajouré ou soudé.

b1. Largeur de l'aile supérieure : largeur externe de l'aile supérieure dans la forme de coupe d'un élément ajouré ou soudé.

T1. Epaisseur de l'aile inférieure : distance entre les surfaces extérieures de l'aile inférieure dans la forme de coupe d'un élément ajouré ou soudé.

b2. Largeur de l'aile inférieure : largeur externe de l'aile inférieure dans la forme de coupe d'un élément ajouré ou soudé.

t. Epaisseur de l'âme : distance entre les surfaces extérieures de l'âme dans la forme de coupe.

h. Hauteur de l'âme : distance le long de l'âme entre les ailes dans la forme de coupe.

y. Centre de gravité horizontal : distance entre le centre de gravité de la forme de coupe et les extrémités de gauche le long de l'axe horizontal.

z . Centre de gravité vertical : distance entre le centre de gravité de la forme de coupe et les extrémités inférieures le long de l'axe vertical.

alpha. Angle des axes principaux : angle de rotation entre les axes principaux et les plans de référence de la coupe. Cette option est répertoriée en tant que paramètre de famille Analyse structurelle.

Eléments de structure creux ronds (acier plié à froid)

D.. Diamètre : diamètre externe de la forme de coupe circulaire.

T. Epaisseur de conception du mur : épaisseur de conception perpendiculaire entre les surfaces extérieure et intérieure d'une forme de coupe.

t. Epaisseur nominale du mur : distance perpendiculaire moyenne entre les surfaces intérieure et extérieure de la forme de coupe.

y. Centre de gravité horizontal : distance entre le centre de gravité de la forme de coupe et les extrémités de gauche le long de l'axe horizontal.

z . Centre de gravité vertical : distance entre le centre de gravité de la forme de coupe et les extrémités inférieures le long de l'axe vertical.

alpha. Angle des axes principaux : angle de rotation entre les axes principaux et les plans de référence de la coupe. Cette option est répertoriée en tant que paramètre de famille Analyse structurelle.

Eléments à ailes parallèles en I (acier laminé à chaud)

B. : Largeur : largeur externe de la forme de coupe.

H. Hauteur : hauteur externe de la forme de coupe.

T. Epaisseur de l'aile : distance entre les surfaces extérieures de l'aile dans la forme de la coupe.

t. Epaisseur de l'âme : distance entre les surfaces extérieures de l'âme dans la forme de coupe.

r. Congé de l'âme : rayon du congé entre l'âme et l'aile.

y. Centre de gravité horizontal : distance entre le centre de gravité de la forme de coupe et les extrémités de gauche le long de l'axe horizontal.

z . Centre de gravité vertical : distance entre le centre de gravité de la forme de coupe et les extrémités inférieures le long de l'axe vertical.

alpha. Angle des axes principaux : angle de rotation entre les axes principaux et les plans de référence de la coupe. Cette option est répertoriée en tant que paramètre de famille Analyse structurelle.

Eléments à ailes inclinées en I (acier laminé à chaud)

B. : Largeur : largeur externe de la forme de coupe.

H. Hauteur : hauteur externe de la forme de coupe.

T. Epaisseur de l'aile : distance entre les surfaces extérieures de l'aile dans la forme de la coupe.

t. Epaisseur de l'âme : distance entre les surfaces extérieures de l'âme dans la forme de coupe.

r1. Congé de l'âme : rayon du congé entre l'âme et l'aile.

r2. Congé de l'aile : rayon du congé à l'extrémité d'une aile dans la forme de coupe.

y. Centre de gravité horizontal : distance entre le centre de gravité de la forme de coupe et les extrémités de gauche le long de l'axe horizontal.

z . Centre de gravité vertical : distance entre le centre de gravité de la forme de coupe et les extrémités inférieures le long de l'axe vertical.

alpha. Angle des axes principaux : angle de rotation entre les axes principaux et les plans de référence de la coupe. Cette option est répertoriée en tant que paramètre de famille Analyse structurelle.

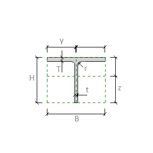
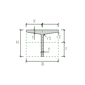
Profilés en T (acier laminé à chaud)

B. : Largeur : largeur externe de la forme de coupe.

H. Hauteur : hauteur externe de la forme de coupe.

T. Epaisseur de l'aile : distance entre les surfaces extérieures de l'aile dans la forme de la coupe.

t. Epaisseur de l'âme : distance entre les surfaces extérieures de l'âme dans la forme de coupe.

r1. Congé de l'âme : rayon du congé entre l'âme et l'aile.

r2. Congé de l'aile : rayon du congé à l'extrémité d'une aile dans la forme de coupe.

y. Centre de gravité horizontal : distance entre le centre de gravité de la forme de coupe et les extrémités de gauche le long de l'axe horizontal.

z . Centre de gravité vertical : distance entre le centre de gravité de la forme de coupe et les extrémités inférieures le long de l'axe vertical.

alpha. Angle des axes principaux : angle de rotation entre les axes principaux et les plans de référence de la coupe. Cette option est répertoriée en tant que paramètre de famille Analyse structurelle.