Ez az alkotóelem egy meglévő út egyik oldalának bevonására szolgál, és egy vagy több forgalmi sávot ad hozzá egy szegélysarok körül futó élhez.
Hasonló a BevonásSzélesítésIllesztésEsés1 alkotóelemhez, jelentős különbség, hogy ennek túlnyúlása egy meglévő vagy tervezett szegély karimapontjától befelé történik.

A csatolási pont a sáv kiszélesedő részének külső élénél található. Ez az alkotóelem általában egy meglévő vagy tervezett szegély és vízlevezető csatorna peremétől befelé, vagy a burkolat szegélysarok körül futó élétől kifelé illeszthető be.
Megjegyzés: Minden méret méterben vagy lábban van megadva, ha nincs feltüntetve más mértékegység. Az összes rézsű a távolság-magasság arányában van megadva (például 4 : 1), ha nincs „%” jellel ellátva.
|
Paraméter |
Leírás |
Típus |
Alapértelmezett |
|---|---|---|---|
|
Oldal |
Annak megadása, hogy az alkotóelem a csatolási pont melyik oldalán lesz hozzáadva. |
Boole |
Bal / Jobb |
|
Szélesítő szélessége |
A szélesítősáv szélessége. |
Numerikus, pozitív |
3.6 m 12.0 láb |
|
Bevonat szélessége |
A burkolat bevonatának szélessége. |
Numerikus, pozitív |
3.6 m 12.0 láb |
|
Esés |
Bevonat és a szélesítés esése. |
Numerikus |
- 2% |
|
Burkolat1 mélysége |
Az 1. burkolati réteg vastagsága a sáv kiszélesedésénél; nulla esetén kimarad. |
Numerikus, pozitív |
0.025 m 0.083 láb |
|
Burkolat2 mélysége |
A 2. burkolati réteg vastagsága a sáv kiszélesedésénél; nulla esetén kimarad. |
Numerikus, pozitív |
0.025 m 0.083 láb |
|
Alapmélység |
Az alapréteg vastagsága a sáv kiszélesedésénél. |
Numerikus, pozitív |
0.100 m 0.333 láb |
|
Ágyazati réteg mélysége |
Az ágyazati réteg vastagsága a sáv kiszélesedésénél. |
Numerikus, pozitív |
0.300 m 1.0 láb |
Ez a szakasz az alkotóelem azon paramétereit sorolja fel, amelyek egy célobjektumhoz, például egy rajzban szereplő felület, nyomvonal vagy hossz-szelvény objektumhoz rendelhetők hozzá. További információért lásd a című részt a(z) AutoCAD Civil 3D felhasználói útmutató súgójában.
|
Paraméter |
Leírás |
Állapot |
|---|---|---|
|
Meglévő felület |
A meglévő útpályát definiáló felület neve. A felület megadásához a következő objektumtípusok használhatók: felületek. |
Szükséges |
|
Szélesítés értéke |
Ezzel felülbírálható a rögzített Kiszélesedő sáv szélessége, és a kiszélesedő sáv belső éle egy eltolási nyomvonalhoz köthető. A következő objektumtípusokat lehet megadni az eltolás céljaként: nyomvonalak, vonalláncok, vezérlővonalak és földmérési alakzatok. |
Választható |
|
Eltolt bevonat |
Használatával felülírható a Bevonat szélessége beállítás, valamint egy nyomvonalhoz köthető a bevonat belső éle. A következő objektumtípusokat lehet megadni az eltolás céljaként: nyomvonalak, vonalláncok, vezérlővonalak és földmérési alakzatok. |
Választható |
|
Bevonat hossz-szelvénye |
Használatával felülírható a Lejtés beállítás, és egy hossz-szelvényhez köthető a bevonat belső éle, amellyel egy számított lejtés adódik. A szintmagasság megadása a következő objektumtípusok esetében hajtható végre: hossz-szelvények, 3D vonalláncok, vezérlővonalak és földmérési alakzatok. |
Választható |
|
Paraméter |
Leírás |
Típus |
|---|---|---|
|
%Lejtés |
A kiszámított lejtés a meglévő felületen a Mintaponttól a Beillesztési pontig |
Numerikus |
A csatolási pont határozza meg a kiszélesedés külső éléhez tartozó szintmagasság eltolását. A kiszélesedés külső élének és a bevonat belső élének helye az adott szélességek és lejtések használatával határozhatók meg. A nyomvonalak az adott numerikus szélességek felülírására használhatók. Amennyiben a Bevonat hossz-szelvénye adott, a csatolási pont és a bevonat belső élénél értelmezett hossz-szelvény magassága közötti lejtés kiszámítható.
A következő ábra egy bevonateltolási hossz-szelvényt használó helyzetet mutat be. (Amennyiben a Bevonat hossz-szelvénye adott, akkor a csatolási pont és a bevonat belső élénél értelmezett hossz-szelvény magassága közötti lejtés kiszámítható.)

A következő ábra egy bevonateltolási hossz-szelvény nélküli helyzetet mutat be.

Fontos megjegyezni, hogy az alkotóelem lejtése balról jobbra azonos. Minden alfelület azonos lejtéssel rendelkezik.
Amennyiben végül a bevonat hossz-szelvényének csatolása megtörtént, hozzá kell adni a függőleges csatolásokat (a) a „bevonat eltolása” vonal és a cél (EG) felület között, a (b) bevonat vége és a cél (EG) felület kiszélesedésének kezdete között, valamint a (c) cél (EG) felület csatolásai mentén két (követési) pont között.
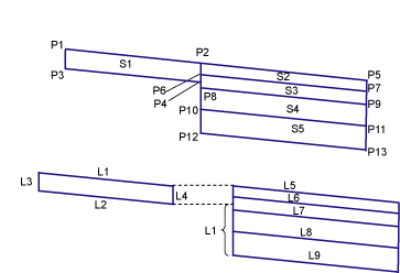
A kialakult alakzat az alsó kóddiagramban „Bevonat” (S1) jelzéssel szerepel.
A bevonat a bevonat felső felülete és a meglévő terep közötti terület, amely esetleg nem egyenletes mélységgel rendelkezik.
Elrendezési módban ez az alkotóelem egy tetszőleges ponthoz csatolható. Az alkotóelem bemutatása az adott szélességi és lejtési értékekkel történik. Modellezés módban az alakzat a meglévő felület és a futásidejű logikai nyomvonalak és hossz-szelvények által meghatározott aktuális feltételeknek megfelelően illeszkedik.
A következő táblázat azoknak az ilyen típusú alkotóelemeknek tartalmazza a pont-, kapcsolódás- és alakkódjait, amelyekhez van kód hozzárendelve. A táblázatban nem szerepelnek azok az alkotóelemek, amelyekhez nincsenek pont-, kapcsolódás- és alakkódok hozzárendelve.
| Pont, kapcsolódás vagy alak | Kódok | Leírás |
|---|---|---|
| P5 | FSSz | Kiszélesedő sáv külső éle a pályafelületen |
| P7 | FSSz_1.burk. | Kiszélesedő sáv külső éle az 1. burkolaton |
| P9 | FSSz_2.burk | Kiszélesedő sáv külső éle a 2. burkolaton |
| P11 | FSSz_Alap | Kiszélesedő sáv külső éle az alapon |
| P13 | FSSz_Ágyazat | Kiszélesedő sáv külső éle az ágyazaton |
| L1, L5 | Felső, Burkolat | Pályafelület felülete |
| L2 | Átfedés | Kapcsolódások fölé vetített a Meglévő felületen. Fontos megjegyezni, hogy több kapcsolódás is létezhet a P3 és P4 pontok között. |
| L6 | Burkolat1 | |
| L7 | Burkolat2 | |
| L8 | Bázis | |
| L9 | Ágyazati, alapszint | |
| L10 | Alapszint | |
| S1 | Átfedés | Az átfedés és a meglévő sáv közötti terület. |
| S2 | Burkolat1 | |
| S3 | Burkolat2 | |
| S4 | Bázis | |
| S5 | Ágyazati réteg |
