Ez az alkotóelem átfedi a meglévő útpálya egyik oldalát, és egy vagy több forgalmi sávot ad hozzá az élhez a meglévő sávok lejtésével egyeztetve.

A csatolási pont az átfedési réteg tetejének belső élén található.
Megjegyzés: Minden méret méterben vagy lábban van megadva, ha nincs feltüntetve más mértékegység. Az összes rézsű a távolság-magasság arányában van megadva (például 4 : 1), ha nincs „%” jellel ellátva.
|
Paraméter |
Leírás |
Típus |
Alapértelmezett |
|---|---|---|---|
|
Mintapont eltolása |
A mintapont eltolása, amely a beillesztési pont és a következő rézsűtörés között bárhol lehet a meglévő út felületén. A mintapont általában az út tetőn vagy a forgalmi sáv ellentétes oldalán található, ha az út nem tetős. |
Numerikus |
0.0 |
|
Beszúrási pont eltolása |
A beillesztési pont eltolása, amely általában a forgalmi sávnak annál a meglévő élénél található, ahol a kiszélesedés van |
Numerikus |
0.0 |
|
Bevonatmélység |
A bevonat mélysége a létező pályafelület felett |
Numerikus, pozitív |
0.100 m 0.30 láb |
|
Szélesség |
Kiszélesedő sáv szélessége |
Numerikus, pozitív |
3.6 m 12.0 láb |
|
Burkolat1 mélysége |
Az 1. burkolati réteg vastagsága a sáv kiszélesedésénél; nulla esetén kimarad |
Numerikus, pozitív |
0.025 m 0.083 láb |
|
Burkolat2 mélysége |
A 2. burkolati réteg vastagsága a sáv kiszélesedésénél; nulla esetén kimarad |
Numerikus, pozitív |
0.025 m 0.083 láb |
|
Alapmélység |
Az alapréteg vastagsága a sáv kiszélesedésénél |
Numerikus, pozitív |
0.100 m 0.333 láb |
|
Ágyazati réteg mélysége |
Az ágyazati réteg vastagsága a sáv kiszélesedésénél |
Numerikus, pozitív |
0.300 m 1.0 láb |
Ez a szakasz az alkotóelem azon paramétereit sorolja fel, amelyek egy célobjektumhoz, például egy rajzban szereplő felület, nyomvonal vagy hossz-szelvény objektumhoz rendelhetők hozzá. További információért lásd a című részt a(z) AutoCAD Civil 3D felhasználói útmutató súgójában.
|
Paraméter |
Leírás |
Állapot |
|---|---|---|
|
Meglévő felület |
A meglévő útpályát definiáló felület neve. A felület megadásához a következő objektumtípusok használhatók: felületek. |
Szükséges |
|
Mintapont eltolása |
Ezzel felülbírálható a rögzített Mintapont eltolása, és a pont egy eltolási nyomvonalhoz köthető. A következő objektumtípusokat lehet megadni az eltolás céljaként: nyomvonalak, vonalláncok, vezérlővonalak és földmérési alakzatok. |
Választható |
|
Beszúrási pont eltolása |
Ezzel felülbírálható a rögzített Beszúrási pont eltolása, és a pont egy eltolási nyomvonalhoz köthető. A következő objektumtípusokat lehet megadni az eltolás céljaként: nyomvonalak, vonalláncok, vezérlővonalak és földmérési alakzatok. |
Választható |
|
Szélesség |
Ezzel felülbírálható a rögzített kiszélesedő sáv Szélessége, és a sáv éle egy eltolási nyomvonalhoz köthető. A következő objektumtípusokat lehet megadni az eltolás céljaként: nyomvonalak, vonalláncok, vezérlővonalak és földmérési alakzatok. |
Választható |
|
Paraméter |
Leírás |
Típus |
|---|---|---|
|
%Lejtés |
A kiszámított lejtés a meglévő felületen a Mintaponttól a Beillesztési pontig |
Numerikus |
Megállapításra kerül a Mintapont és a Beillesztési pont magassága a meglévő felületen, majd a program kiszámítja a mintapont és a beillesztési pont közötti lejtést. Egy átfedési réteg kerül hozzáadásra a meglévő sáv fölé, ugyanazzal az eséssel a megadott Bevonatmélységhez. Egy zárt átfedő alakzat jön létre azáltal, hogy egy vagy több kapcsolódás rávetül a meglévő szintre. A kiszélesedő sáv az átfedésből kifelé kerül rögzítésre a Beillesztési eltolásnál, a kiszámított lejtés használatával.
A burkolati rétegek függőleges kapcsolódásokkal vannak lezárva mindkét végükön. Egy függőleges kapcsolódás is kerül az ágyazati réteg belső élétől a meglévő felületig.
Elrendezési módban ez az alkotóelem egy tetszőleges ponthoz csatolható. Az átfedési réteg egy egységes mélységgel jelenik meg, 3.6 méter vagy 12 láb szélességgel, -2 %-os lejtéssel. A kiszélesedő sáv az átfedés élétől a megadott szélességig és mélységig terjed, -2 %-os lejtéssel.
Modellezési módban az alakzatok a Mintapont, a Beillesztési pont és a Meglévő felület által meghatározott tényleges feltételekhez igazodnak.

A következő táblázat azoknak az ilyen típusú alkotóelemeknek tartalmazza a pont-, kapcsolódás- és alakkódjait, amelyekhez van kód hozzárendelve. A táblázatban nem szerepelnek azok az alkotóelemek, amelyekhez nincsenek pont-, kapcsolódás- és alakkódok hozzárendelve.
|
Pont, kapcsolódás vagy alak |
Kód |
Leírás |
|---|---|---|
|
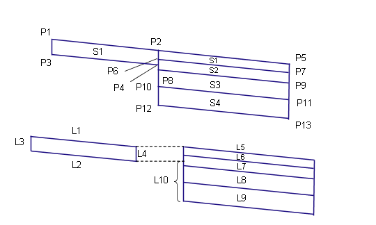
P5 |
FSSz |
Kiszélesedő sáv külső éle a pályafelületen |
|
P7 |
FSSz_1.burk. |
Kiszélesedő sáv külső éle az 1. burkolaton |
|
P9 |
FSSz_2.burk |
Kiszélesedő sáv külső éle a 2. burkolaton |
|
P11 |
FSSz_Alap |
Kiszélesedő sáv külső éle az alapon |
|
P13 |
FSSz_Ágyazat |
Kiszélesedő sáv külső éle az ágyazaton |
|
L1, L5 |
Felső, Burkolat |
Pályafelület felülete |
|
L2 |
Átfedés |
Kapcsolódások fölé vetített a Meglévő felületen. Ne feledje, hogy egyetlen kapcsolódásnál több lehet a P3 és P4 pontok között. |
|
L6 |
Burkolat1 |
|
|
L7 |
Burkolat2 |
|
|
L8 |
Bázis |
|
|
L9 |
Ágyazati, alapszint |
|
|
L10 |
Alapszint |
|
|
S1 |
Átfedés |
Az átfedés és a meglévő sáv közötti terület |
|
S2 |
Burkolat1 |
|
|
S3 |
Burkolat2 |
|
|
S4 |
Bázis |
|
|
S5 |
Ágyazati réteg |
