Come basare uno snap distanza su un oggetto diverso da quello di default

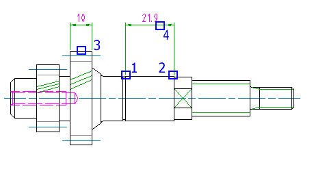
  1. Fare clic su scheda Inizio gruppo Quota Power Quota. Trova
  2. Specificare l'origine della prima (1) e della seconda (2) linea di estensione.
  3. Quando viene richiesto di specificare la posizione della linea di quota, digitare OP.
  4. Selezionare l'oggetto (3) su cui basare lo snap distanza.
  5. Spostare il puntatore nella posizione e con l'orientamento della quota desiderati. Fare clic per posizionare la linea di quota (4).
    Nota:

    La linea di quota diventa di colore rosso quando viene eseguito lo snap ad una distanza preimpostata dall'oggetto.

  6. Modificare la quota in base alle proprie esigenze utilizzando le impostazioni nella scheda contestuale della barra multifunzione Quotatura Power, oppure fare clic su scheda Quotatura Powerelenco a discesa Predefiniti. e selezionare un modello di testo di quota predefinito.
  7. Fare clic su scheda Quotatura Powergruppo Chiudi Chiudi editor.