Parametri di quota della forma di sezione

È possibile esaminare e modificare i valori dei parametri di quota della forma di sezione degli elementi del telaio strutturale.

Tali proprietà vengono create in base al parametro della categoria di famiglia Forma sezione dell'elemento.

Forma di sezione Parametri di quota della forma disponibili
Standard tubazioni (acciaio laminato a caldo)

D. Diametro: diametro esterno della forma di sezione circolare.

T. Spessore di progettazione parete: spessore perpendicolare di progettazione tra le superfici interna ed esterna di una forma di sezione.

t. Spessore nominale parete: distanza perpendicolare media tra le superfici interna ed esterna della forma di sezione.

y. Baricentro orizzontale: distanza tra il baricentro della forma di sezione e le estremità sinistre lungo l'asse orizzontale.

z. Baricentro verticale: distanza tra il baricentro della forma di sezione e le estremità inferiori lungo l'asse verticale.

alpha. Angolo assi principali: angolo di rotazione tra gli assi principali e i piani di riferimento della sezione trasversale. Questo parametro è elencato come parametro famiglia di Analisi strutturale.

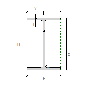
Forma a I - Ala parallela (acciaio laminato a caldo)

B. Larghezza: larghezza esterna della forma di sezione.

H. Altezza: altezza esterna della forma di sezione.

T. Spessore ala: distanza tra le superfici esterne dell'ala nella forma di sezione.

t. Spessore anima: distanza tra le superfici esterne dell'anima nella forma di sezione.

r. Raccordo anima: raggio del raccordo tra l'anima e l'ala.

y. Baricentro orizzontale: distanza tra il baricentro della forma di sezione e le estremità sinistre lungo l'asse orizzontale.

z. Baricentro verticale: distanza tra il baricentro della forma di sezione e le estremità inferiori lungo l'asse verticale.

alpha. Angolo assi principali: angolo di rotazione tra gli assi principali e i piani di riferimento della sezione trasversale. Questo parametro è elencato come parametro famiglia di Analisi strutturale.

Forma a I - Ala inclinata (acciaio laminato a caldo)

B. Larghezza: larghezza esterna della forma di sezione.

H. Altezza: altezza esterna della forma di sezione.

T. Spessore ala: distanza tra le superfici esterne dell'ala nella forma di sezione.

t. Spessore anima: distanza tra le superfici esterne dell'anima nella forma di sezione.

r1. Raccordo anima: raggio del raccordo tra l'anima e l'ala.

r2. Raccordo ala: raggio del raccordo all'estremità di un'ala nella forma di sezione.

y. Baricentro orizzontale: distanza tra il baricentro della forma di sezione e le estremità sinistre lungo l'asse orizzontale.

z. Baricentro verticale: distanza tra il baricentro della forma di sezione e le estremità inferiori lungo l'asse verticale.

alpha. Angolo assi principali: angolo di rotazione tra gli assi principali e i piani di riferimento della sezione trasversale. Questo parametro è elencato come parametro famiglia di Analisi strutturale.

Forma a I - Ala larga (acciaio laminato a caldo)

B. Larghezza: larghezza esterna della forma di sezione.

H. Altezza: altezza esterna della forma di sezione.

T. Spessore ala: distanza tra le superfici esterne dell'ala nella forma di sezione.

t. Spessore anima: distanza tra le superfici esterne dell'anima nella forma di sezione.

r. Raccordo anima: raggio del raccordo tra l'anima e l'ala.

y. Baricentro orizzontale: distanza tra il baricentro della forma di sezione e le estremità sinistre lungo l'asse orizzontale.

z. Baricentro verticale: distanza tra il baricentro della forma di sezione e le estremità inferiori lungo l'asse verticale.

alpha. Angolo assi principali: angolo di rotazione tra gli assi principali e i piani di riferimento della sezione trasversale. Questo parametro è elencato come parametro famiglia di Analisi strutturale.

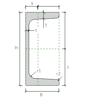
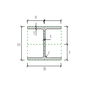
Profilato a C - Ala parallela (acciaio laminato a caldo)

B. Larghezza: larghezza esterna della forma di sezione.

H. Altezza: altezza esterna della forma di sezione.

T. Spessore ala: distanza tra le superfici esterne dell'ala nella forma di sezione.

t. Spessore anima: distanza tra le superfici esterne dell'anima nella forma di sezione.

r. Raccordo anima: raggio del raccordo tra l'anima e l'ala.

y. Baricentro orizzontale: distanza tra il baricentro della forma di sezione e le estremità sinistre lungo l'asse orizzontale.

z. Baricentro verticale: distanza tra il baricentro della forma di sezione e le estremità inferiori lungo l'asse verticale.

alpha. Angolo assi principali: angolo di rotazione tra gli assi principali e i piani di riferimento della sezione trasversale. Questo parametro è elencato come parametro famiglia di Analisi strutturale.

Profilato a C - Ala inclinata (acciaio laminato a caldo)

B. Larghezza: larghezza esterna della forma di sezione.

H. Altezza: altezza esterna della forma di sezione.

T. Spessore ala: distanza tra le superfici esterne dell'ala nella forma di sezione.

t. Spessore anima: distanza tra le superfici esterne dell'anima nella forma di sezione.

r1. Raccordo anima: raggio del raccordo tra l'anima e l'ala.

r2. Raccordo ala: raggio del raccordo all'estremità di un'ala nella forma di sezione.

y. Baricentro orizzontale: distanza tra il baricentro della forma di sezione e le estremità sinistre lungo l'asse orizzontale.

z. Baricentro verticale: distanza tra il baricentro della forma di sezione e le estremità inferiori lungo l'asse verticale.

alpha. Angolo assi principali: angolo di rotazione tra gli assi principali e i piani di riferimento della sezione trasversale. Questo parametro è elencato come parametro famiglia di Analisi strutturale.

Profilato a L (acciaio laminato a caldo)

B. Larghezza: larghezza esterna della forma di sezione.

H. Altezza: altezza esterna della forma di sezione.

T. Spessore ala: distanza tra le superfici esterne dell'ala nella forma di sezione.

t. Spessore anima: distanza tra le superfici esterne dell'anima nella forma di sezione.

r1. Raccordo anima: raggio del raccordo tra l'anima e l'ala.

r2. Raccordo ala: raggio del raccordo all'estremità di un'ala nella forma di sezione.

y. Baricentro orizzontale: distanza tra il baricentro della forma di sezione e le estremità sinistre lungo l'asse orizzontale.

z. Baricentro verticale: distanza tra il baricentro della forma di sezione e le estremità inferiori lungo l'asse verticale.

alpha. Angolo assi principali: angolo di rotazione tra gli assi principali e i piani di riferimento della sezione trasversale. Questo parametro è elencato come parametro famiglia di Analisi strutturale.

Barra rettangolare

B. Larghezza: larghezza esterna della forma di sezione.

H. Altezza: altezza esterna della forma di sezione.

y. Baricentro orizzontale: distanza tra il baricentro della forma di sezione e le estremità sinistre lungo l'asse orizzontale.

z. Baricentro verticale: distanza tra il baricentro della forma di sezione e le estremità inferiori lungo l'asse verticale.

alpha. Angolo assi principali: angolo di rotazione tra gli assi principali e i piani di riferimento della sezione trasversale. Questo parametro è elencato come parametro famiglia di Analisi strutturale.

Barra circolare

D. Diametro: diametro esterno della forma di sezione circolare.

y. Baricentro orizzontale: distanza tra il baricentro della forma di sezione e le estremità sinistre lungo l'asse orizzontale.

z. Baricentro verticale: distanza tra il baricentro della forma di sezione e le estremità inferiori lungo l'asse verticale.

alpha. Angolo assi principali: angolo di rotazione tra gli assi principali e i piani di riferimento della sezione trasversale. Questo parametro è elencato come parametro famiglia di Analisi strutturale.

HSS rettangolare (acciaio lavorato a freddo)

B. Larghezza: larghezza esterna della forma di sezione.

H. Altezza: altezza esterna della forma di sezione.

T. Spessore di progettazione parete: spessore perpendicolare di progettazione tra le superfici interna ed esterna di una forma di sezione.

t. Spessore nominale parete: distanza perpendicolare media tra le superfici interna ed esterna della forma di sezione.

r1. Raccordo interno: raggio del raccordo su angolo interno di una forma di sezione strutturale cava rettangolare.

r2. Raccordo esterno: raggio del raccordo su angolo esterno di una forma di sezione strutturale cava rettangolare.

y. Baricentro orizzontale: distanza tra il baricentro della forma di sezione e le estremità sinistre lungo l'asse orizzontale.

z. Baricentro verticale: distanza tra il baricentro della forma di sezione e le estremità inferiori lungo l'asse verticale.

alpha. Angolo assi principali: angolo di rotazione tra gli assi principali e i piani di riferimento della sezione trasversale. Questo parametro è elencato come parametro famiglia di Analisi strutturale.

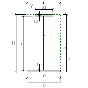
Forma a I - Saldata (acciaio a nido d'ape e saldato)

B. Larghezza: larghezza esterna della forma di sezione.

H. Altezza: altezza esterna della forma di sezione.

T2. Spessore ala superiore: distanza tra le superfici esterne dell'ala superiore nella forma di sezione di un elemento a nido d'ape o saldato.

b1. Larghezza ala superiore: larghezza esterna dell'ala superiore di un elemento a nido d'ape o saldato.

T1. Spessore ala inferiore: distanza tra le superfici esterne dell'ala inferiore nella forma di sezione di un elemento a nido d'ape o saldato.

b2. Larghezza ala inferiore: larghezza esterna dell'ala inferiore di un elemento a nido d'ape o saldato.

t. Spessore anima: distanza tra le superfici esterne dell'anima nella forma di sezione.

h. Altezza anima: altezza lungo l'anima tra le ali della forma di sezione.

y. Baricentro orizzontale: distanza tra il baricentro della forma di sezione e le estremità sinistre lungo l'asse orizzontale.

z. Baricentro verticale: distanza tra il baricentro della forma di sezione e le estremità inferiori lungo l'asse verticale.

alpha. Angolo assi principali: angolo di rotazione tra gli assi principali e i piani di riferimento della sezione trasversale. Questo parametro è elencato come parametro famiglia di Analisi strutturale.

HSS circolare (acciaio lavorato a freddo)

D. Diametro: diametro esterno della forma di sezione circolare.

T. Spessore di progettazione parete: spessore perpendicolare di progettazione tra le superfici interna ed esterna di una forma di sezione.

t. Spessore nominale parete: distanza perpendicolare media tra le superfici interna ed esterna della forma di sezione.

y. Baricentro orizzontale: distanza tra il baricentro della forma di sezione e le estremità sinistre lungo l'asse orizzontale.

z. Baricentro verticale: distanza tra il baricentro della forma di sezione e le estremità inferiori lungo l'asse verticale.

alpha. Angolo assi principali: angolo di rotazione tra gli assi principali e i piani di riferimento della sezione trasversale. Questo parametro è elencato come parametro famiglia di Analisi strutturale.

Forma a I divisa - Ala parallela (acciaio laminato a caldo)

B. Larghezza: larghezza esterna della forma di sezione.

H. Altezza: altezza esterna della forma di sezione.

T. Spessore ala: distanza tra le superfici esterne dell'ala nella forma di sezione.

t. Spessore anima: distanza tra le superfici esterne dell'anima nella forma di sezione.

r. Raccordo anima: raggio del raccordo tra l'anima e l'ala.

y. Baricentro orizzontale: distanza tra il baricentro della forma di sezione e le estremità sinistre lungo l'asse orizzontale.

z. Baricentro verticale: distanza tra il baricentro della forma di sezione e le estremità inferiori lungo l'asse verticale.

alpha. Angolo assi principali: angolo di rotazione tra gli assi principali e i piani di riferimento della sezione trasversale. Questo parametro è elencato come parametro famiglia di Analisi strutturale.

Forma a I divisa - Ala inclinata (acciaio laminato a caldo)

B. Larghezza: larghezza esterna della forma di sezione.

H. Altezza: altezza esterna della forma di sezione.

T. Spessore ala: distanza tra le superfici esterne dell'ala nella forma di sezione.

t. Spessore anima: distanza tra le superfici esterne dell'anima nella forma di sezione.

r1. Raccordo anima: raggio del raccordo tra l'anima e l'ala.

r2. Raccordo ala: raggio del raccordo all'estremità di un'ala nella forma di sezione.

y. Baricentro orizzontale: distanza tra il baricentro della forma di sezione e le estremità sinistre lungo l'asse orizzontale.

z. Baricentro verticale: distanza tra il baricentro della forma di sezione e le estremità inferiori lungo l'asse verticale.

alpha. Angolo assi principali: angolo di rotazione tra gli assi principali e i piani di riferimento della sezione trasversale. Questo parametro è elencato come parametro famiglia di Analisi strutturale.

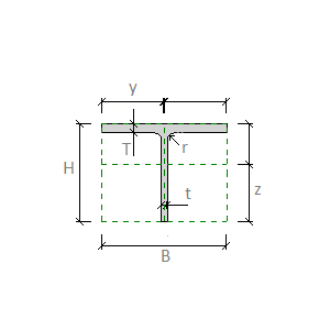
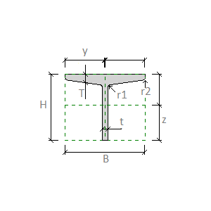
T strutturali (acciaio laminato a caldo)

B. Larghezza: larghezza esterna della forma di sezione.

H. Altezza: altezza esterna della forma di sezione.

T. Spessore ala: distanza tra le superfici esterne dell'ala nella forma di sezione.

t. Spessore anima: distanza tra le superfici esterne dell'anima nella forma di sezione.

r1. Raccordo anima: raggio del raccordo tra l'anima e l'ala.

r2. Raccordo ala: raggio del raccordo all'estremità di un'ala nella forma di sezione.

y. Baricentro orizzontale: distanza tra il baricentro della forma di sezione e le estremità sinistre lungo l'asse orizzontale.

z. Baricentro verticale: distanza tra il baricentro della forma di sezione e le estremità inferiori lungo l'asse verticale.

alpha. Angolo assi principali: angolo di rotazione tra gli assi principali e i piani di riferimento della sezione trasversale. Questo parametro è elencato come parametro famiglia di Analisi strutturale.