回路を新しい位置に移動し、すべての関連コンポーネントを更新します。
回路を移動すると、回路に含まれるほとんどの親コンポーネントは自動的に再タグ付けされます。これは、コンポーネントがリファレンスベースでタグ付けされるように、図面が設定されているためです。回路の移動処理では、移動したコンポーネントのリファレンス位置を変更します。関連する子コンポーネントは、プロジェクトの他の図面でのリファレンスを含めて新しい親タグに一致するように更新されます。
回路のロケーションを移動する

この回路には次のコンポーネント タグが含まれます。


の順にクリックします。 検索
オブジェクトを選択:
ライン リファレンス 215 上の回路の周囲を窓選択し、垂直母線に結びついている接続配線および交点マークを選択して右クリックします。

[F9]を押して、SNAP をオンにします。
基点または移動距離を指定:
基点を選択してから、ライン リファレンス 214 上の点を選択します。
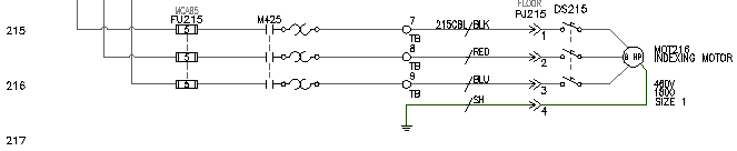
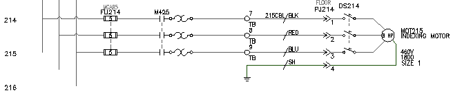
回路が移動し、影響を受けたコンポーネントは再タグ付けされます。また、クロスリファレンスは、新しいライン リファレンスに従って更新されます。表示される親コンポーネント タグはそれぞれ、1 ずつ減分されます。たとえばヒューズ FU215 は FU214 になります。


新しく再タグ付けされた親コンポーネントに一致するように、アクティブな図面上の関連する子リファレンスが更新されます。
他の図面上の関連する子コンポーネントとパネル レイアウトのリファレンスが、移動した回路上の親コンポーネントに一致するように更新されます。


の順にクリックします。 検索
[サーフ]ダイアログ ボックスに、シート 2 上のリファレンス 3 つと、シート 9 上のリファレンス 1 つが表示されます。
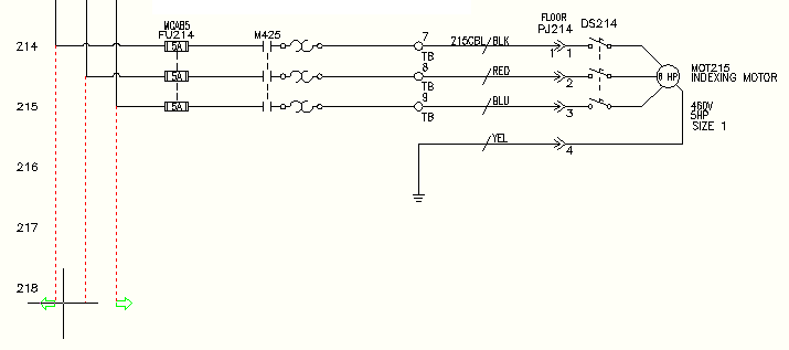
パネル レイアウト図面に移動し、この 3 極ヒューズの物理表現が拡大ズームされます。回路が移動したため、ヒューズ ブロック タグの物理表現が更新されたことに注意してください。
モーター回路をライン リファレンスの間隔 1 つ分上に移動すると、若干の領域が空けられ、その下に新規回路が追加されます。次の手順では、3 相母線をライン リファレンス 218 まで下に延長し、そこから右に延ばして、新規モーター回路を作成します。
3 相母線を延長する

の順にクリックします。 検索
フェンス(F)/交差(C)/オブジェクト範囲ズーム(Z) <トリムする配線を選択>:
3 本の懸垂配線の一番下をクリックし、右クリックします。

垂直または水平の 3 相配線を挿入できます。3 相配線では、パス上で見つかったベース コンポーネントはどれでも、自動的にブレークして再接続します。既存の配線と交差する場合は、配線交差ギャップが挿入されます。

の順にクリックします。 検索
水平間隔: 0.5
垂直間隔: 0.5
開始: 他の母線(複数配線)
配線数: 3

複相式母線接続を開始する既存の配線を選択:
図に示すようにライン リファレンス 214 上の一番左の垂直母線の下隅を選択します。

複相式母線接続を開始する既存の配線を選択: 接続先:
カーソルをライン リファレンス 218 まで下げます。
拡張される母線の推奨経路が一時的なグラフィックスとして表示されます。

3 相母線と配線接続交点マークのシンボルが図面に挿入されます。
