概要 - 製図規格を選択する

AutoCAD Mechanical では、製図規格によって決定されるすべての設定をグループ化し、規格と呼ばれるプロファイルに保存します。

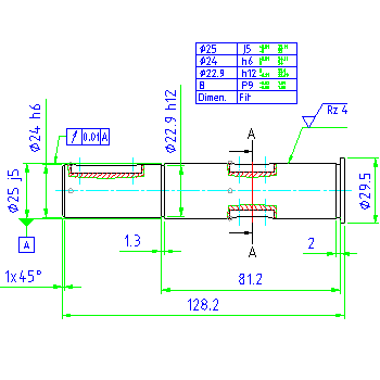
AutoCAD Mechanical には 8 種類のプロファイル(ANSI、BSI、CSN、DIN、GB、ISO JIS、GOST)が含まれ、それぞれ製図規格に合うように設定されます。これらの設定は、AutoCAD Mechanical の内蔵ツールがどのようにジオメトリを作成するかを決定します。したがって、AutoCAD Mechanical は規格主導である言われます。次の図に、規格を DIN に設定して作成されたシャフトの図面を示します。注釈がどのように DIN 規格に準拠しているかに注意します。

既定の製図規格

AutoCAD Mechanical は規格主導であるため、製図規格を図面に割り当てる必要があります。図面を作成するときは、自動的に製図規格が図面に割り当てられます。

AutoCAD 図面を開いたり、AutoCAD のテンプレート(*.dwt)を使用して図面を作成すると、図面に最適な規格が割り当てられます(下の「規格にオーバーライド設定を行って、他の図面でカスタム規格を有効にする」も参照)。製図規格は簡単に変更できます。

製図規格によってコントロールされる設定

製図規格では、規格の次の要素をコントロールします。

規格要素のオーバーライド設定を行う

規格に依存する設定をオーバーライドして、特殊な要件を満たすようにします。プログラムはオーバーライド設定を規格とともに保存します。別の規格に変更した場合は、新しい規格の要素が有効になります。作図セッションの途中で規格を変更した場合、その図面に存在する図面オブジェクトにその変更は反映されません。新しいオブジェクトのみが新しく選択された規格に従います。元の規格に戻すと、以前に有効だった設定が再度有効になります。

注: 作図セッションの途中で規格を変更し、規格の要素をオーバーライドした場合、そのオーバーライド設定は規格の変更後に作成したオブジェクトのみに適用されます。たとえば、規格が ISO のときに注記を作成し、その後で規格を DIN に変更できます。そして注記の文字の色の設定をオーバーライドすると、DIN に変更した後に作成した注記のみにその変更が反映されます。ISO の規格で作成した注記には元の色が保持されます。DIN ではなく、ISO の規格によってコントロールされます。

カスタム規格とその重要性

規格の要素にオーバーライド設定を行うとき、AutoCAD Mechanical によってオーバーライド設定の内容が検証されます。このとき、規格に準拠しない設定は作成できない場合があります。この検証プロセスに対処するには、カスタム規格を作成し、現在の製図規格として選択します。

たとえば、ANSI 規格では文字の高さの選択が 0.1、0.12、0.24 に制限されています。別の文字の高さを使用するには、ANSI 規格に基づいたカスタム規格を作成します。カスタム規格を使用すると、文字の高さを任意の値に変更できます。その他のすべての設定は ANSI 規格に準拠します。

規格にオーバーライド設定を行って、他の図面でカスタム規格を有効にする

カスタム規格または規格のオーバーライド設定を、今後の図面で使用できるようにするために、テンプレート図面(.dwt)に保存します。このテンプレートを既定のテンプレートに設定すると、AutoCAD の図面を開いたり AutoCAD テンプレートに基づいた図面を作成する場合に、常に既定のテンプレートからの規格に依存する設定が図面に適用されます。既定のテンプレートと AutoCAD 図面やテンプレート間で一致しない単位がある場合、AutoCAD Mechanical は既定のテンプレートが設定されていないときのように動作します。既定のテンプレートが設定されていない場合、AutoCAD Mechanical は ANSI 規格(フィート単位の図面)または ISO 規格(メートル法の図面)のいずれかを割り当てます。

AMSETUPDWG コマンドを使用してテンプレートの図面(.dwt)から設定を読み込むこともできます。作図セッション中に設定を読み込むと、作図セッション中に製図規格を変更したり、規格の要素を変更した場合のように動作します。