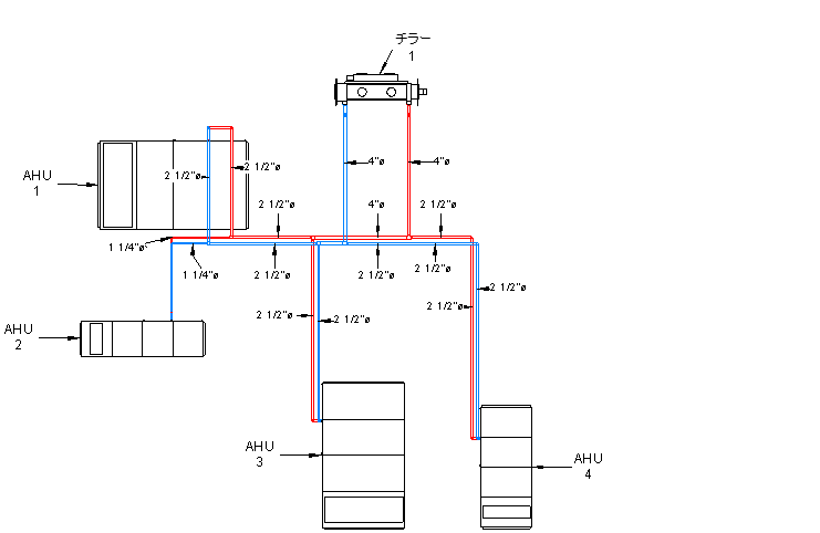
温水配管のサイズ変更の例
次の図に、さまざまな温水配管のサイズ変更方法の結果を示します。
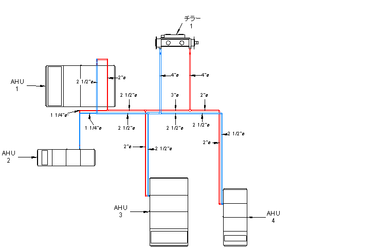
摩擦のみ
サイズ変更前
サイズ変更後
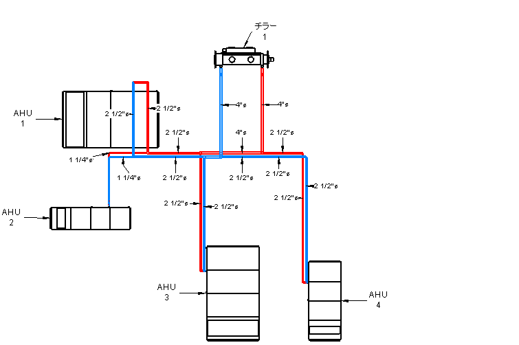
速度のみ
サイズ変更前
サイズ変更後
摩擦と速度
サイズ変更前
サイズ変更後
接続または計算の大きい方
サイズ変更前
サイズ変更後
接続を配管サイズに一致
サイズ変更前
サイズ変更後
親トピック:
温水配管のサイズ変更と計算方法