構造フレーム要素の断面形状の寸法パラメータの値を確認、修正します。
これらのプロパティは、要素の断面形状ファミリ カテゴリ パラメータから作成されます。
| 断面形状 | 使用可能な形状の寸法パラメータ |
|---|---|
配管標準(熱間圧延鋼) ![]() |
D. 直径: 円形断面形状の外側の直径です。 T. 設計壁厚: 断面形状の内部サーフェスと外部サーフェス間の垂直方向の設計の厚さです。 t. 標準壁厚: 断面形状の内部サーフェスと外部サーフェス間の垂直方向の平均距離です。 y. 水平図心: 水平軸に沿った、断面形状の図心から左側端部までの距離です。 z. 垂直図心: 垂直軸に沿った、断面形状の図心から下側端部までの距離です。 alpha. 主軸の角度: 主軸と断面の参照面との間の回転角度です。これは、構造解析ファミリ パラメータとして一覧表示されます。 |
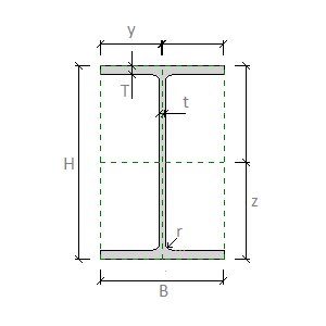
I 形平行フランジ(熱間圧延鋼) ![]() |
B. 幅: 断面形状の外側の幅です。 H. 高さ: 断面形状の外側の高さです。 T. フランジの厚さ: 断面形状のフランジの外部サーフェス間の距離です。 t. ウェブの厚さ: 断面形状のウェブの外部サーフェス間の距離です。 r. ウェブ フィレット: ウェブとフランジ間のフィレットの半径です。 y. 水平図心: 水平軸に沿った、断面形状の図心から左側端部までの距離です。 z. 垂直図心: 垂直軸に沿った、断面形状の図心から下側端部までの距離です。 alpha. 主軸の角度: 主軸と断面の参照面との間の回転角度です。これは、構造解析ファミリ パラメータとして一覧表示されます。 |
I 形傾斜フランジ(熱間圧延鋼) ![]() |
B. 幅: 断面形状の外側の幅です。 H. 高さ: 断面形状の外側の高さです。 T. フランジの厚さ: 断面形状のフランジの外部サーフェス間の距離です。 t. ウェブの厚さ: 断面形状のウェブの外部サーフェス間の距離です。 r1. ウェブ フィレット: ウェブとフランジ間のフィレットの半径です。 r2. フランジ フィレット: 断面形状のフランジの端点のフィレットの半径です。 y. 水平図心: 水平軸に沿った、断面形状の図心から左側端部までの距離です。 z. 垂直図心: 垂直軸に沿った、断面形状の図心から下側端部までの距離です。 alpha. 主軸の角度: 主軸と断面の参照面との間の回転角度です。これは、構造解析ファミリ パラメータとして一覧表示されます。 |
I 形ワイド フランジ(熱間圧延鋼) ![]() |
B. 幅: 断面形状の外側の幅です。 H. 高さ: 断面形状の外側の高さです。 T. フランジの厚さ: 断面形状のフランジの外部サーフェス間の距離です。 t. ウェブの厚さ: 断面形状のウェブの外部サーフェス間の距離です。 r. ウェブ フィレット: ウェブとフランジ間のフィレットの半径です。 y. 水平図心: 水平軸に沿った、断面形状の図心から左側端部までの距離です。 z. 垂直図心: 垂直軸に沿った、断面形状の図心から下側端部までの距離です。 alpha. 主軸の角度: 主軸と断面の参照面との間の回転角度です。これは、構造解析ファミリ パラメータとして一覧表示されます。 |
C-溝形鋼平行フランジ(熱間圧延鋼) ![]() |
B. 幅: 断面形状の外側の幅です。 H. 高さ: 断面形状の外側の高さです。 T. フランジの厚さ: 断面形状のフランジの外部サーフェス間の距離です。 t. ウェブの厚さ: 断面形状のウェブの外部サーフェス間の距離です。 r. ウェブ フィレット: ウェブとフランジ間のフィレットの半径です。 y. 水平図心: 水平軸に沿った、断面形状の図心から左側端部までの距離です。 z. 垂直図心: 垂直軸に沿った、断面形状の図心から下側端部までの距離です。 alpha. 主軸の角度: 主軸と断面の参照面との間の回転角度です。これは、構造解析ファミリ パラメータとして一覧表示されます。 |
C-溝形鋼傾斜フランジ(熱間圧延鋼) ![]() |
B. 幅: 断面形状の外側の幅です。 H. 高さ: 断面形状の外側の高さです。 T. フランジの厚さ: 断面形状のフランジの外部サーフェス間の距離です。 t. ウェブの厚さ: 断面形状のウェブの外部サーフェス間の距離です。 r1. ウェブ フィレット: ウェブとフランジ間のフィレットの半径です。 r2. フランジ フィレット: 断面形状のフランジの端点のフィレットの半径です。 y. 水平図心: 水平軸に沿った、断面形状の図心から左側端部までの距離です。 z. 垂直図心: 垂直軸に沿った、断面形状の図心から下側端部までの距離です。 alpha. 主軸の角度: 主軸と断面の参照面との間の回転角度です。これは、構造解析ファミリ パラメータとして一覧表示されます。 |
L-山形鋼(熱間圧延鋼) ![]() |
B. 幅: 断面形状の外側の幅です。 H. 高さ: 断面形状の外側の高さです。 T. フランジの厚さ: 断面形状のフランジの外部サーフェス間の距離です。 t. ウェブの厚さ: 断面形状のウェブの外部サーフェス間の距離です。 r1. ウェブ フィレット: ウェブとフランジ間のフィレットの半径です。 r2. フランジ フィレット: 断面形状のフランジの端点のフィレットの半径です。 y. 水平図心: 水平軸に沿った、断面形状の図心から左側端部までの距離です。 z. 垂直図心: 垂直軸に沿った、断面形状の図心から下側端部までの距離です。 alpha. 主軸の角度: 主軸と断面の参照面との間の回転角度です。これは、構造解析ファミリ パラメータとして一覧表示されます。 |
長方形棒 ![]() |
B. 幅: 断面形状の外側の幅です。 H. 高さ: 断面形状の外側の高さです。 y. 水平図心: 水平軸に沿った、断面形状の図心から左側端部までの距離です。 z. 垂直図心: 垂直軸に沿った、断面形状の図心から下側端部までの距離です。 alpha. 主軸の角度: 主軸と断面の参照面との間の回転角度です。これは、構造解析ファミリ パラメータとして一覧表示されます。 |
丸棒 ![]() |
D. 直径: 円形断面形状の外側の直径です。 y. 水平図心: 水平軸に沿った、断面形状の図心から左側端部までの距離です。 z. 垂直図心: 垂直軸に沿った、断面形状の図心から下側端部までの距離です。 alpha. 主軸の角度: 主軸と断面の参照面との間の回転角度です。これは、構造解析ファミリ パラメータとして一覧表示されます。 |
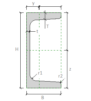
長方形 HSS (冷間成形鋼) ![]() |
B. 幅: 断面形状の外側の幅です。 H. 高さ: 断面形状の外側の高さです。 T. 設計壁厚: 断面形状の内部サーフェスと外部サーフェス間の垂直方向の設計の厚さです。 t. 標準壁厚: 断面形状の内部サーフェスと外部サーフェス間の垂直方向の平均距離です。 r1. 内部フィレット: 矩形中空構造断面形状の内側のコーナー フィレットの半径です。 r2. 外部フィレット: 矩形中空構造断面形状の外側のコーナー フィレットの半径です。 y. 水平図心: 水平軸に沿った、断面形状の図心から左側端部までの距離です。 z. 垂直図心: 垂直軸に沿った、断面形状の図心から下側端部までの距離です。 alpha. 主軸の角度: 主軸と断面の参照面との間の回転角度です。これは、構造解析ファミリ パラメータとして一覧表示されます。 |
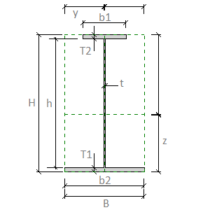
I 形溶接(カステラおよび溶接鋼) ![]() |
B. 幅: 断面形状の外側の幅です。 H. 高さ: 断面形状の外側の高さです。 T2. 上フランジの厚さ: カステラ要素または溶接要素の断面形状にある上フランジの外部サーフェス間の距離です。 b1. 上フランジの幅: カステラ要素または溶接要素の断面形状にある上フランジの外側の幅です。 T1. 下フランジの厚さ: カステラ要素または溶接要素の断面形状にある下フランジの外部サーフェス間の距離です。 b2. 下フランジの幅: カステラ要素または溶接要素の断面形状にある下フランジの外側の幅です。 t. ウェブの厚さ: 断面形状のウェブの外部サーフェス間の距離です。 H. ウェブの高さ: 断面シェイプのフランジ間のウェブに沿った距離です。 y. 水平図心: 水平軸に沿った、断面形状の図心から左側端部までの距離です。 z. 垂直図心: 垂直軸に沿った、断面形状の図心から下側端部までの距離です。 alpha. 主軸の角度: 主軸と断面の参照面との間の回転角度です。これは、構造解析ファミリ パラメータとして一覧表示されます。 |
丸形 HSS (冷間成形鋼材) ![]() |
D. 直径: 円形断面形状の外側の直径です。 T. 設計壁厚: 断面形状の内部サーフェスと外部サーフェス間の垂直方向の設計の厚さです。 t. 標準壁厚: 断面形状の内部サーフェスと外部サーフェス間の垂直方向の平均距離です。 y. 水平図心: 水平軸に沿った、断面形状の図心から左側端部までの距離です。 z. 垂直図心: 垂直軸に沿った、断面形状の図心から下側端部までの距離です。 alpha. 主軸の角度: 主軸と断面の参照面との間の回転角度です。これは、構造解析ファミリ パラメータとして一覧表示されます。 |
I 分割平行フランジ(熱間圧延鋼) ![]() |
B. 幅: 断面形状の外側の幅です。 H. 高さ: 断面形状の外側の高さです。 T. フランジの厚さ: 断面形状のフランジの外部サーフェス間の距離です。 t. ウェブの厚さ: 断面形状のウェブの外部サーフェス間の距離です。 r. ウェブ フィレット: ウェブとフランジ間のフィレットの半径です。 y. 水平図心: 水平軸に沿った、断面形状の図心から左側端部までの距離です。 z. 垂直図心: 垂直軸に沿った、断面形状の図心から下側端部までの距離です。 alpha. 主軸の角度: 主軸と断面の参照面との間の回転角度です。これは、構造解析ファミリ パラメータとして一覧表示されます。 |
I 分割傾斜フランジ(熱間圧延鋼) ![]() |
B. 幅: 断面形状の外側の幅です。 H. 高さ: 断面形状の外側の高さです。 T. フランジの厚さ: 断面形状のフランジの外部サーフェス間の距離です。 t. ウェブの厚さ: 断面形状のウェブの外部サーフェス間の距離です。 r1. ウェブ フィレット: ウェブとフランジ間のフィレットの半径です。 r2. フランジ フィレット: 断面形状のフランジの端点のフィレットの半径です。 y. 水平図心: 水平軸に沿った、断面形状の図心から左側端部までの距離です。 z. 垂直図心: 垂直軸に沿った、断面形状の図心から下側端部までの距離です。 alpha. 主軸の角度: 主軸と断面の参照面との間の回転角度です。これは、構造解析ファミリ パラメータとして一覧表示されます。 |
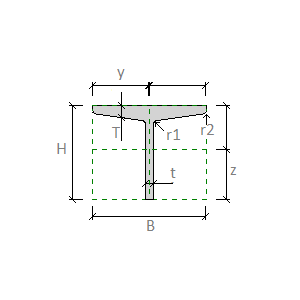
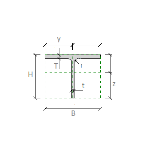
T 形鋼(熱間圧延鋼) ![]() |
B. 幅: 断面形状の外側の幅です。 H. 高さ: 断面形状の外側の高さです。 T. フランジの厚さ: 断面形状のフランジの外部サーフェス間の距離です。 t. ウェブの厚さ: 断面形状のウェブの外部サーフェス間の距離です。 r1. ウェブ フィレット: ウェブとフランジ間のフィレットの半径です。 r2. フランジ フィレット: 断面形状のフランジの端点のフィレットの半径です。 y. 水平図心: 水平軸に沿った、断面形状の図心から左側端部までの距離です。 z. 垂直図心: 垂直軸に沿った、断面形状の図心から下側端部までの距離です。 alpha. 主軸の角度: 主軸と断面の参照面との間の回転角度です。これは、構造解析ファミリ パラメータとして一覧表示されます。 |