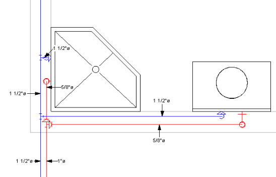
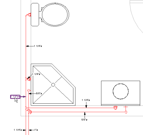
파이프 크기 조정 예

다음 이미지는 다양한 파이프 크기 조정 방법의 결과를 나타냅니다.

마찰과 속도

크기 조정 전

크기 조정 후

마찰만

크기 조정 전

크기 조정 후

마찰과 속도 - 더 큰 분기

크기 조정 전

크기 조정 후

마찰과 속도 - 커넥터 크기 일치

크기 조정 전

크기 조정 후

속도만

크기 조정 전

크기 조정 후

시스템 조사기

단일 파이프

흐름 다이어그램