Rozciągnij wybraną geometrię. Wiązania skojarzone z wybraną geometrią wpływają na operację rozciągania.
- Kliknij kartę Szkic
panel Zmień
Rozciągnij
. Otwarte zostanie okno dialogowe Rozciąganie z dostępnym przyciskiem Wybierz.
- W oknie graficznym wybierz geometrię lub grupy geometrii za pomocą okna wyboru. Kliknij prawym przyciskiem myszy i wybierz polecenie Kontynuuj, aby zamknąć polecenie Wybierz i aktywować punkt bazowy w oknie dialogowym Rozciąganie.
Wskazówka: Jeśli potrzebny jest wybór tylko jednej geometrii przed wybraniem punktu środkowego, użyj opcji Optymalizuj dla pojedynczego wyboru. Następnie polecenie Punkt bazowy jest automatycznie uaktywniane po wybraniu pierwszej geometrii.
- Wybierz metodę definiowania punktu bazowego i punktu końcowego operacji rozciągania:
Rozciąganie za pomocą wskaźnika
- Aby ustawić punkt bazowy operacji rozciągania, kliknij w oknie graficznym. Podgląd dynamiczny wyświetla linie przerywane, które reprezentują pierwotną geometrię, i linie ciągłe, reprezentujące geometrię obróconą. Wybrana geometria zostanie rozciągnięta za pomocą wskaźnika w stałej odległości, określonej przez wybrany punkt bazowy.
- Przeciągnij wskaźnik w oknie graficznym. Nie trzeba przytrzymywać naciśniętego przycisku myszy. Podczas przesuwania wskaźnika pasek stanu pokazuje jego bezwzględne współrzędne w szkicu. Nowa pozycja i kształt są aktualizowane dynamicznie.
Wskazówka: Po przesunięciu wskaźnika w żądane położenie, punkt końcowy zostanie przyciągnięty do najbliższej osi poziomej lub pionowej. Aby pominąć funkcję lokalizacji względem obiektu, przytrzymaj klawisz
Ctrl podczas przeciągania lub w opcjach aplikacji

, na karcie Szkic, usuń zaznaczenie opcji Przyciągaj do siatki.
- Jeśli wiązanie uniemożliwia rozciąganie, kliknij przycisk Więcej
i ustaw zastępowanie w celu zwolnienia wiązań wymiarowych lub przerwania wiązań geometrycznych.
- Kliknij, aby ustawić punkt końcowy.
Wskazówka: Kliknij przycisk Backspace, aby przywrócić punkt końcowy.
Rozciąganie za pomocą paska narzędzi Wprowadzanie precyzyjne
- Aby wyświetlić pasek narzędzi Wprowadzanie precyzyjne, zaznacz pole wyboru Wprowadzanie precyzyjne.
- Podaj współrzędne punktu bazowego i naciśnij klawisz Enter. Podgląd dynamiczny wyświetla linie przerywane, które reprezentują pierwotną geometrię, i linie ciągłe, reprezentujące geometrię obróconą. Wybrana geometria zostanie rozciągnięta za pomocą wskaźnika w stałej odległości, określonej przez wybrany punkt bazowy. Na pasku statusu wyświetlane są bezwzględne współrzędne położenia wskaźnika na szkicu.
- Jeśli wiązanie uniemożliwia rozciąganie, kliknij przycisk Więcej
i ustaw zastępowanie w celu zwolnienia wiązań wymiarowych lub przerwania wiązań geometrycznych.
- Na pasku narzędzi Wprowadzanie precyzyjne wprowadź współrzędne punktu końcowego i naciśnij klawisz Enter.
Wskazówka: Za pomocą paska narzędzi Precyzyjne dane wejściowe można powiązać ruch wskaźnika z określoną wartością X lub Y. Na przykład, jeżeli podasz 6.5 w polu X, możesz przesunąć wskaźnik w kierunku Y przy stałym X równym 6.5. Następnie możesz podać wartość w polu Y lub kliknąć w oknie graficznym, aby ustalić położenie punktu.
Wskazówka: Kliknij przycisk Backspace, aby przywrócić punkt końcowy.
- Kliknij prawym przyciskiem myszy i wybierz opcję Gotowe, kliknij przycisk Gotowe w oknie dialogowym lub naciśnij klawisz Esc.
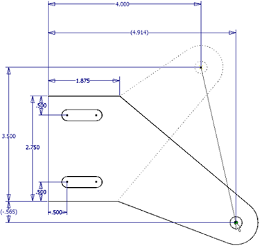
Przykład rozciągania
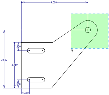
Polecenie Rozciągnij jest aktywne, a dwie linie i łuk łączący są wybrane za pomocą okna wyboru.
Geometria jest wybrana w oknie graficznym, a punkt bazowy wybrany w oknie dialogowym Rozciąganie. Geometria zostanie rozciągnięta do nowego położenia. Wszystkie wymiary, które należało zwolnić, są zwolnione. Pierwotne wymiary będą wyświetlane normalnie, a nowe wymiary — w nawiasach. Zmienione są tylko dwa wymiary. Za pomocą linii kropkowanych oznaczono pierwotną pozycję geometrii.