Można przejrzeć i zmienić wartości parametrów wymiarów kształtu przekroju elementów ram konstrukcyjnych.
Te właściwości są tworzone na podstawie parametru kategorii rodziny Kształt przekroju elementu.
| Kształt przekroju | Dostępne parametry wymiarów przekroju | 
|---|---|
| Standard rury (stal walcowana na gorąco)  | D. Średnica: zewnętrzna średnica przekroju o okrągłym kształcie. T. Grubość projektowa ściany: Grubość prostopadła projektu między wewnętrzną i zewnętrzną powierzchnią kształtu przekroju. t. Grubość nominalna ściany: średnia odległość prostopadła między wewnętrzną i zewnętrzną powierzchnią kształtu przekroju. y. Centroida pozioma: odległość od środka ciężkości kształtu przekroju do skrajnych wartości z lewej strony wzdłuż osi poziomej. z. Centroida pionowa: odległość od środka ciężkości przekroju kształtu do dolnych skrajnych wartości wzdłuż osi pionowej. alfa. Kąt osi głównych: kąt obrotu między osiami głównymi a płaszczyznami odniesienia przekroju poprzecznego. Jest ujęty na liście jako parametr rodziny Analiza konstrukcji. | 
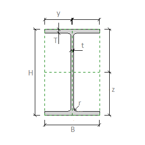
| Dwuteownik o równoległych kanałach kołnierza (stal walcowana na gorąco)  | B. Szerokość: zewnętrzna szerokość kształtu przekroju. H. Wysokość: zewnętrzna wysokość kształtu przekroju. T. Grubość półki: odległość między zewnętrznymi powierzchniami kołnierza w kształcie przekroju. t. Grubość środnika: odległość między zewnętrznymi powierzchniami środnika w kształcie przekroju. r. Zaokrąglenie środnika: promień zaokrąglenia między środnikiem a kołnierzem. y. Centroida pozioma: odległość od środka ciężkości kształtu przekroju do skrajnych wartości z lewej strony wzdłuż osi poziomej. z. Centroida pionowa: odległość od środka ciężkości przekroju kształtu do dolnych skrajnych wartości wzdłuż osi pionowej. alfa. Kąt osi głównych: kąt obrotu między osiami głównymi a płaszczyznami odniesienia przekroju poprzecznego. Jest ujęty na liście jako parametr rodziny Analiza konstrukcji. | 
| Dwuteownik o nachylonym kołnierzu (stal walcowana na gorąco)  | B. Szerokość: zewnętrzna szerokość kształtu przekroju. H. Wysokość: zewnętrzna wysokość kształtu przekroju. T. Grubość półki: odległość między zewnętrznymi powierzchniami kołnierza w kształcie przekroju. t. Grubość środnika: odległość między zewnętrznymi powierzchniami środnika w kształcie przekroju. r1. Zaokrąglenie środnika: promień zaokrąglenia między środnikiem a kołnierzem. r2. Zaokrąglenie kołnierza: promień zaokrąglenia na końcu kołnierza w kształcie przekroju. y. Centroida pozioma: odległość od środka ciężkości kształtu przekroju do skrajnych wartości z lewej strony wzdłuż osi poziomej. z. Centroida pionowa: odległość od środka ciężkości przekroju kształtu do dolnych skrajnych wartości wzdłuż osi pionowej. alfa. Kąt osi głównych: kąt obrotu między osiami głównymi a płaszczyznami odniesienia przekroju poprzecznego. Jest ujęty na liście jako parametr rodziny Analiza konstrukcji. | 
| Dwuteownik szerokostopowy (stal walcowana na gorąco)  | B. Szerokość: zewnętrzna szerokość kształtu przekroju. H. Wysokość: zewnętrzna wysokość kształtu przekroju. T. Grubość półki: odległość między zewnętrznymi powierzchniami kołnierza w kształcie przekroju. t. Grubość środnika: odległość między zewnętrznymi powierzchniami środnika w kształcie przekroju. r. Zaokrąglenie środnika: promień zaokrąglenia między środnikiem a kołnierzem. y. Centroida pozioma: odległość od środka ciężkości kształtu przekroju do skrajnych wartości z lewej strony wzdłuż osi poziomej. z. Centroida pionowa: odległość od środka ciężkości przekroju kształtu do dolnych skrajnych wartości wzdłuż osi pionowej. alfa. Kąt osi głównych: kąt obrotu między osiami głównymi a płaszczyznami odniesienia przekroju poprzecznego. Jest ujęty na liście jako parametr rodziny Analiza konstrukcji. | 
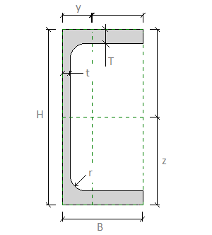
| Ceownik o równoległych kanałach kołnierza (stal walcowana na gorąco)  | B. Szerokość: zewnętrzna szerokość kształtu przekroju. H. Wysokość: zewnętrzna wysokość kształtu przekroju. T. Grubość półki: odległość między zewnętrznymi powierzchniami kołnierza w kształcie przekroju. t. Grubość środnika: odległość między zewnętrznymi powierzchniami środnika w kształcie przekroju. r. Zaokrąglenie środnika: promień zaokrąglenia między środnikiem a kołnierzem. y. Centroida pozioma: odległość od środka ciężkości kształtu przekroju do skrajnych wartości z lewej strony wzdłuż osi poziomej. z. Centroida pionowa: odległość od środka ciężkości przekroju kształtu do dolnych skrajnych wartości wzdłuż osi pionowej. alfa. Kąt osi głównych: kąt obrotu między osiami głównymi a płaszczyznami odniesienia przekroju poprzecznego. Jest ujęty na liście jako parametr rodziny Analiza konstrukcji. | 
| Ceownik o nachylonym kołnierzu (stal walcowana na gorąco)  | B. Szerokość: zewnętrzna szerokość kształtu przekroju. H. Wysokość: zewnętrzna wysokość kształtu przekroju. T. Grubość półki: odległość między zewnętrznymi powierzchniami kołnierza w kształcie przekroju. t. Grubość środnika: odległość między zewnętrznymi powierzchniami środnika w kształcie przekroju. r1. Zaokrąglenie środnika: promień zaokrąglenia między środnikiem a kołnierzem. r2. Zaokrąglenie kołnierza: promień zaokrąglenia na końcu kołnierza w kształcie przekroju. y. Centroida pozioma: odległość od środka ciężkości kształtu przekroju do skrajnych wartości z lewej strony wzdłuż osi poziomej. z. Centroida pionowa: odległość od środka ciężkości przekroju kształtu do dolnych skrajnych wartości wzdłuż osi pionowej. alfa. Kąt osi głównych: kąt obrotu między osiami głównymi a płaszczyznami odniesienia przekroju poprzecznego. Jest ujęty na liście jako parametr rodziny Analiza konstrukcji. | 
| Kątownik (stal walcowana na gorąco)  | B. Szerokość: zewnętrzna szerokość kształtu przekroju. H. Wysokość: zewnętrzna wysokość kształtu przekroju. T. Grubość półki: odległość między zewnętrznymi powierzchniami kołnierza w kształcie przekroju. t. Grubość środnika: odległość między zewnętrznymi powierzchniami środnika w kształcie przekroju. r1. Zaokrąglenie środnika: promień zaokrąglenia między środnikiem a kołnierzem. r2. Zaokrąglenie kołnierza: promień zaokrąglenia na końcu kołnierza w kształcie przekroju. y. Centroida pozioma: odległość od środka ciężkości kształtu przekroju do skrajnych wartości z lewej strony wzdłuż osi poziomej. z. Centroida pionowa: odległość od środka ciężkości przekroju kształtu do dolnych skrajnych wartości wzdłuż osi pionowej. alfa. Kąt osi głównych: kąt obrotu między osiami głównymi a płaszczyznami odniesienia przekroju poprzecznego. Jest ujęty na liście jako parametr rodziny Analiza konstrukcji. | 
| Pręt prostokątny  | B. Szerokość: zewnętrzna szerokość kształtu przekroju. H. Wysokość: zewnętrzna wysokość kształtu przekroju. y. Centroida pozioma: odległość od środka ciężkości kształtu przekroju do skrajnych wartości z lewej strony wzdłuż osi poziomej. z. Centroida pionowa: odległość od środka ciężkości przekroju kształtu do dolnych skrajnych wartości wzdłuż osi pionowej. alfa. Kąt osi głównych: kąt obrotu między osiami głównymi a płaszczyznami odniesienia przekroju poprzecznego. Jest ujęty na liście jako parametr rodziny Analiza konstrukcji. | 
| Pręt okrągły  | D. Średnica: zewnętrzna średnica przekroju o okrągłym kształcie. y. Centroida pozioma: odległość od środka ciężkości kształtu przekroju do skrajnych wartości z lewej strony wzdłuż osi poziomej. z. Centroida pionowa: odległość od środka ciężkości przekroju kształtu do dolnych skrajnych wartości wzdłuż osi pionowej. alfa. Kąt osi głównych: kąt obrotu między osiami głównymi a płaszczyznami odniesienia przekroju poprzecznego. Jest ujęty na liście jako parametr rodziny Analiza konstrukcji. | 
| Profil zamknięty prostokątny (stal kształtowana na zimno)  | B. Szerokość: zewnętrzna szerokość kształtu przekroju. H. Wysokość: zewnętrzna wysokość kształtu przekroju. T. Grubość projektowa ściany: Grubość prostopadła projektu między wewnętrzną i zewnętrzną powierzchnią kształtu przekroju. t. Grubość nominalna ściany: średnia odległość prostopadła między wewnętrzną i zewnętrzną powierzchnią kształtu przekroju. r1. Zaokrąglenie wewnętrzne: promień zaokrąglenia narożnika wewnętrznego kształtu wydrążonego prostokątnego przekroju konstrukcyjnego. r2. Zaokrąglenie zewnętrzne: promień zaokrąglenia narożnika zewnętrznego kształtu wydrążonego prostokątnego przekroju konstrukcyjnego. y. Centroida pozioma: odległość od środka ciężkości kształtu przekroju do skrajnych wartości z lewej strony wzdłuż osi poziomej. z. Centroida pionowa: odległość od środka ciężkości przekroju kształtu do dolnych skrajnych wartości wzdłuż osi pionowej. alfa. Kąt osi głównych: kąt obrotu między osiami głównymi a płaszczyznami odniesienia przekroju poprzecznego. Jest ujęty na liście jako parametr rodziny Analiza konstrukcji. | 
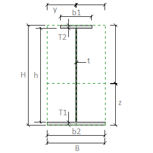
| Dwuteownik spawany (stal ażurowa i spawana)  | B. Szerokość: zewnętrzna szerokość kształtu przekroju. H. Wysokość: zewnętrzna wysokość kształtu przekroju. T2. Grubość górnego kołnierza: odległość między zewnętrzną powierzchnią górnego kołnierza w kształcie przekroju elementu ażurowego lub spawanego. b1. Szerokość górnego kołnierza: zewnętrzna szerokość górnego kołnierza w kształcie przekroju elementu ażurowego lub spawanego. T1. Grubość dolnego kołnierza: odległość między zewnętrznymi powierzchniami dolnego kołnierza w kształcie przekroju elementu ażurowego lub spawanego. b2. Szerokość dolnego kołnierza: zewnętrzna szerokość dolnego kołnierza w kształcie przekroju elementu ażurowego lub spawanego. t. Grubość środnika: odległość między zewnętrznymi powierzchniami środnika w kształcie przekroju. h. Wysokość środnika: odległość wzdłuż środnika pomiędzy kołnierzami w kształcie przekroju. y. Centroida pozioma: odległość od środka ciężkości kształtu przekroju do skrajnych wartości z lewej strony wzdłuż osi poziomej. z. Centroida pionowa: odległość od środka ciężkości przekroju kształtu do dolnych skrajnych wartości wzdłuż osi pionowej. alfa. Kąt osi głównych: kąt obrotu między osiami głównymi a płaszczyznami odniesienia przekroju poprzecznego. Jest ujęty na liście jako parametr rodziny Analiza konstrukcji. | 
| Profil zamknięty okrągły (stal kształtowana na zimno)  | D. Średnica: zewnętrzna średnica przekroju o okrągłym kształcie. T. Grubość projektowa ściany: Grubość prostopadła projektu między wewnętrzną i zewnętrzną powierzchnią kształtu przekroju. t. Grubość nominalna ściany: średnia odległość prostopadła między wewnętrzną i zewnętrzną powierzchnią kształtu przekroju. y. Centroida pozioma: odległość od środka ciężkości kształtu przekroju do skrajnych wartości z lewej strony wzdłuż osi poziomej. z. Centroida pionowa: odległość od środka ciężkości przekroju kształtu do dolnych skrajnych wartości wzdłuż osi pionowej. alfa. Kąt osi głównych: kąt obrotu między osiami głównymi a płaszczyznami odniesienia przekroju poprzecznego. Jest ujęty na liście jako parametr rodziny Analiza konstrukcji. | 
| Dwuteownik podzielony o równoległych kanałach kołnierza (stal walcowana na gorąco)  | B. Szerokość: zewnętrzna szerokość kształtu przekroju. H. Wysokość: zewnętrzna wysokość kształtu przekroju. T. Grubość półki: odległość między zewnętrznymi powierzchniami kołnierza w kształcie przekroju. t. Grubość środnika: odległość między zewnętrznymi powierzchniami środnika w kształcie przekroju. r. Zaokrąglenie środnika: promień zaokrąglenia między środnikiem a kołnierzem. y. Centroida pozioma: odległość od środka ciężkości kształtu przekroju do skrajnych wartości z lewej strony wzdłuż osi poziomej. z. Centroida pionowa: odległość od środka ciężkości przekroju kształtu do dolnych skrajnych wartości wzdłuż osi pionowej. alfa. Kąt osi głównych: kąt obrotu między osiami głównymi a płaszczyznami odniesienia przekroju poprzecznego. Jest ujęty na liście jako parametr rodziny Analiza konstrukcji. | 
| Dwuteownik podzielony o nachylonym kołnierzu (stal walcowana na gorąco)  | B. Szerokość: zewnętrzna szerokość kształtu przekroju. H. Wysokość: zewnętrzna wysokość kształtu przekroju. T. Grubość półki: odległość między zewnętrznymi powierzchniami kołnierza w kształcie przekroju. t. Grubość środnika: odległość między zewnętrznymi powierzchniami środnika w kształcie przekroju. r1. Zaokrąglenie środnika: promień zaokrąglenia między środnikiem a kołnierzem. r2. Zaokrąglenie kołnierza: promień zaokrąglenia na końcu kołnierza w kształcie przekroju. y. Centroida pozioma: odległość od środka ciężkości kształtu przekroju do skrajnych wartości z lewej strony wzdłuż osi poziomej. z. Centroida pionowa: odległość od środka ciężkości przekroju kształtu do dolnych skrajnych wartości wzdłuż osi pionowej. alfa. Kąt osi głównych: kąt obrotu między osiami głównymi a płaszczyznami odniesienia przekroju poprzecznego. Jest ujęty na liście jako parametr rodziny Analiza konstrukcji. | 
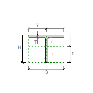
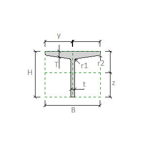
| Trójniki konstrukcyjne (stal walcowana na gorąco)  | B. Szerokość: zewnętrzna szerokość kształtu przekroju. H. Wysokość: zewnętrzna wysokość kształtu przekroju. T. Grubość półki: odległość między zewnętrznymi powierzchniami kołnierza w kształcie przekroju. t. Grubość środnika: odległość między zewnętrznymi powierzchniami środnika w kształcie przekroju. r1. Zaokrąglenie środnika: promień zaokrąglenia między środnikiem a kołnierzem. r2. Zaokrąglenie kołnierza: promień zaokrąglenia na końcu kołnierza w kształcie przekroju. y. Centroida pozioma: odległość od środka ciężkości kształtu przekroju do skrajnych wartości z lewej strony wzdłuż osi poziomej. z. Centroida pionowa: odległość od środka ciężkości przekroju kształtu do dolnych skrajnych wartości wzdłuż osi pionowej. alfa. Kąt osi głównych: kąt obrotu między osiami głównymi a płaszczyznami odniesienia przekroju poprzecznego. Jest ujęty na liście jako parametr rodziny Analiza konstrukcji. |