Esticar geometria selecionada. As restrições associadas à geometria selecionada podem afetar a operação de estiramento.
- Clique na guia Esboço
painel Modificar
Esticar
. Aparecerá a caixa de diálogo Esticar com o comando Selecionar ativado.
- Na janela de desenho, selecione a geometria ou seleciona os grupos de geometria com a janela de seleção. Clique com o botão direito do mouse e selecione Continuar para fechar o comando Selecionar e ativa o Ponto base na caixa de diálogo Esticar.
Dica: Se você precisar de apenas uma seleção de geometria antes da seleção do ponto central, use Otimizar para seleção única. Em seguida, o comando Ponto base é ativado automaticamente após a seleção da primeira geometria.
- Escolha um método para definir o ponto base e a extremidade da operação de estiramento:
Esticar usando o ponteiro
- Para definir o ponto base para a operação de estiramento, clique na janela de desenho . Uma visualização dinâmica exibe linhas tracejadas que representam a geometria original e linhas sólidas que representam a geometria rotacionada. A geometria selecionada é esticada com o ponteiro em um deslocamento constante estabelecido pela seleção do ponto base.
- Arraste o ponteiro na janela de desenho. Não é necessário manter o botão do mouse pressionado. À medida que você move o ponteiro, a barra de status exibe as coordenadas absolutas do esboço. A nova posição e a forma são atualizadas dinamicamente.
Dica: Ao arrastar o ponteiro até a posição aproximada, a extremidade executa um snap para o eixo vertical ou horizontal mais próximo. Para substituir essa operação de snap, mantenha pressionada a tecla
Ctrl enquanto arrasta ou, em Opções do aplicativo

guia Esboço, desmarque Snap à grade.
- Se as restrições impedem a operação de estiramento, clique em Mais
e defina as substituições para relaxar as restrições de cota ou para quebrar as restrições geométricas.
- Clique para definir a extremidade.
Dica: Clique em Backspace para redefinir a extremidade.
Esticar usando a entrada precisa
- Para abrir a barra de ferramentas Entrada precisa, marque a caixa de seleção Entrada precisa.
- Insira as coordenadas para o ponto base e pressione Enter. Uma visualização dinâmica exibe linhas tracejadas que representam a geometria original e linhas sólidas que representam a geometria rotacionada. A geometria selecionada é esticada com o ponteiro em um deslocamento constante estabelecido pela seleção do ponto base. A barra de status exibe as coordenadas absolutas do esboço do ponteiro.
- Se as restrições impedem a operação de estiramento, clique em Mais
e defina as substituições para relaxar as restrições de cota ou para quebrar as restrições geométricas.
- Na barra de ferramentas Entrada precisa, insira as coordenadas da extremidade e pressione Enter.
Dica: É possível utilizar a barra de ferramentas Entrada precisa para restringir o movimento do ponteiro a um valor específico de X ou Y. Por exemplo, se inserir 6,5 no campo X, poderá arrastar o ponteiro na direção de Y com X restringido em 6,5. Por exemplo, se você inserir 6.5 em X, poderá arrastar o ponteiro na direção Y com X restrito a 6.5. Em seguida, inseria um valor em Y ou clique na janela de desenho para definir o ponto.
Dica: Clique em Backspace para redefinir a extremidade.
- Clique com o botão direito do mouse e selecione Concluir, clique em Concluir na caixa de diálogo ou pressione Esc.
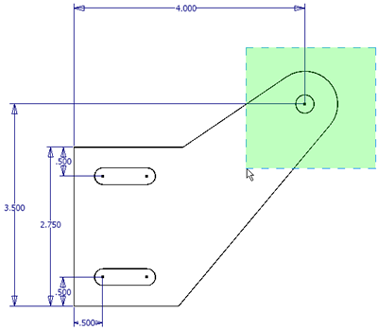
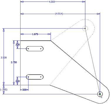
Exemplo de estiramento
O comando Esticar está ativo e as duas linhas e o arco de conexão são selecionados com o método de seleção de janela.
A geometria é selecionada na janela de desenho e o ponto base é selecionado na caixa de diálogo Esticar. A geometria é esticada até sua nova posição. Todas as cotas necessárias são relaxadas. As cotas originais são exibidas normalmente e as novas cotas são exibidas entre parênteses. Somente duas das cotas são alteradas. Linhas pontilhadas indicam a posição original da geometria.