Parâmetros de cota da forma de corte

Reveja e modifique os valores dos parâmetros de cota da forma de corte de elementos de esqueleto estrutural.

Estas propriedades são criadas a partir do parâmetro de categoria da família de forma de corte do elemento.

Forma do corte Parâmetros de cotas de forma disponíveis
Tubulação padrão (aço laminado a quente)

D. Diâmetro: o diâmetro externo da forma de corte redonda.

T Espessura do projeto de parede: a espessura do projeto perpendicular entre as superfícies interna e externa de uma forma de corte.

T Espessura nominal da parede: a distância perpendicular média entre a superfície interna e externa da forma de corte.

y.. Centróide horizontal: a distância entre o centróide da forma de corte para a extremidade esquerda ao longo do eixo horizontal.

z. Centróide vertical: a distância entre o centróide da forma de corte na extremidade inferior ao longo do eixo vertical.

alpha. Ângulo do eixo principal: o ângulo de rotação entre os eixos principais os planos de referência da seção transversal. Isto está listado como um parâmetro de família de Análise estrutural.

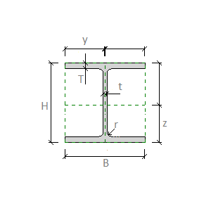
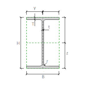
Forma de I do flange paralelo (aço laminado a quente)

B. Largura: a largura externa da forma de corte.

H. Altura: a altura externa da forma de corte.

T. Espessura do flange: a distância entre as superfícies externas do flange na forma de corte.

T Espessura da teia: a distância entre as superfícies externas da teia na forma de corte.

r. Concordância da teia: o raio da concordância entre a teia e o flange.

y.. Centróide horizontal: a distância entre o centróide da forma de corte para a extremidade esquerda ao longo do eixo horizontal.

z. Centróide vertical: a distância entre o centróide da forma de corte na extremidade inferior ao longo do eixo vertical.

alpha. Ângulo do eixo principal: o ângulo de rotação entre os eixos principais os planos de referência da seção transversal. Isto está listado como um parâmetro de família de Análise estrutural.

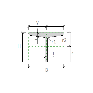
Forma de I do flange inclinado (aço laminado a quente)

B. Largura: a largura externa da forma de corte.

H. Altura: a altura externa da forma de corte.

T. Espessura do flange: a distância entre as superfícies externas do flange na forma de corte.

T Espessura da teia: a distância entre as superfícies externas da teia na forma de corte.

r1. Concordância da teia: o raio da concordância entre a teia o e o flange.

r2. Concordância do flange: o raio da concordância na extremidade de um flange na forma de corte.

y.. Centróide horizontal: a distância entre o centróide da forma de corte para a extremidade esquerda ao longo do eixo horizontal.

z. Centróide vertical: a distância entre o centróide da forma de corte na extremidade inferior ao longo do eixo vertical.

alpha. Ângulo do eixo principal: o ângulo de rotação entre os eixos principais os planos de referência da seção transversal. Isto está listado como um parâmetro de família de Análise estrutural.

Forma de I do flange largo (aço laminado a quente)

B. Largura: a largura externa da forma de corte.

H. Altura: a altura externa da forma de corte.

T. Espessura do flange: a distância entre as superfícies externas do flange na forma de corte.

T Espessura da teia: a distância entre as superfícies externas da teia na forma de corte.

r. Concordância da teia: o raio da concordância entre a teia e o flange.

y.. Centróide horizontal: a distância entre o centróide da forma de corte para a extremidade esquerda ao longo do eixo horizontal.

z. Centróide vertical: a distância entre o centróide da forma de corte na extremidade inferior ao longo do eixo vertical.

alpha. Ângulo do eixo principal: o ângulo de rotação entre os eixos principais os planos de referência da seção transversal. Isto está listado como um parâmetro de família de Análise estrutural.

Canal C em flange paralelo (aço laminado a quente)

B. Largura: a largura externa da forma de corte.

H. Altura: a altura externa da forma de corte.

T. Espessura do flange: a distância entre as superfícies externas do flange na forma de corte.

T Espessura da teia: a distância entre as superfícies externas da teia na forma de corte.

r. Concordância da teia: o raio da concordância entre a teia e o flange.

y.. Centróide horizontal: a distância entre o centróide da forma de corte para a extremidade esquerda ao longo do eixo horizontal.

z. Centróide vertical: a distância entre o centróide da forma de corte na extremidade inferior ao longo do eixo vertical.

alpha. Ângulo do eixo principal: o ângulo de rotação entre os eixos principais os planos de referência da seção transversal. Isto está listado como um parâmetro de família de Análise estrutural.

Canal C em flange inclinado (aço laminado a quente)

B. Largura: a largura externa da forma de corte.

H. Altura: a altura externa da forma de corte.

T. Espessura do flange: a distância entre as superfícies externas do flange na forma de corte.

T Espessura da teia: a distância entre as superfícies externas da teia na forma de corte.

r1. Concordância da teia: o raio da concordância entre a teia o e o flange.

r2. Concordância do flange: o raio da concordância na extremidade de um flange na forma de corte.

y.. Centróide horizontal: a distância entre o centróide da forma de corte para a extremidade esquerda ao longo do eixo horizontal.

z. Centróide vertical: a distância entre o centróide da forma de corte na extremidade inferior ao longo do eixo vertical.

alpha. Ângulo do eixo principal: o ângulo de rotação entre os eixos principais os planos de referência da seção transversal. Isto está listado como um parâmetro de família de Análise estrutural.

Ângulo L (aço laminado a quente)

B. Largura: a largura externa da forma de corte.

H. Altura: a altura externa da forma de corte.

T. Espessura do flange: a distância entre as superfícies externas do flange na forma de corte.

T Espessura da teia: a distância entre as superfícies externas da teia na forma de corte.

r1. Concordância da teia: o raio da concordância entre a teia o e o flange.

r2. Concordância do flange: o raio da concordância na extremidade de um flange na forma de corte.

y.. Centróide horizontal: a distância entre o centróide da forma de corte para a extremidade esquerda ao longo do eixo horizontal.

z. Centróide vertical: a distância entre o centróide da forma de corte na extremidade inferior ao longo do eixo vertical.

alpha. Ângulo do eixo principal: o ângulo de rotação entre os eixos principais os planos de referência da seção transversal. Isto está listado como um parâmetro de família de Análise estrutural.

Barra de retangular

B. Largura: a largura externa da forma de corte.

H. Altura: a altura externa da forma de corte.

y.. Centróide horizontal: a distância entre o centróide da forma de corte para a extremidade esquerda ao longo do eixo horizontal.

z. Centróide vertical: a distância entre o centróide da forma de corte na extremidade inferior ao longo do eixo vertical.

alpha. Ângulo do eixo principal: o ângulo de rotação entre os eixos principais os planos de referência da seção transversal. Isto está listado como um parâmetro de família de Análise estrutural.

Barra redonda

D. Diâmetro: o diâmetro externo da forma de corte redonda.

y.. Centróide horizontal: a distância entre o centróide da forma de corte para a extremidade esquerda ao longo do eixo horizontal.

z. Centróide vertical: a distância entre o centróide da forma de corte na extremidade inferior ao longo do eixo vertical.

alpha. Ângulo do eixo principal: o ângulo de rotação entre os eixos principais os planos de referência da seção transversal. Isto está listado como um parâmetro de família de Análise estrutural.

HSS retangular (aço laminado a quente)

B. Largura: a largura externa da forma de corte.

H. Altura: a altura externa da forma de corte.

T Espessura do projeto de parede: a espessura do projeto perpendicular entre as superfícies interna e externa de uma forma de corte.

T Espessura nominal da parede: a distância perpendicular média entre a superfície interna e externa da forma de corte.

r1. Concordância interna: o raio da concordância do canto interno de uma forma de seção estrutural oca e retangular.

r2. Concordância externa: o raio da concordância do canto externo de uma forma de seção estrutural oca e retangular.

y.. Centróide horizontal: a distância entre o centróide da forma de corte para a extremidade esquerda ao longo do eixo horizontal.

z. Centróide vertical: a distância entre o centróide da forma de corte na extremidade inferior ao longo do eixo vertical.

alpha. Ângulo do eixo principal: o ângulo de rotação entre os eixos principais os planos de referência da seção transversal. Isto está listado como um parâmetro de família de Análise estrutural.

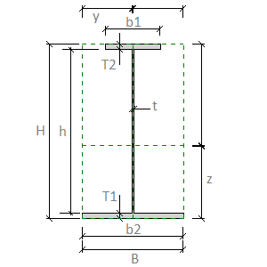
Forma de I soldada (aço castelado e soldado)

B. Largura: a largura externa da forma de corte.

H. Altura: a altura externa da forma de corte.

T2. Espessura do flange superior: a distância entre as superfícies externas do flange superior na forma de corte de um elemento castelado ou soldado.

b1. Largura do flange superior: a largura externa do flange superior na forma de corte de um elemento castelado ou soldado.

T1. Espessura do flange inferior: a distância entre as superfícies externas do flange inferior na forma de corte de um elemento castelado ou soldado.

b2. Largura do flange inferior: a largura externa do flange inferior na forma de corte de um elemento castelado ou soldado.

T Espessura da teia: a distância entre as superfícies externas da teia na forma de corte.

h. Altura da teia: a distância ao longo da teia entre os flanges na forma de corte.

y.. Centróide horizontal: a distância entre o centróide da forma de corte para a extremidade esquerda ao longo do eixo horizontal.

z. Centróide vertical: a distância entre o centróide da forma de corte na extremidade inferior ao longo do eixo vertical.

alpha. Ângulo do eixo principal: o ângulo de rotação entre os eixos principais os planos de referência da seção transversal. Isto está listado como um parâmetro de família de Análise estrutural.

HSS redondo (aço laminado a frio)

D. Diâmetro: o diâmetro externo da forma de corte redonda.

T Espessura do projeto de parede: a espessura do projeto perpendicular entre as superfícies interna e externa de uma forma de corte.

T Espessura nominal da parede: a distância perpendicular média entre a superfície interna e externa da forma de corte.

y.. Centróide horizontal: a distância entre o centróide da forma de corte para a extremidade esquerda ao longo do eixo horizontal.

z. Centróide vertical: a distância entre o centróide da forma de corte na extremidade inferior ao longo do eixo vertical.

alpha. Ângulo do eixo principal: o ângulo de rotação entre os eixos principais os planos de referência da seção transversal. Isto está listado como um parâmetro de família de Análise estrutural.

Forma de I do flange paralelo (aço laminado a quente)

B. Largura: a largura externa da forma de corte.

H. Altura: a altura externa da forma de corte.

T. Espessura do flange: a distância entre as superfícies externas do flange na forma de corte.

T Espessura da teia: a distância entre as superfícies externas da teia na forma de corte.

r. Concordância da teia: o raio da concordância entre a teia e o flange.

y.. Centróide horizontal: a distância entre o centróide da forma de corte para a extremidade esquerda ao longo do eixo horizontal.

z. Centróide vertical: a distância entre o centróide da forma de corte na extremidade inferior ao longo do eixo vertical.

alpha. Ângulo do eixo principal: o ângulo de rotação entre os eixos principais os planos de referência da seção transversal. Isto está listado como um parâmetro de família de Análise estrutural.

Forma de I do flange inclinado (aço laminado a quente)

B. Largura: a largura externa da forma de corte.

H. Altura: a altura externa da forma de corte.

T. Espessura do flange: a distância entre as superfícies externas do flange na forma de corte.

T Espessura da teia: a distância entre as superfícies externas da teia na forma de corte.

r1. Concordância da teia: o raio da concordância entre a teia o e o flange.

r2. Concordância do flange: o raio da concordância na extremidade de um flange na forma de corte.

y.. Centróide horizontal: a distância entre o centróide da forma de corte para a extremidade esquerda ao longo do eixo horizontal.

z. Centróide vertical: a distância entre o centróide da forma de corte na extremidade inferior ao longo do eixo vertical.

alpha. Ângulo do eixo principal: o ângulo de rotação entre os eixos principais os planos de referência da seção transversal. Isto está listado como um parâmetro de família de Análise estrutural.

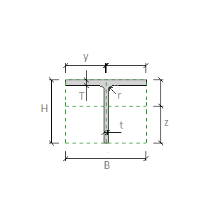
Tês estruturais (aço laminado a quente)

B. Largura: a largura externa da forma de corte.

H. Altura: a altura externa da forma de corte.

T. Espessura do flange: a distância entre as superfícies externas do flange na forma de corte.

T Espessura da teia: a distância entre as superfícies externas da teia na forma de corte.

r1. Concordância da teia: o raio da concordância entre a teia o e o flange.

r2. Concordância do flange: o raio da concordância na extremidade de um flange na forma de corte.

y.. Centróide horizontal: a distância entre o centróide da forma de corte para a extremidade esquerda ao longo do eixo horizontal.

z. Centróide vertical: a distância entre o centróide da forma de corte na extremidade inferior ao longo do eixo vertical.

alpha. Ângulo do eixo principal: o ângulo de rotação entre os eixos principais os planos de referência da seção transversal. Isto está listado como um parâmetro de família de Análise estrutural.