As imagens a seguir mostram os resultados dos diversos métodos de dimensionamento de tubulação.

Antes de dimensionar

Após dimensionar

Antes de dimensionar

Após dimensionar

Antes de dimensionar

Após dimensionar

Antes de dimensionar

Após dimensionar

Antes de dimensionar

Após dimensionar

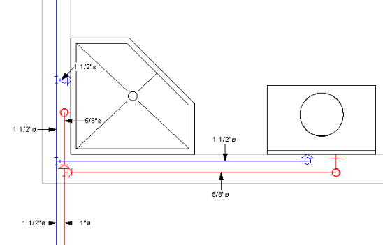
Tubulação única

Diagrama de fluxo