Прим.: Лестница была создана в трехмерной раме, представленной на рисунке ниже.
При создании лестницы поступают следующим образом.
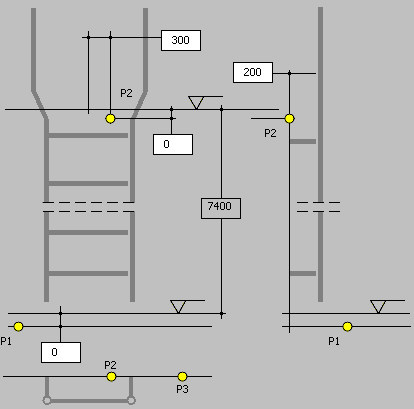
- Создают трехмерную раму, представленную на рисунке выше.
- Выбирают опцию Приставная лестница
.
- Указывают три точки, определяющие расположение лестницы: P1, P2 и P3 как показано на рисунке.
- В диалоговом окне Приставная лестница в закладке Положение задают размеры лестницы, как показано ниже.
- Переходят к закладке Вертикальные стержни и выбирают следующие опции:
- тип удлиненных стержней - прямые;
- профили LP 3.5x3.5x0.25;
- семейство профилей;
- материал: СТАЛЬ;
- вводят размеры так, как показано на рисунке ниже.
- Переходят к закладке Ступени и выбирают следующие опции:
- соединение ступенек: простое;
- профили C 3x6;
- семейство профилей;
- материал: СТАЛЬ;
- вводят размеры так, как показано на рисунке ниже.
- Переходят к закладке Соединения и включают опцию Основание лестницы на нижней отметке (лестница будет подсоединена на уровне нижнего этажа); дополнительное соединение к нижнему уровню будет добавлено в список соединений; после его указания (выделения) нажимают на кнопку Свойства и принимают по умолчанию величины соединения в диалоговом окне Свойства соединений, нажав на кнопку OK.
- Внизу диалогового окна задают параметры болтов:
- Диаметр болта = 0.625;
- Класс = 4,8.
- Нажимают на кнопку Сохранить как шаблон (открывается дополнительное диалоговое окно, в котором указывают имя шаблона, например Лестница 1, и он будет сохранён во внешнем файле), после повторного открытия диалогового окна для создания лестницы это имя будет доступно в списке поля Исп. шаблон.
- Нажимают на кнопку ОК. Созданная лестница будет находиться в выбранном месте трехмерной рамы. Часть рамы представлена на рисунке.
