Данный элемент конструкции перекрывает одну стороны существующей дороги и добавляет к кромке одну или более полос движения, обеспечивая соответствие с существующими поперечными уклонами полосы.

Точка привязки расположена на внутренней кромке верха слоя покрытия.
Примечание: если не указаны другие единицы, все размеры приводятся в метрах или футах. Если значение поперечного уклона не указано в процентах (знак "%"), все значения поперечного уклона даны как отношение длины к высоте (например, 4 : 1).
|
Параметр |
Описание |
Тип |
По умолчанию |
|---|---|---|---|
|
Расстояние до выборочной точки |
Смещение выборочной точки может располагаться в любом месте между точкой вставки и следующим разломом поперечного уклона на существующей поверхности дороги. Местоположением обычной "Выборочной точки" является гребень дороги, или, если дорога не является двускатной, противоположный край дорожного покрытия. |
Числовое |
0,0 |
|
Расстояние до точки вставки |
Обычно смещение точки вставки находится на крае дорожного покрытия в месте уширения |
Числовое |
0,0 |
|
Толщина покрытия |
Толщина покрытия выше существующей проектной поверхности |
Числовое, положительное |
0,100 м 0,30 фута |
|
Ширина |
Ширина полосы уширения |
Числовое, положительное |
3,6 м 12,0 фут |
|
Толщина покрытия 1 |
Толщина слоя "Покрытие1" для полосы уширения; нуль - игнорировать слой |
Числовое, положительное |
0,025 м 0,083 фута |
|
Толщина покрытия 2 |
Толщина слоя "Покрытие2" для полосы уширения; нуль - игнорировать слой |
Числовое, положительное |
0,025 м 0,083 фута |
|
Толщина основания |
Толщина слоя основания для полосы уширения |
Числовое, положительное |
0,100 м 0,333 фута |
|
Толщина дополнительного слоя основания |
Толщина дополнительного слоя основания для полосы уширения |
Числовое, положительное |
0,300 м 1,0 фут |
В этом разделе перечислены параметры данного элемента конструкции, которые могут соответствовать одному или нескольким целевым объектам чертежа, например поверхности, трассе или профилю. Более подробные сведения приведены в разделах в руководстве пользователя AutoCAD Civil 3D.
|
Параметр |
Описание |
Статус |
|---|---|---|
|
Существующая поверхность |
Имя поверхности, определяющей существующее дорожное полотно. Следующие объекты могут использоваться в качестве целевых для задания поверхности: поверхности. |
Требуется |
|
Расстояние до выборочной точки |
Может использоваться для переопределения фиксированного значения "Расстояние до выборочной точки" и привязки точки к смещенной трассе Следующие типы объектов могут использоваться в качестве целевых для указания смещения: трассы, полилинии, характерные линии и фигуры съемки. |
Не обязательно |
|
Расстояние до точки вставки |
Может использоваться для переопределения фиксированного значения "Расстояние до точки вставки" и для привязки точки к смещенной трассе Следующие типы объектов могут использоваться в качестве целевых для указания смещения: трассы, полилинии, характерные линии и фигуры съемки. |
Не обязательно |
|
Ширина |
Может использоваться для переопределения фиксированного значения "Ширина" полосы уширения и привязки края полосы к смещенной трассе Следующие типы объектов могут использоваться в качестве целевых для указания смещения: трассы, полилинии, характерные линии и фигуры съемки. |
Не обязательно |
|
Параметр |
Описание |
Тип |
|---|---|---|
|
Поперечный уклон в % |
Рассчитанный поперечный уклон на существующей поверхности от точки "Выборочная точка" до точки "Точка вставки" |
Числовое |
Определяются отметки выборочной точки и точки вставки на существующей поверхности, откос рассчитывается от выборочной точки до точки вставки. Над существующей полосой добавляется поверхность покрытия с таким же поперечным уклоном, как и для заданного параметра "Толщина покрытия". Замкнутая форма покрытия создается с помощью наложения одного или нескольких звеньев на существующую поверхность. Полоса уширения с рассчитанным поперечным уклоном присоединяется наружу от покрытия в точке смещения вставки, используя рассчитанный поперечный уклон.
Слои дорожного покрытия с обоих концов замыкаются вертикальными звеньями. Одно вертикальное звено также размещается от внутренней кромки дополнительного слоя основания до существующей поверхности.
Данный элемент конструкции в режиме компоновки присоединяется к любой удобной точке. Показан слой покрытия с одинаковой толщиной и шириной 3,6 метра или 12 футов с поперечным уклоном -2%. Полоса уширения продлевается от кромки покрытия на заданную ширину и глубины с откосом -2%.
В режиме моделирования формы регулируются фактическими условиями, которые определяются параметры "Выборочная точка", "Точка вставки" и "Конечная поверхность".

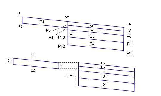
В следующей таблице для этого элемента конструкции перечислены коды точек, звеньев и форм, для которых имеются назначаемые коды. Коды точек, звеньев или форм данного элемента конструкции, которым коды не назначаются, в таблице не приводятся.
|
Точка, Звено или Форма |
Код |
Описание |
|---|---|---|
|
P5 |
КПЧ |
Внешний край полосы уширения на проектной поверхности |
|
P7 |
КПЧ_Покрытие1 |
Внешний край полосы уширения на слое "Покрытие1" |
|
P9 |
КПЧ_Покрытие2 |
Внешний край полосы уширения на слое "Покрытие2" |
|
P11 |
КПЧ_Основание |
Внешний край полосы уширения на основании |
|
P13 |
КПЧ_Осн |
Внешний край полосы уширения на дополнительном слое основания |
|
L1, L5 |
Верх, Покрытие |
Проектная поверхность |
|
L2 |
Покрытие |
Наложенное на звенья на существующей поверхности. Следует заметить, что между точками Р3 и Р4 может быть не одна, а несколько точек. |
|
L6 |
Покрытие1 |
|
|
L7 |
Покрытие2 |
|
|
L8 |
Основание |
|
|
L9 |
Дополнительный слой основания, база отсчета |
|
|
L10 |
База отсчета |
|
|
S1 |
Покрытие |
Зона между покрытием и существующей полосой |
|
S2 |
Покрытие1 |
|
|
S3 |
Покрытие2 |
|
|
S4 |
Основание |
|
|
S5 |
Дополнительный слой основания |
