Растягивание выбранной геометрии. Зависимости, связанные с выбранной геометрией, влияют на операции растягивания.
- Выберите вкладку "Эскиз"
панель "Редактирование"
Растянуть
. Откроется диалоговое окно "Растягивание", в котором будет активизирована команда "Выбор".
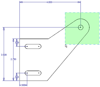
- В графическом окне выберите геометрию или группы геометрии с помощью рамки выбора. Щелкните правой кнопкой и выберите "Продолжить", чтобы завершить выполнение команды "Выбор" и активировать команду "Базовая точка" в диалоговом окне "Растягивание".
Совет: Если необходимо выбрать только одну геометрию до центральной точки, используйте параметр "Оптимизировать для выбора одного значения". После выбора первой геометрии автоматически активируется команда "Базовая точка".
- Выберите метод определения базовой и конечной точек для операции растягивания.
Растягивание с помощью указателя
- Чтобы задать базовую точку для растягивания, щелкните в графическом окне. Динамический просмотр отображает пунктирные линии, представляющие исходную геометрию, и сплошные линии, представляющие поворот геометрии. Выбранная геометрия растягивается с помощью указателя с постоянным смещением, которое задается выбором базовой точки.
- Перетащите указатель в графическом окне. Кнопку мыши удерживать не обязательно. При перемещении указателя в строке состояния отображается его абсолютные координаты на эскизе. Новое положение и форма обновляются динамически.
Совет: Если переместить указатель в ориентировочное положение, конечная точка будет привязана к ближайшей вертикальной или горизонтальной оси. Для переопределения элемента привязки нажмите и удерживайте клавишу
CTRL при перетаскивании или в диалоговом окне "Параметры приложения"

вкладке "Эскиз" снимите флажок "Привязка к сетке".
- Если из-за наложенных зависимостей невозможно выполнить растягивание, щелкните "Дополнительно"
и переопределите геометрию таким образом, чтобы снять размерные и разорвать геометрические зависимости.
- Щелкнуть для задания конечной точки.
Совет: Нажмите BACKSPACE, чтобы сбросить конечную точку.
Растягивание с помощью точного ввода
- Чтобы открыть панель инструментов "Точный ввод", установите флажок "Точный ввод".
- Введите координаты для базовой точки и нажмите клавишу ENTER. Динамический просмотр отображает пунктирные линии, представляющие исходную геометрию, и сплошные линии, представляющие поворот геометрии. Выбранная геометрия растягивается с помощью указателя с постоянным смещением, которое задается выбором базовой точки. В строке состояния отображаются абсолютные координаты указателя на эскизе.
- Если из-за наложенных зависимостей невозможно выполнить растягивание, щелкните "Дополнительно"
и переопределите геометрию таким образом, чтобы снять размерные и разорвать геометрические зависимости.
- На панели инструментов "Точный ввод", введите координаты конечной точки и нажмите клавишу ENTER.
Совет: Используйте панель инструментов "Точный ввод", чтобы перемещение указателя было ограничено определенным значением на оси X или Y. Например, если в поле "X" указать значение 6,5, указатель можно перемещать в направлении оси Y cо значением ограничения по оси X = 6,5. Затем можно ввести значение в поле "Y" или щелкнуть в графическом окне для задания точки.
Совет: Нажмите BACKSPACE, чтобы сбросить конечную точку.
- Щелкните правой кнопкой мыши и выберите "Завершить", щелкните "Завершить" в диалоговом окне или нажмите ESC.
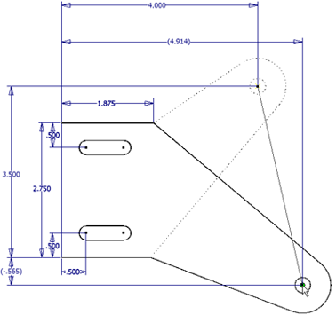
Пример растягивания
Команда "Растянуть" активна, два отрезка и соединительная дуга, выбранны с помощью рамки выбора.
Геометрия выбранна в графическом окне, а базовая точка — в диалоговом окне "Растягивание". Геометрия растягивается в новое положение. Все необходимые размеры отменены. Исходные размеры отображаются обычным образом, а новые — в скобках. Изменены только два размера. Пунктирными линиями обозначено исходное положение геометрии.