Изменение файла параметрического элемента

Далее в учебном пособии созданный параметрический элемент будет преобразован в табличный параметрический элемент. В нем будут размещены T-образные прорези разных размеров. Будет отредактирована таблица определений с включением в нее различных параметров размера. Также будет добавлен ключ, используемый для выбора паза определенного размера при размещении.

  1. Откройте файл tutorial_TSlot.ide.
    Прим.: Поскольку файл только что был сохранен в папке "Пазы", данная папка при нажатии кнопки Открыть должна быть активной. В противном случае резервная копия файла доступна в папке ...\Autodesk\Inventor LT [версия]\Tutorial Files\iFeatures.

    Параметрические элементы хранятся в файлах с расширением *.IDE. В них содержится геометрия, представляющая добавляемые (или вычитаемые) элементы. Файл tutorial_TSlot содержит черные поверхности, представляющие вырез выдавливания. Табличный ряд параметрических элементов не используется для внесения изменений в элементы модели.

    Откроется вкладка ленты, содержащая панель "Параметрический элемент".

  2. На ленте щелкните вкладку "Параметрический элемент" панель "Параметрический элемент" "Табличный ряд параметрических элементов".
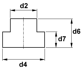
  3. Щелкните правой кнопкой мыши значение 1 в ячейке слева от параметра 12 мм, расположенного в нижней части диалогового окна "Создание параметрических элементов". В контекстном меню выберите Вставить строку.
  4. Задайте для новой строки значения d2 = 14 мм, d4 = 22 мм, d6 = 16 мм и d7 = 9 мм.
  5. Добавьте две дополнительных строки. Задайте для первой строки значения d2 = 18 мм, d4 = 29 мм, d6 = 19 мм и d7 = 11 мм. Задайте для второй строки значения d2 = 22 мм, d4 = 35 мм, d6 = 25 мм и d7 = 14 мм.

    Часть диалогового окна с таблицей параметров должна выглядеть в соответствии с рисунком, приведенным ниже.

  6. В диалоговом окне "Создание параметрических элементов" щелкните вкладку Прочее, а затем выберите Добавить.
  7. В столбце Имя щелкните Новый элемент 0 и измените значение на Размер.
  8. В столбце Запрос щелкните Ввод нового элемента 0 и измените значение на Выбор размера.
  9. Слева от параметра Размер щелкните серый значок в форме ключа. Обратите внимание на то, что цвет значка изменится на синий,·и синий значок ключа появится в заголовке столбца Размер, который отсутствует в области таблицы параметров диалогового окна.
  10. Для каждой строки таблицы параметров измените значение ключа Размер следующим образом:
      Значение в строке 1: M10x1,5
      Значение в строке 2: M12x1,75
      Значение в строке 3: M16x2,0
      Значение в строке 4: M20x2,5
    Прим.: Гайки с метрической резьбой для Т-образной прорези обозначаются, как размерами прорези, так и диаметром резьбы резьбового отверстия. Значение Размер, введенное ранее, определяет резьбу для размера Т-образного паза. Данное учебное пособие содержит значения не для всех размеров прорезей.
  11. Для сохранения добавленных строк и ключевого столбца в определении параметрического элемента нажмите кнопку ОК.
  12. Сохраните и закройте файл tutorial_TSlot.ide.

Назад | Далее