Выберите сегмент или участок короба и выполните одно или несколько указанных ниже действий.
- Задайте команду на вкладке "Изменить | Короба".
- Задайте параметры коробов на панели параметров.
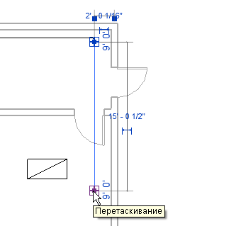
- Перетащите элемент управления для перемещения или удлинения сегмента короба до новой конечной точки, либо для соединения с другим коробом.
- Перетащите сегмент короба в новое местоположение.