После открытия инструмента "Сформировать компоновку" на вкладке "Сформировать компоновку" и на панели параметров активны указанные ниже инструменты, позволяющие создать компоновку для системы.
Для объединения линий компоновки следует сначала выбрать линию компоновки, к которой требуется применить операцию объединения, а затем перетащить соответствующий элемент управления "отвод/конец" до привязки к смежной линии компоновки. Измененная линия компоновки автоматически удаляется, и добавляются дополнительные линии компоновки, представляющие физическое соединение с компонентом, который связан с измененной линией компоновки. Для всех компонентов, связанных с измененными линиями компоновки, сохраняется исходное местоположение. Объединение линий компоновки позволяет изменить определение компоновки в соответствии с концепцией конструкции.
При выполнении команды "Изменить" текущая (измененная) компоновка становится единственным вариантом компоновки, хранящимся в памяти системы. При последующем выполнении команды "Изменить" для выбора другого варианта отображается запрос на замену ранее сохраненного варианта.
Для изменения компоновки щелкните на значке  ("Изменить") и выберите линию компоновки, которую требуется переместить или объединить с другой линией. Затем можно воспользоваться следующими элементами управления.
 ("Изменить") и выберите линию компоновки, которую требуется переместить или объединить с другой линией. Затем можно воспользоваться следующими элементами управления. 
 Элемент управления "параллельное перемещение": позволяет переместить всю линию компоновки вдоль оси, перпендикулярной этой линии компоновки. При необходимости автоматически добавляются дополнительные линии для сохранения соединений с системой. Обратите внимание на то, что с помощью этого инструмента невозможно создать наложение сегментов компоновки. Для этого следует воспользоваться элементом управления "Отвод/конец".
Элемент управления "параллельное перемещение": позволяет переместить всю линию компоновки вдоль оси, перпендикулярной этой линии компоновки. При необходимости автоматически добавляются дополнительные линии для сохранения соединений с системой. Обратите внимание на то, что с помощью этого инструмента невозможно создать наложение сегментов компоновки. Для этого следует воспользоваться элементом управления "Отвод/конец". 
Элементы управления "Соединение": — представляет тройник.
— представляет тройник.  - представляет крестовину. Эти элементы управления "Соединение" позволяют перемещать соединение (тройник или крестовину) между сегментом магистрали и ветвью, вправо или влево, вверх или вниз. Конец, связанный с элементов управления "Соединение", ограничивает перемещение (см. примечание выше).
 - представляет крестовину. Эти элементы управления "Соединение" позволяют перемещать соединение (тройник или крестовину) между сегментом магистрали и ветвью, вправо или влево, вверх или вниз. Конец, связанный с элементов управления "Соединение", ограничивает перемещение (см. примечание выше). 
 Элемент управления "Отвод/конец": позволяет переместить пересечение между двумя линиями или конец линии компоновки. С помощью этого инструмента можно также объединять линии компоновки. При необходимости автоматически добавляются дополнительные линии компоновки для сохранения соединений с системой.
Элемент управления "Отвод/конец": позволяет переместить пересечение между двумя линиями или конец линии компоновки. С помощью этого инструмента можно также объединять линии компоновки. При необходимости автоматически добавляются дополнительные линии компоновки для сохранения соединений с системой. 
Элемент управления "Отметка": указывает текущую отметку линии. Для корректировки отметки щелкните на элементе управления "Отметка" и введите новое значение.
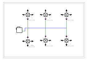
Сеть. При выборе этого варианта вокруг компонентов, указанных для системы воздуховодов, создается ограничивающая рамка, после чего предлагается шесть вариантов сегмента магистрали по осевой линии ограничивающей рамки с ветвями, отходящими от сегмента магистрали под углом 90 градусов.

Периметр. При выборе этого варианта вокруг компонентов, указанных для системы, создается ограничивающая рамка, после чего предлагается пять возможных вариантов трассировки. Четыре варианта формируются по трем из четырех сторон ограничивающей рамки. Пятый вариант формируется по всем четырем сторонам.

С помощью параметра "Вставка" можно задать смещение между ограничивающей рамкой и компонентами.
Пересечение. При выборе этого варианта предлагаемая трассировка основывается на паре воображаемых линий, являющихся продолжением каждого соединителя на компонентах системы. Линии, являющиеся продолжением соединителей, перпендикулярны. Точки пересечения этих линий определяют места возможных соединений для данного варианта компоновки. Может быть предложено до восьми вариантов по кратчайшим траекториям.
Циклический перебор предлагаемых вариантов трассировки выполняется с помощью кнопок со стрелками (
 ).
). 
Параметры: открытие диалогового окна "Параметры преобразования воздуховодов", в котором можно задать характеристики трубопроводов "Магистраль" и "Ответвление".
Вставка: задание расстояния между ограничивающей рамкой и компонентами в системе. Можно ввести положительное или отрицательное значение, чтобы разместить периметр внутри или снаружи ограничивающей рамки соответственно.
Обратите внимание на то, что эта команда отображается только после выбора типа варианта "Периметр".
Обратите внимание на то, что эта команда отличается от команды "Отменить" (CTRL+Z) тем, что позволяет восстанавливать элементы независимо от последовательности операций.
Для работы с базовым элементом управления разместите его там, где в данной компоновке будет находиться открытое соединение воздуховодов. Можно также разместить базовый элемент управления в месте соединения компоновок узлов сборки. Если базовый элемент управления и открытые соединения расположены на одной отметке, к открытым соединениям в узлах сборки подсоединяется горизонтальный трубопровод или воздуховод. Если базовый элемент управления и открытые соединения расположены на разных отметках, для соединения компоновок создается вертикальный участок трубопровода или воздуховода.
 Поворот вокруг оси направления соединения: поворот базового элемента управления вокруг оси направления соединения для этого элемента (в 3D виде направление соединения указано стрелкой).
  Поворот вокруг оси направления соединения: поворот базового элемента управления вокруг оси направления соединения для этого элемента (в 3D виде направление соединения указано стрелкой). 
 Поворот вокруг оси, перпендикулярной к направлению соединения: поворот базового элемента управления вокруг оси направления соединения для этого элемента перпендикулярно к этой оси (в 3D виде направление соединения указано стрелкой).
  Поворот вокруг оси, перпендикулярной к направлению соединения: поворот базового элемента управления вокруг оси направления соединения для этого элемента перпендикулярно к этой оси (в 3D виде направление соединения указано стрелкой). 
 Переместить базовый элемент управления: изменение положения базового элемента управления.
  Переместить базовый элемент управления: изменение положения базового элемента управления. 
 Принять компоновку: преобразование компоновки в жесткие воздуховоды в соответствии с заданным характеристиками.
  Принять компоновку: преобразование компоновки в жесткие воздуховоды в соответствии с заданным характеристиками.  Отменить компоновку: игнорирование параметров компоновки и отказ от изменения системы.
  Отменить компоновку: игнорирование параметров компоновки и отказ от изменения системы.