Просматривайте и изменяйте значения параметров размера формы сечения элементов несущих конструкций.
Эти свойства создаются на основе параметра категории семейства форм сечения элемента.
| Форма сечения | Доступные параметры размеров формы | 
|---|---|
| Стандарт труб (горячекатаная сталь)  | D. Диаметр: внешний диаметр формы круглого сечения. T. Расчетная толщина стенки: перпендикулярная расчетная толщина между внутренней и наружной поверхностями формы сечения. t. Номинальная толщина стенки: среднее перпендикулярное расстояние между внутренней и наружной поверхностями формы сечения. y. Горизонтальный центроид: расстояние от центроида формы сечения до левого края по горизонтальной оси. z. Вертикальный центроид: расстояние от центроида формы сечения до нижнего края по вертикальной оси. alpha. Угол вращения основных осей: eгол вращения между основными осями и опорными плоскостями поперечного сечения. Этот параметр отображается как параметр семейства расчета несущих конструкций. | 
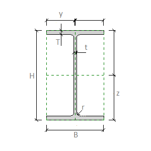
| Двутавровая параллельная полка (горячекатаная сталь)  | B. Ширина: наружная ширина формы сечения. H. Высота: наружная высота формы сечения. T. Толщина полки: расстояние между наружными поверхностями полки в форме сечения. t. Толщина ребра жесткости: расстояние между наружными поверхностями ребра жесткости в форме сечения. r. Сопряжение ребра жесткости: радиус сопряжения между ребром жесткости и полкой. y. Горизонтальный центроид: расстояние от центроида формы сечения до левого края по горизонтальной оси. z. Вертикальный центроид: расстояние от центроида формы сечения до нижнего края по вертикальной оси. alpha. Угол вращения основных осей: eгол вращения между основными осями и опорными плоскостями поперечного сечения. Этот параметр отображается как параметр семейства расчета несущих конструкций. | 
| Двутавровая наклонная полка (горячекатаная сталь)  | B. Ширина: наружная ширина формы сечения. H. Высота: наружная высота формы сечения. T. Толщина полки: расстояние между наружными поверхностями полки в форме сечения. t. Толщина ребра жесткости: расстояние между наружными поверхностями ребра жесткости в форме сечения. r1. Сопряжение ребра жесткости: радиус сопряжения между ребром жесткости и полкой. r2. Сопряжение полки: радиус сопряжения на конце полки в форме сечения. y. Горизонтальный центроид: расстояние от центроида формы сечения до левого края по горизонтальной оси. z. Вертикальный центроид: расстояние от центроида формы сечения до нижнего края по вертикальной оси. alpha. Угол вращения основных осей: eгол вращения между основными осями и опорными плоскостями поперечного сечения. Этот параметр отображается как параметр семейства расчета несущих конструкций. | 
| Двутавровая широкая полка (горячекатаная сталь)  | B. Ширина: наружная ширина формы сечения. H. Высота: наружная высота формы сечения. T. Толщина полки: расстояние между наружными поверхностями полки в форме сечения. t. Толщина ребра жесткости: расстояние между наружными поверхностями ребра жесткости в форме сечения. r. Сопряжение ребра жесткости: радиус сопряжения между ребром жесткости и полкой. y. Горизонтальный центроид: расстояние от центроида формы сечения до левого края по горизонтальной оси. z. Вертикальный центроид: расстояние от центроида формы сечения до нижнего края по вертикальной оси. alpha. Угол вращения основных осей: eгол вращения между основными осями и опорными плоскостями поперечного сечения. Этот параметр отображается как параметр семейства расчета несущих конструкций. | 
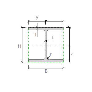
| С-образный канал с параллельной полкой (горячекатаная сталь)  | B. Ширина: наружная ширина формы сечения. H. Высота: наружная высота формы сечения. T. Толщина полки: расстояние между наружными поверхностями полки в форме сечения. t. Толщина ребра жесткости: расстояние между наружными поверхностями ребра жесткости в форме сечения. r. Сопряжение ребра жесткости: радиус сопряжения между ребром жесткости и полкой. y. Горизонтальный центроид: расстояние от центроида формы сечения до левого края по горизонтальной оси. z. Вертикальный центроид: расстояние от центроида формы сечения до нижнего края по вертикальной оси. alpha. Угол вращения основных осей: eгол вращения между основными осями и опорными плоскостями поперечного сечения. Этот параметр отображается как параметр семейства расчета несущих конструкций. | 
| С-образный канал с наклонной полкой (горячекатаная сталь)  | B. Ширина: наружная ширина формы сечения. H. Высота: наружная высота формы сечения. T. Толщина полки: расстояние между наружными поверхностями полки в форме сечения. t. Толщина ребра жесткости: расстояние между наружными поверхностями ребра жесткости в форме сечения. r1. Сопряжение ребра жесткости: радиус сопряжения между ребром жесткости и полкой. r2. Сопряжение полки: радиус сопряжения на конце полки в форме сечения. y. Горизонтальный центроид: расстояние от центроида формы сечения до левого края по горизонтальной оси. z. Вертикальный центроид: расстояние от центроида формы сечения до нижнего края по вертикальной оси. alpha. Угол вращения основных осей: eгол вращения между основными осями и опорными плоскостями поперечного сечения. Этот параметр отображается как параметр семейства расчета несущих конструкций. | 
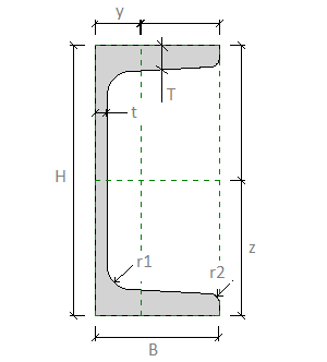
| Уголок (горячекатаная сталь)  | B. Ширина: наружная ширина формы сечения. H. Высота: наружная высота формы сечения. T. Толщина полки: расстояние между наружными поверхностями полки в форме сечения. t. Толщина ребра жесткости: расстояние между наружными поверхностями ребра жесткости в форме сечения. r1. Сопряжение ребра жесткости: радиус сопряжения между ребром жесткости и полкой. r2. Сопряжение полки: радиус сопряжения на конце полки в форме сечения. y. Горизонтальный центроид: расстояние от центроида формы сечения до левого края по горизонтальной оси. z. Вертикальный центроид: расстояние от центроида формы сечения до нижнего края по вертикальной оси. alpha. Угол вращения основных осей: eгол вращения между основными осями и опорными плоскостями поперечного сечения. Этот параметр отображается как параметр семейства расчета несущих конструкций. | 
| Стержень прямоугольного сечения  | B. Ширина: наружная ширина формы сечения. H. Высота: наружная высота формы сечения. y. Горизонтальный центроид: расстояние от центроида формы сечения до левого края по горизонтальной оси. z. Вертикальный центроид: расстояние от центроида формы сечения до нижнего края по вертикальной оси. alpha. Угол вращения основных осей: eгол вращения между основными осями и опорными плоскостями поперечного сечения. Этот параметр отображается как параметр семейства расчета несущих конструкций. | 
| Стержень круглого сечения  | D. Диаметр: внешний диаметр формы круглого сечения. y. Горизонтальный центроид: расстояние от центроида формы сечения до левого края по горизонтальной оси. z. Вертикальный центроид: расстояние от центроида формы сечения до нижнего края по вертикальной оси. alpha. Угол вращения основных осей: eгол вращения между основными осями и опорными плоскостями поперечного сечения. Этот параметр отображается как параметр семейства расчета несущих конструкций. | 
| Прямоугольный HSS (холодногнутая сталь)  | B. Ширина: наружная ширина формы сечения. H. Высота: наружная высота формы сечения. T. Расчетная толщина стенки: перпендикулярная расчетная толщина между внутренней и наружной поверхностями формы сечения. t. Номинальная толщина стенки: среднее перпендикулярное расстояние между внутренней и наружной поверхностями формы сечения. r1. Внутреннее сопряжение: радиус сопряжения внутреннего угла формы сечения прямоугольной пустотелой несущей конструкции. r2. Внешнее сопряжение: радиус сопряжения внешнего угла формы сечения прямоугольной пустотелой несущей конструкции. y. Горизонтальный центроид: расстояние от центроида формы сечения до левого края по горизонтальной оси. z. Вертикальный центроид: расстояние от центроида формы сечения до нижнего края по вертикальной оси. alpha. Угол вращения основных осей: eгол вращения между основными осями и опорными плоскостями поперечного сечения. Этот параметр отображается как параметр семейства расчета несущих конструкций. | 
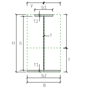
| Двутавровая сварная (перфорированная и сварная сталь)  | B. Ширина: наружная ширина формы сечения. H. Высота: наружная высота формы сечения. T2. Толщина верхней полки: расстояние между наружными поверхностями верхней полки в форме сечения перфорированного или сварного элемента. b1. Ширина верхней полки: наружная ширина верхней полки в форме сечения перфорированного или сварного элемента. T1. Толщина нижней полки: расстояние между наружными поверхностями нижней полки в форме сечения перфорированного или сварного элемента. b2. Ширина нижней полки: наружная ширина нижней полки в форме сечения перфорированного или сварного элемента. t. Толщина ребра жесткости: расстояние между наружными поверхностями ребра жесткости в форме сечения. h. Высота ребра жесткости: расстояние вдоль ребра жесткости между полками в форме сечения. y. Горизонтальный центроид: расстояние от центроида формы сечения до левого края по горизонтальной оси. z. Вертикальный центроид: расстояние от центроида формы сечения до нижнего края по вертикальной оси. alpha. Угол вращения основных осей: eгол вращения между основными осями и опорными плоскостями поперечного сечения. Этот параметр отображается как параметр семейства расчета несущих конструкций. | 
| Круглый HSS (холодногнутая сталь)  | D. Диаметр: внешний диаметр формы круглого сечения. T. Расчетная толщина стенки: перпендикулярная расчетная толщина между внутренней и наружной поверхностями формы сечения. t. Номинальная толщина стенки: среднее перпендикулярное расстояние между внутренней и наружной поверхностями формы сечения. y. Горизонтальный центроид: расстояние от центроида формы сечения до левого края по горизонтальной оси. z. Вертикальный центроид: расстояние от центроида формы сечения до нижнего края по вертикальной оси. alpha. Угол вращения основных осей: eгол вращения между основными осями и опорными плоскостями поперечного сечения. Этот параметр отображается как параметр семейства расчета несущих конструкций. | 
| Двутавровая разделенная параллельная полка (горячекатаная сталь)  | B. Ширина: наружная ширина формы сечения. H. Высота: наружная высота формы сечения. T. Толщина полки: расстояние между наружными поверхностями полки в форме сечения. t. Толщина ребра жесткости: расстояние между наружными поверхностями ребра жесткости в форме сечения. r. Сопряжение ребра жесткости: радиус сопряжения между ребром жесткости и полкой. y. Горизонтальный центроид: расстояние от центроида формы сечения до левого края по горизонтальной оси. z. Вертикальный центроид: расстояние от центроида формы сечения до нижнего края по вертикальной оси. alpha. Угол вращения основных осей: eгол вращения между основными осями и опорными плоскостями поперечного сечения. Этот параметр отображается как параметр семейства расчета несущих конструкций. | 
| Двутавровая наклонная параллельная полка (горячекатаная сталь)  | B. Ширина: наружная ширина формы сечения. H. Высота: наружная высота формы сечения. T. Толщина полки: расстояние между наружными поверхностями полки в форме сечения. t. Толщина ребра жесткости: расстояние между наружными поверхностями ребра жесткости в форме сечения. r1. Сопряжение ребра жесткости: радиус сопряжения между ребром жесткости и полкой. r2. Сопряжение полки: радиус сопряжения на конце полки в форме сечения. y. Горизонтальный центроид: расстояние от центроида формы сечения до левого края по горизонтальной оси. z. Вертикальный центроид: расстояние от центроида формы сечения до нижнего края по вертикальной оси. alpha. Угол вращения основных осей: eгол вращения между основными осями и опорными плоскостями поперечного сечения. Этот параметр отображается как параметр семейства расчета несущих конструкций. | 
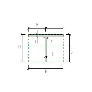
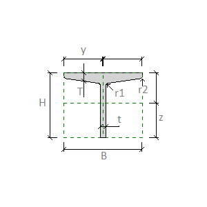
| Тавровые профили (горячекатаная сталь)  | B. Ширина: наружная ширина формы сечения. H. Высота: наружная высота формы сечения. T. Толщина полки: расстояние между наружными поверхностями полки в форме сечения. t. Толщина ребра жесткости: расстояние между наружными поверхностями ребра жесткости в форме сечения. r1. Сопряжение ребра жесткости: радиус сопряжения между ребром жесткости и полкой. r2. Сопряжение полки: радиус сопряжения на конце полки в форме сечения. y. Горизонтальный центроид: расстояние от центроида формы сечения до левого края по горизонтальной оси. z. Вертикальный центроид: расстояние от центроида формы сечения до нижнего края по вертикальной оси. alpha. Угол вращения основных осей: eгол вращения между основными осями и опорными плоскостями поперечного сечения. Этот параметр отображается как параметр семейства расчета несущих конструкций. |