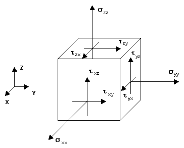
В программе ROBOT объемные конструкции моделируются с помощью изопараметрических объемных КЭ. Поле перемещений в них аппроксимируется функциями формы первого порядка. Правило знаков объемного элемента схематически показано на рисунке ниже. Напряжения на рисунке считаются положительными.
