此部件可叠加现有公路的一侧,并将一条或多条行车道添加到该侧边缘,同时匹配现有车道坡度。

附着点位于叠加层顶部的内侧边缘。
注意:除非另有说明,否则所有标注均以米或英尺为单位。除非指明是带有“%”符号的百分比坡度,否则所有坡度均为“水平宽度比垂直高度”格式(例如,4:1)。
|
参数 |
描述 |
类型 |
默认值 |
|---|---|---|---|
|
采样点偏移 |
采样点的偏移,可以位于插入点与现有公路曲面上的下一个坡度转折之间的任意位置。常用的采样点位置是公路的路拱;如果公路不是拱形,则是相对的行车道边缘。 |
数字 |
0.0 |
|
插入点偏移 |
插入点的偏移,通常位于要进行加宽的行车道边缘 |
数字 |
0.0 |
|
叠加深度 |
现有完工坡面上方的叠加深度 |
正数 |
0.100 米 0.30 英尺 |
|
宽度 |
加宽车道的宽度 |
正数 |
3.6 米 12.0 英尺 |
|
铺装 1 深度 |
用于加宽车道的铺装 1 层的厚度;零表示忽略此参数 |
正数 |
0.025 米 0.083 英尺 |
|
铺装 2 深度 |
用于加宽车道的铺装 2 层的厚度;零表示忽略此参数 |
正数 |
0.025 米 0.083 英尺 |
|
基层深度 |
用于加宽车道的基层的厚度 |
正数 |
0.100 米 0.333 英尺 |
|
底基层深度 |
用于加宽车道的底基层的厚度 |
正数 |
0.300 米 1.0 英尺 |
本部分列出了此部件中可以被映射到一个或多个目标对象(例如图形中的曲面、路线或纵断面对象)的参数。有关详细信息,请参见 AutoCAD Civil 3D 用户手册帮助中的。
|
参数 |
描述 |
状态 |
|---|---|---|
|
现有曲面 |
定义现有道路的曲面的名称。以下对象类型可用作用于指定此曲面的目标:曲面。 |
必需 |
|
采样点偏移 |
可用于替代固定的“采样点偏移”值,并将该点连接到偏移路线。以下对象类型可用作用于指定此偏移的目标:路线、多段线、要素线或测量地物。 |
可选 |
|
插入点偏移 |
可用于替代固定的“插入点偏移”值,并将该点连接到偏移路线。以下对象类型可用作用于指定此偏移的目标:路线、多段线、要素线或测量地物。 |
可选 |
|
宽度 |
可用于替代固定的“加宽车道宽度”值,并将车道边缘连接到偏移路线。以下对象类型可用作用于指定此偏移的目标:路线、多段线、要素线或测量地物。 |
可选 |
|
参数 |
描述 |
类型 |
|---|---|---|
|
百分比坡度 |
在现有曲面上计算出的从“采样点”到“插入点”的坡度 |
数字 |
将确定“现有曲面”上的“采样点”和“插入点”的高程,并计算出从采样点到插入点的坡度。在现有车道上方沿同一坡度添加一个给定“叠加深度”的叠加层。将通过在现有坡面上叠合一个或多个连接,创建一个闭合叠加造型。将使用计算出的坡度,从“插入偏移”处的叠加向外附着加宽车道。
铺装层将在每个端点处使用垂直连接来闭合。同时还将从底基层内侧边缘到现有曲面放置一个垂直连接。
在布局模式中,此部件将被附着到任一便利的点。叠加层按以下样式来显示:深度为统一的值、宽度为 3.6 米(或 12 英尺)、坡度为 -2%。加宽车道将从叠加边缘 -2% 的坡度扩展给定的宽度和深度。
在建模模式中,造型将调整到由“采样点”、“插入点”和“现有曲面”确定的实际情况。

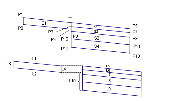
下表列出了此部件的已指定了代码值的点、连接和造型代码。此部件的未指定代码值的点、连接或造型代码不包含在此表中。
|
点、连接或造型 |
代码 |
描述 |
|---|---|---|
|
P5 |
ETW |
完工坡面上的加宽车道外侧边缘 |
|
P7 |
ETW_Pave1 |
铺装 1 曲面上的加宽车道外侧边缘 |
|
P9 |
ETW_Pave2 |
铺装 2 曲面上的加宽车道外侧边缘 |
|
P11 |
ETW_Base |
基准曲面上的加宽车道外侧边缘 |
|
P13 |
ETW_Sub |
底基层曲面上的加宽车道外侧边缘 |
|
L1、L5 |
Top, Pave |
完工坡面曲面 |
|
L2 |
Overlay |
“现有曲面”上的叠合连接。请注意,点 P3 与 P4 之间可能存在多个单一连接。 |
|
L6 |
Pave1 |
|
|
L7 |
Pave2 |
|
|
L8 |
Base |
|
|
L9 |
SubBase, Datum |
|
|
L10 |
Datum |
|
|
S1 |
Overlay |
叠加与现有车道之间的区域 |
|
S2 |
Pave1 |
|
|
S3 |
Pave2 |
|
|
S4 |
Base |
|
|
S5 |
SubBase |
