关于详图索引标记
详图索引标记是注释图元,用于标记父视图中详图索引的位置。
使用族编辑器可创建详图索引标头族,以定义详图索引标头的形状及其包含的信息。
在项目中,创建一个详图索引标记,以指定要使用的详图索引标头族和详图索引编号的角半径。
要为详图索引编号和引线定义线宽、颜色和样式,请单击“管理”选项卡
“设置”面板
“其他设置”下拉列表,然后选择相应的工具。
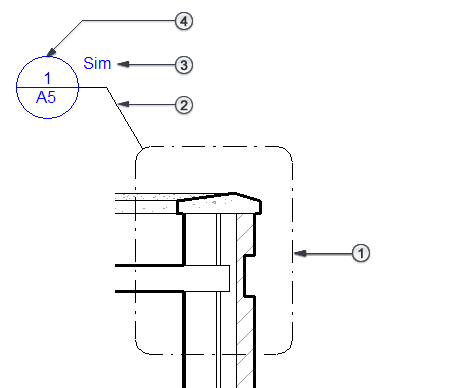
详图索引标记由以下部分组成:
详图索引编号
。围绕父视图部分绘制的线,用于定义详图索引区域。
引线
。将详图索引标头连接到详图索引编号的线。
参照标签
。仅用于参照详图索引。显示在详图索引标记中的文字提供有关详图索引的信息。
详图索引标头
。标识详图索引的符号。在将详图索引放在图纸上时,详图索引标头中默认显示相应的详图编号和图纸编号。
父主题:
详图索引视图
相关任务
创建详图索引标记