问题说明
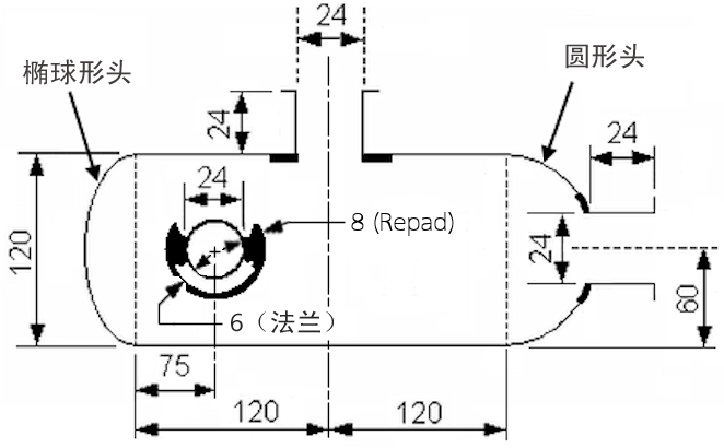
使用 PV/Designer 构造压力容器的三维板模型,如下图所详述的那样。
尺寸以英寸为单位。
压力容器沿主圆柱具有两个喷嘴。
圆柱的一端具有椭圆比为 2 的椭球形头。
圆柱的另一端具有带喷嘴的球形头。
每个喷嘴都具有以下属性:
长度为 24 英寸。
直径为 24 英寸。
与容器交点处的 Repad 宽 8 英寸。
末端法兰宽 6 英寸。
下一步
父主题:
压力容器 PV/Designer 模型