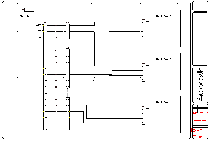
加入連接器描述符

加入描述值至連接器的插頭和插座端。

AutoCAD Electrical 支援每個連接器上包含兩行描述文字:一行描述插頭,另一行描述連接器的插座端。

加入描述

  1. 在連接器 PJ1 上按一下右鍵,然後選取「編輯元件」。
  2. 在「插入/編輯元件」對話方塊的「接腳」區段中,按一下「列示」。
  3. 在「使用中的連接器接腳號碼」對話方塊的連接器接腳格線中,於「接腳 1」的「描述」欄中按一下。
  4. 在「接腳描述」區段中,為「插座」輸入 POWER B2
  5. 在連接器接腳格線中,於「接腳 2」的「描述」欄中按一下。
  6. 在「接腳描述」區段中,為「插座」輸入 POWER B3
  7. 在連接器接腳格線中,於「接腳 3」的「描述」欄中按一下。
  8. 在「接腳描述」區段中,為「插座」輸入 POWER B4
  9. 按一下「確定」。
  10. 在「插入/編輯元件」對話方塊中,按一下「確定」。
  11. 重複執行此作業,為黑盒子 2、黑盒子 3 和黑盒子 4 上的接腳 A 加入描述。

    完成的點到點圖如以下影像所示。