將電路移動到新位置,並更新所有相關元件。
當您移動電路時,因為圖面設置為以參考為基礎來為元件加標籤,所以該電路中包含的多數父元件將自動重新加標籤。在移動電路的過程中,您將變更已移動元件的參考位置。相關的子元件將進行更新以與新父標籤相符,包括在專案中其他圖面的參考。
移動電路的位置

此電路具有元件標籤


。 查找
選取物件:
窗選線參考 215 上的電路,以擷取與垂直母線相連的接線和圓點,然後按一下右鍵

按 F9 打開鎖點。
指定基準點或位移:
選取基準點,然後選取線參考 214 上的點
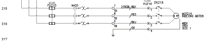
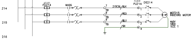
電氣迴路會被移動,受影響的元件會重新加標籤,交互參考會根據新線參考進行更新。列示的每個父元件標籤都將減一。例如,熔絲 FU215 成為 FU214。


作用中的圖面中的相關子參考將更新,以與最近重新加標籤的父元件相符。
將會更新其他圖面中的相關子元件和面板配置參考,以與已移動電路中的父元件相符。


。 查找
「搜尋」對話方塊將在表單 2 中顯示三個參考,在表單 9 中顯示一個參考。
搜尋器將移往面板配置圖面,並放大三極熔絲的實體表現法。請註意,由於電路已移動,所以熔絲座標籤的物理表現法已經更新。
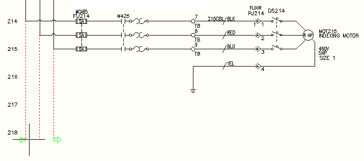
將馬達電路向上移動一個線參考的間距,以留出更多空間在其下方新增電路。下一步是將三相母線向下延伸至線參考 218,同時向右延伸,以開始建置新馬達電路。
延伸三相母線

。 查找
籬選(F)/框選(C)/縮放實際範圍(Z)/<選取要修剪的配線>:
按一下三條懸盪配線的底端,然後按一下右鍵

可以插入垂直或水平的三相佈線。三相佈線會自動切斷,然後與在路徑中找到的任何基本元件重新連接。如果它與既有佈線交叉,則會插入配線交叉間隙。

。 查找
水平間距: 0.5
垂直間距: 0.5
開始於: 其他母線 (多配線)
配線數: 3

選取既有的配線來開始多相母線連接:
選取線參考 214 上最左側垂直母線的底端角點,如圖所示

選取既有的配線來開始多相母線連接: 到
將游標下拉到線參考 218。
暫時圖形將展示延伸的母線的計劃配線。

三相母線和接線圓點符號已插入圖面。
