Verschieben Sie einen Schaltkreis an eine neue Position, und aktualisieren Sie alle zugehörigen Betriebsmittel.
Beim Verschieben eines Schaltkreises werden die meisten der im Schaltkreis enthaltenen übergeordneten Betriebsmittel automatisch neu nummeriert, da die Zeichnung für die referenzbasierte Betriebsmittel-Kennzeichnung eingerichtet ist. Beim Verschieben des Schaltkreises werden die Querverweise der verschobenen Betriebsmittel geändert. Verwandte untergeordnete Betriebsmittel werden aktualisiert, um den neuen übergeordneten Betriebsmittel-Kennzeichnungen zu entsprechen, darunter auch Verweise in anderen Zeichnungen des Projekts.
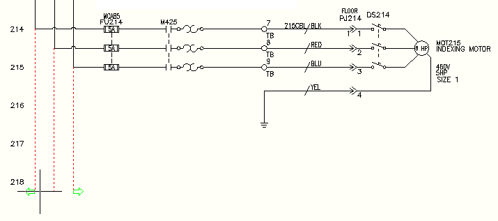
Verschieben der Position eines Schaltkreises

Dieser Schaltkreis verfügt über Betriebsmittel-Kennzeichnungen:


. Finden
Objekte wählen:
Nehmen Sie eine Fensterauswahl um den Schaltkreis am Strompfad 215 vor, sodass der Verbindungsdraht und die Punkte, die mit dem vertikalen Bus verknüpft sind, einbezogen werden, und klicken Sie mit der rechten Maustaste.

Drücken Sie F9, um FANG zu aktivieren.
Basispunkt oder Verschiebung angeben:
Wählen Sie einen Basispunkt, und wählen Sie dann einen Punkt auf dem Strompfad 214.
Das Schaltschema wird verschoben, die betroffenen Betriebsmittel werden neu berechnet, und die Querverweise werden basierend auf dem neuen Strompfad aktualisiert. Alle der aufgeführten übergeordneten Betriebsmittel-Kennzeichnungen werden um eins verringert. So wird die Sicherung FU215 beispielsweise zu FU 214.


In Beziehung stehende untergeordnete Verweise in der aktiven Zeichnung werden aktualisiert, damit sie den neu berechneten übergeordneten Betriebsmitteln entsprechen.
In Beziehung stehende untergeordnete Betriebsmittel und Schaltschrank-Aufbauverweise in anderen Zeichnungen werden aktualisiert, damit sie den übergeordneten Betriebsmitteln des verschobenen Schaltkreises entsprechen.


. Finden
Im Dialogfeld Navigieren werden drei Verweise auf Seite 2 und ein Verweis auf Seite 9 angezeigt.
Der Navigator wechselt zur Schaltschrank-Aufbauzeichnung und vergrößert die physische Darstellung der 3-poligen Sicherung. Beachten Sie, dass die physische Darstellung der Betriebsmittel-Kennzeichnung des Sicherungsblocks aktualisiert wurde, da der Schaltkreis verschoben wurde.
Indem der Motorschaltkreis um einen Strompfad nach oben verschoben wurde, steht mehr Raum zum Einfügen eines neuen Schaltkreises darunter zur Verfügung. Als nächster Schritt wird der 3-Phasen-Bus bis zum Strompfad 218 und weiter nach rechts verlängert, damit ein neuer Motorschaltkreis begonnen werden kann.
Verlängern des 3-Phasen-Busses

. Finden
Gitter/Kreuzung/gzooM/<Draht zum STUTZEN wählen>:
Klicken Sie auf die unteren Enden der drei freien Drähte, und klicken Sie mit der rechten Maustaste.

Sie können eine vertikale oder horizontale 3-Phasen-Verdrahtung einfügen. 3-Phasen-Drähte werden automatisch unterbrochen und erneut mit zugrunde liegenden Betriebsmitteln im Pfad verbunden. Wenn vorhandene Drähte gekreuzt werden, werden Drahtkreuzungs-Unterbrechungen eingefügt.

. Finden
Horizontaler Abstand: 0.5
Vertikaler Abstand: 0.5
Starten bei: Anderer Bus (mehrere Drähte)
Anzahl der Drähte: 3

Vorhandenen Draht auswählen, um Mehrphasenbus-Verbindung zu beginnen:
Wählen Sie die untere Ecke des vertikalen Bus ganz links am Strompfad 214 wie hier gezeigt.

Vorhandenen Draht auswählen, um Mehrphasenbus-Verbindung zu beginnen: nach:
Ziehen Sie den Mauszeiger nach unten zum Strompfad 218.
Anhand von temporären Grafiken wird der vorgeschlagene Verlauf des verlängerten Busses angezeigt.

Die 3-Phasen-Bus- und Drahtverbindungs-Punktsymbole werden in die Zeichnung eingefügt.
